0  357497  357505  357511  357515  357521  357523  357527  357533  357535  357541  357547  357551  357553  357557  357563  357565  357571  357575  357577  357581  357583  357587  357589  357591  357592  357593  357595  357596  357597  357599  357601  357605  357607  357611  357613  357617  357623  357625  357631  357635  357637  357641  357647  357653  357655  357661  357665  357667  357673  357677  357683  357691  447090 

22.实验题(本题共18分)

    (1)如图所示,A、B、C、D、E为某同学做“研究平抛物体运动”实验时记录下的小球做平抛运动时在竖直坐标纸上的五个位置点。

    ①请你依据这五个位置点描出小球做平抛运动的轨迹;

    ②已知坐标纸上每一个方格的边长为,则该小球做平抛运动的初速度大小为     ,在B位置点时小球运动的速度大小为      (设重力加速度大小为g)。

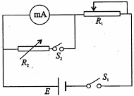
    (2)某同学用如图所示的电路用“半偏法”测定一毫安电流表的内阻。

    ①关于本实验的下列说法正确的是    

    A.实验电路中,元件R2必须选用电阻箱;

    B.从系统误差分析,内阻测量值一定大于真实值;

    C.为了减小系统误差,则在其选用电源E时应尽可 

        能选电动势大一些的为好;

    D.电源电动势的大小对实验系统误差不产生影响,倒是应该把元件的总阻值选大一

        些有利于减小系统误差。

    ②已知该毫安表的量程为,该同学用“半偏法”测定该表的内阻为,则欲将该表改装成量程为的电压表,应给它     联一个     的电阻,此时改装成的这个“新电压表”的实际量程一定比     (选填“偏大”、“偏小”或“相等”)

    ③为了完全消除对毫安表内阻测定的系统误差,该同学又找来了一只完全一样的毫安表,则只需在原“半偏法”的电路上稍作改进即可,请你在方框内画出改进后的原理电路图。

试题详情

21.如图所示,在半径为R的虚线圆内有垂直纸面向里的匀强磁场,磁感强度B随时同变化关系为,在磁场外距圆心O为2R处有一半径恰为2R的半圆导线环(图中实线),则导线环中的感应电动势大小为

    A.0                                B.

    C.                            D.

德阳市高中2010级“二诊”考试

理科综合试卷

第II卷(非选择题  共174分)

试题详情

20.某空间存在匀强电场,有一个电荷量()、质量的粒子从点以速率射入电场,运动到点时速率为。现有另一电荷量、质量的粒子以速率仍从点射入该电场,运动到点时速率为。若忽略重力影响,则下列说法正确的是

    A.在三点中,点电势最高        B.在三点中,点电势最高

    C.间的电势差比间的电势差大     D.间的电势差比间的电势差小

试题详情

19.一子弹以某水平初速度恰好击穿两块完全相同的固定于水平地面上的厚木板,子弹重力忽略不计,则子弹在穿越前后两木板过程中动能的变化量之比和动量的变化量之比分别为

    A.                           B.

    C.                     D.

试题详情

18.如图所示,BCA是半径为OA的一段光滑圆弧,其弧长远小于半径,O点为其圆心,BA是光滑弦面,A点为其圆周的最低点,整个圆面竖直。现有三个物块(质点)分别从O点沿OA自由下落、从B点沿BA和沿BCA无初速自由运动,设三物块各自运动到A点的时间分别为,则下列判断正确的是

    A.                         B.

    C.                         D.

试题详情

17.如图所示电路中,L是一电阻可忽略不计的电感线圈,a、b为L上的左右两端点,A、B、C为完全相同的三个灯泡,原来电键K是闭合的,三个灯泡均在发光。某时刻将电键K打开,则下列说法正确的是

    A.点电势高于点,A灯闪亮后缓慢熄灭

    B.点电势高于点,B、C灯闪亮后缓慢熄灭

    C.点电势高于点,B、C灯闪亮后缓慢熄灭

    D.点电势高于点,B、C灯不会闪亮只是缓慢熄灭

试题详情

16.一定质量的理想气体,当温度升高、压强降低时,则下列说法正确的是

    A.一定从外界吸收热量

    B.有可能既不吸热也不放热

    C.单位时间内与器壁单位面积碰撞的分子散一定减少

    D.单位时间内与器壁单位面积碰撞的分子数可能不变

试题详情

15.有A、B两种光,已知从水中射向空气时,A光比B光更容易发生全反射,则下列说法正确的是

    A.A光的波动性一定强于B光的波动性

    B.在水中A光的传播速度一定大于B光的传播速度

    C.对同一种金属,如果B光能产生光电效应,则A光一定能产生

    D.对同一种金属,如果两种光均能产生光电效应,则用B光照射时产生的光电子的初

      动能一定小于A光照射时产生的光电子的初动能

试题详情

14.科学家发现在月球上含有丰富的(氦3)。它是一种高效、清洁、安全的核聚变燃料,其核聚变方程为。关于聚变下列表述正确的是

    A.聚变反应不会释放能量               B.聚变反应产生了新的原子核

    C.聚变反应没有质量亏损               D.目前核电站都采用聚变反应发电

试题详情

13.mol FeS与mol投入到溶液(足量)中充分反应,产生NO气体,所得澄清溶液的成分可看作是的混合溶液,反应中未被还原的硝酸为mol;若向反应后的混合液中加入mol NaOH恰好使沉淀完全,则下列关系式正确的是

    A.                    B.

    C.                        D.

试题详情


同步练习册答案