0  368430  368438  368444  368448  368454  368456  368460  368466  368468  368474  368480  368484  368486  368490  368496  368498  368504  368508  368510  368514  368516  368520  368522  368524  368525  368526  368528  368529  368530  368532  368534  368538  368540  368544  368546  368550  368556  368558  368564  368568  368570  368574  368580  368586  368588  368594  368598  368600  368606  368610  368616  368624  447090 

6.常温时,将500 ml pH=5的Cu SO4 溶液用石墨电极电解一段时间,测得溶液的pH变为2,若使溶液的浓度、pH与电解前相同,可采用的方法(  )。

A.向溶液中加入0.245g Cu (OH)2   B.向溶液中加0.31g CuSO4

C.向溶液中加0.0025 mol H2 SO4并加热  D.向溶液中加0.2g CuO

试题详情

5.在25ºC时,将两根铂电极插入一定量的硫酸钠饱和溶液中进行电解,当电路中有a mol电子转移时,溶液中析出mg Na2SO4 ·10 H2 O晶体。若温度不变,在剩余溶液中溶质的质量分数为(  )。

A.×100%  B.×100%  C.×100%  D.×100%

试题详情

4.下列叙述能说明金属甲比金属乙活泼的实际事实是(  )。

A.同价态的阳离子,甲的氧化性比乙强

B.将甲、乙作电极与稀硫酸酸溶液组成原电池,甲是负极

C.在氧化还原反应中,甲原子失去的电子比乙原子失去的电子多

D.常温下,甲能和 NaOH溶液反应,而乙不能

试题详情

3.电解硫酸铜溶液时,若要求达到以下几点:⑴阳极质量减少,⑵阴极质量增加,⑶电解液中[Cu2+]不变,则可选用的电极是(   )。

A.纯铜作阳极,含锌、银的铜合金作阴极

B.含锌、银的铜合金作阳极,纯铜作阴极

C.用纯铁作阳极,用纯铜作阴极

D.用石墨作阳极,用惰性电极作阴极

试题详情

2.下列叙述中不正确的是(  )。

A.电解池的阳极上发生氧化反应,阴极上发生还原反应

B.原电池跟电解池连接后,电子从电池负极流向电解池阳极

C.电镀时,电镀池里的阳极材料发生氧化作用

D.电解饱和食盐水时,阴极得到氢氧化钠溶液和氢气

试题详情

1.如下图所示,铜片和锌片用导线连接后插入番茄里,锌片是(  )。

A.阳极   B.正极   C.阴极    D.负极

试题详情

例9、 用铂电极电解盐R(NO3)n溶液,在阴极上析出m g R,在阳极上放出560 mL气体(标准状况),则R的相对原子质量是

A.mn/10   B.10m/n   C.20mn D.10mn

分析 :

阴极Rn++ne-=R  n∶R=0.l∶m R=10mn答案为D。

例10、工业处理含Cr2O72-酸性工业废水用以下方法:

①向工业废水中加入适量NaCl;

②用Fe电极进行电解,一段时间后有Cr(OH)3和Fe(OH)3沉淀生成;

③过滤回收沉淀,废水达排放标准。

(1)电解时电极反应:阳极_________________,阴极________________。

(2)加入NaCl的目的是____________________________。

(3)写出Cr2O72-转变成Cr3+的离子方程式_________________________________。

(4)电解过程中Cr(OH)3和Fe(OH)3沉淀是怎样生成的_________________。

(5)能否用石墨来代替Fe电极______。

解析: 问题的关键在于阴、阳两极上的反应。事实上,由于阳极为Fe,阳极上只能Fe失电子生成Fe2+,所以正确答案为:

(1)阳极Fe-2e-Fe2+   阴极2H++2e-H2

(2)增强溶液的导电能力。

(3)Cr2O72-+6 Fe2++14 H+==2Cr3++6Fe3++7H2O

(4)电解时H+在阴极上不断放电,Fe2+还原Cr2O72-;消耗H+,使溶液中[H+]减小,pH增大,生成Fe(OH)3、Cr(OH)3沉淀。

(5)不能。若用石墨电极,不能提供还原剂Fe2+,无法使Cr2O72-还原而除去。

知能训练

试题详情

例7、 用阳极a和阴极b电解c的水溶液,然后加入d,能使溶液恢复到电解前状态,a、b、c、d正确组合是

A.Pt  P t  NaOH  NaOH  B.C  C  NaCl  NaOH

C.Cu  Cu  CuSO4  Cu(OH)2   D.Pt  Pt  H2SO4  H2O

解析: 根据阴阳两极析出什么应加入相对应的它们组成物质。正确答案为D。

例8、 当用两铂电极电解100 g 10%CuSO4溶液一段时间后,在阳极析出0.16g物质时,CuSO4溶液的质量分数为

A.8.47% B.8.36%   C.8.73% D.9.62%

解析: 据CuSO4电解的方程式2CuSO4+2H2O2Cu+O2↑+2H2SO4阳极上析出O2。电解后溶液中CuSO4的质量为:

溶液的质量变为:

所以 w(CuSO4)=8.47%

答案为A。如果题目改为阴极析出0.16g物质,则答案为D。

试题详情

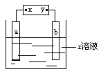
例3、右图中x、y分别是直流电源的两极,通电后发现a极板质量增加,b极板有无色无臭气体放出,符合a极板 b极板 x电极 z溶液的是

A.锌 石墨 负极 CuSO4    B.石墨 石墨 负极 NaOH

C.银 铁 正极 AgNO3     D.铜 石墨 负极 CuCl2

解析:a极质量增加,a为阴极,即x极为负极,且电解液需有不活泼金属的阳离子,所以只能从A、D中选。再b极板上有无色无臭气体放出,D不符合(放出Cl2),所以只有A正确。

例4、将0.4 mol CuSO4和0.4 molNaCl配成水溶液1L,用惰性电极电解一段时间,在一个电极上得到0.3 mol Cu,另一极上生成标准状况下气体体积为

A.5.6 L   B.6.72 L   C.1.344 L  D.11.2 L

解析: 阴极Cu2++2e Cu  0.3 mol Cu-0.6 mol e

阳极 2Cl-- 2e-  Cl2↑  0.4 mol Cl-- 0.4 mol e-- 0.2 mol Cl2

4OH--4 e-2H2O+O2↑   0.2 mol e--0.05 mol O2

因而得到了0.25 mol Cl2和O2的混合气体,所以正确答案为A。

试题详情

例1、 下列装置线路接通后,经过一段时间后溶液的pH明显下降的是

解析:

A是原电池,负极为Zn-2eZn2+,正极为2H++2e-H2↑,总的反应为:  Zn+2H+== Zn2++H2↑,溶液中[H+]不断减小,pH升高。

B为电解池,且阳极为非惰性电极铜,阳极反应为Cu-2eCu2+,Cu2++2OH-=Cu(OH)2↓,阴极为2H++2e-H2↑,总的反应为:Cu+2H2O=Cu(OH)2↓+H2↑溶液实际上少了H2O,造成NaOH浓度增大,pH升高。

C电解反应式为:2Cl-+2H2OCl2↑+H2↑+2OH ,pH升高。

D电解反应式为:2Cu2++2H2O2Cu+O2↑+4H+pH变小。答案为D。

例2、 以A、B两根石墨棒作电极,电解AgNO3溶液,通电t min,在B极收集到气体11.2mL(标准状况),然后将电源反接,以相同的电流通电t/2min,若溶液体积为200mL(设体积不变),则溶液的pH为______。

解析: 通电tmin,电解AgNO3溶液:4Ag++2H2O4Ag+O2↑+4 H+

再通电t/2min,是电镀,溶液中各离子浓度不再改变。pH=2

试题详情


同步练习册答案