0  389389  389397  389403  389407  389413  389415  389419  389425  389427  389433  389439  389443  389445  389449  389455  389457  389463  389467  389469  389473  389475  389479  389481  389483  389484  389485  389487  389488  389489  389491  389493  389497  389499  389503  389505  389509  389515  389517  389523  389527  389529  389533  389539  389545  389547  389553  389557  389559  389565  389569  389575  389583  447090 

11.某同学设计了用如图甲所示电路测量量程为1V的电压表的内阻(在800-900Ω之间)。实验方法和步骤是:

 ①断开开关S,按图甲连接好电路;    

②把滑动变阻器的触头P滑到b端

 ③将电阻箱的阻值调到零;       

④闭合开关S;

 ⑤调节滑动变阻器R的阻值,使电压表的示数为1V;

 ⑥调节电阻箱的阻值使电压表示数为0.5V,读出此时电阻箱的阻值,此值即为电压表的内电阻的测量值;              

⑦最后断开开关S。

 实验室可供选择的实验器材有:

 A.待测电压表          B.滑动变阻器:最大阻值1000Ω

 C.滑动变阻器:最大阻值10Ω   D.电阻箱:最大阻值999.9Ω,阻值最小改变量为0.1Ω

 E.电阻箱:最大阻值99.9Ω,阻值最小改变量为0.1Ω

 F.电池组:电动势约6V,内阻可忽略以及导线和开关等。

 按照这位同学设计的实验方法,回答下列问题:

 (1)要使用本方法测量得比较精确,而且使用仪器个数最少,除了电池组、导线、开关和待测电压表外,还应从提供的B、C、D、E器材中选用___________(用器材前的序号字母表示)。

 (2)对于用上述方法测出的电压表内阻的测量值和真实值及测量误差,下列说法中正确的是___。

 A.       B.

 C.若越大,测量值相对于真实值的误差就越大

 D.若越大,测量值相对于真实值的误差就越小

 (3)图乙是本题提供选择的所有仪器实物,按你的选择连接成图甲所示的测量电路。

答案:(1)CD(全对3分)  (2)AD(全对3分)

(3)如右图(2分,由于(1)问错而图错的0分)

试题详情

10.从下列实验器材中选出适当的器材,设计测量电路来测量两个电流表的内阻,要求方法简捷,有尽可能高的测量精度. 

(A)待测电流表A1­,量程50 mA,内电阻约几十欧(B)待测电流表A2,量程30 mA,内电阻约几十欧 

(C)电压表V,量程15 V,内阻rV=15 kΩ   (D)电阻箱R1,阻值范围0~9999.9 Ω 

(E)电阻箱R2,阻值范围0~99.9 Ω      (F)滑动变阻器R3,阻值0~150 Ω,额定电流1.5 A

(G)滑动变阻器R4,阻值0~20 Ω,额定电流1.5 A 

(H)电阻R0,阻值是40 Ω,功率是0.5 W作保护电阻用(I)电池组,电动势为12 V,内电阻约0.5 Ω

此外还有单刀开关若干和导线若干,供需要选用. 

(1)请设计一个测量电路,画出电路图. 

(2)选出必要的器材,用器材前的字母表示,有_______. 

(3)说明实验需要测量的物理量,并列出计算两个电流表内电阻的计算式.

答案:电路图如图所示注:电路图基本正确但电路不规范,如缺开关、电阻箱符号错等要扣1分到2分.(2)ABEGHI注:缺AB可不扣分

(3)开关K2闭合时,测得电流表的示数I1I2;断开开关K2,调整电阻箱的阻值R时,测得电流表的示数I1′和I2

RA1=  注:用其他方法测量正确的同样给分.

试题详情

9、2001年全国理综.实验室中现有器材如实物图1所示,有:电池E,电动势约10V,内阻约1Ω;电流表,量程10A,内阻约为0.2Ω;电流表,量程300mA,内阻约为5Ω;电流表,量程250mA,内阻约为5Ω;电阻箱,最大阻值999.9Ω,阻值最小改变量为0.1Ω;滑线变阻器,最大阻值100Ω;开关S,导线若干。要求用图2所示的电路测定图中电流表A的内阻。

(1)在所给的三个电流表中,那几个可用此电路精确测出其内阻?答:     

(2)在可测的电流表中任选一个作为测量对象在实物图上连成测量电路。

(3)你要读出的物理量是       。用这些物理量表示待测内阻的计算公式是      

试题详情

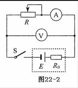
8、西城区2004年4月抽测

电源的输出功率P跟外电路的电阻R有关。图22-2是研究它们关系的实验电路。为了便于进行实验和保护蓄电池E,给蓄电池串联了一个定值电阻R0,把它们一起看作电源(图中虚线框内部分),电源的内电阻就是蓄电池的内电阻和定值电阻R0之和。图22-3中给出了实验所用的器材,请按照图22-2的电路将仪器连接成实验电路。(电压表选3V量程,电流表选0.6A量程。)

 

   某同学在实验时测出了9组电流、电压的值。根据U/I算出了相应的外电阻R0。根据UI算出了相应的输出功率P。在图22-4的直角坐标系中描出了相应的9个点。请你在图中画出P-R关系图线。根据图线可以得出电源输出功率的最大值Pm=       ,对应的外电阻R=    

   答案:(1)1.556±0.002(5分)  (2)实物连线  (5分)  描P-R关系图线(4分)得出Pm=(0.800±0.005)W,没有单位不给分。(2分)得出R=(5.0±0.4),没有单位不给分。(2分)

试题详情

7、在“测定金属的电阻率”的实验中,需要用刻度尺测出被测金属丝的长度l。用螺旋测微器测出金属丝的直径d,用电流表和电压表测出金属丝的电阻Rx

(1)请写出测金属丝电阻率的表达式:ρ=      (用上述测量量的字母表示)。

(2)若实验中测量金属丝的长度和直径时,刻度尺和螺旋测微器的示数分别如图所示,则金属丝长度的测量值为l=     cm,金属丝直径的测量值为d=      mm。

     

(3)用电流表和电压表测金属丝的电阻时,由于电压表、电流表内阻的影响。不论使用电流表内接法还是电流表外接法,都会产生系统误差。按如右上图所示的电路进行测量。可以消除由于电表内阻造成的系统误差。利用该电路进行实验的主要操作过程是:

第一步:先将R2的滑动头调到最左商量,单刀双掷开关S2向上1闭合,闭合电键S1,调节滑动变阻器R1和R2,使电压表和电流表的示数尽大些(不超过量程),读出此时电压表和电流表的示数U1、I1

第二步:保持两滑动变阻器的滑动头位置不变,将单刀双掷开关S2向2闭合,读出此时电压表和电流表的示数U2、I2

请写出由以上记录数据计算被测电阻R­x的表达式Rx-        。

答案:(1)……4分  (2)36.48~36.52……4分  0.796-0.799(3)……5分

试题详情

6]所得直线与纵轴交点的示数即为电动势E值,求出直线的斜率,斜率的绝对值为电源内阻r。

   6、为了研究“3.8V,0.3A”小灯泡的电阻随电流变化的规律,某同学测量小灯泡两端的电压和通过小灯泡的电流的关系。实验室可以提供的器材如下:

①直流电源E(电动势约4V,内阻可不计);

②电流表A(量程为0-0.6A,内阻约0.5Ω);

③电压表V(量程为0-5V,内阻约20kΩ);

④滑动变阻器R1(阻值0-10Ω,额定电流2A);

⑤滑动变阻器R2(阻值0-200Ω,额定电流1.5A);

⑥电键S及导线若干。

实验测得的数据记录在下表中:

U/V
0
0.30
1.00
1.70
2.40
3.10
3.80
I/A
0
0.074
0.164
0.210
0.250
0.284
0.300

  (1)请在坐标纸上画出小灯泡的U-I图线。

  (2)应选择的滑动变阻器为(填写仪器符号):    

  (3)根据以上条件在虚线框中画出符合要求的实验电路图,并在图中标出器材的符号。

  (4)试求:电压为1.50V和2.80V时小灯泡的电阻值并说明它们大小不同的原因。(结果保留2位有效数字。)

答案:(1)如图a:(坐标选取合适;描点正确;将各点连成光滑曲线)(6分)

(2)R1(2分)(3)如图b:(分压电路;电流表外接)(6分)

(4)由图可知:V时,I1=0.200A; V时,I2=0.275A,

(在7.0-8.0均给分。)

  (在9.5-11均给分。)

由于小灯泡两端的电压升高时,灯丝的温度升高,导致灯丝电阻变大。所以有:

  >。(4分)

试题详情

5]在坐标纸上建立坐标,以横轴代表电流I(I1),纵轴代表路端电压U,将各组I1和U值描出测量数据点,作出U-I图线。

试题详情

4]将电流表A2的示数I2×(2800+200)转化为相应的

路端电压U的值。

试题详情

3]调节滑动变阻器R2的大小,由电流表A1、A2读出若

     干组电路中的电流I1和I2

试题详情

2]调节电阻箱R3的阻值为2800(Ω)

试题详情


同步练习册答案