0  406916  406924  406930  406934  406940  406942  406946  406952  406954  406960  406966  406970  406972  406976  406982  406984  406990  406994  406996  407000  407002  407006  407008  407010  407011  407012  407014  407015  407016  407018  407020  407024  407026  407030  407032  407036  407042  407044  407050  407054  407056  407060  407066  407072  407074  407080  407084  407086  407092  407096  407102  407110  447090 

11.下列物理知识与相关的生活实例连线正确的是                 (   )

A.沸点与气压的关系--高压锅     B.电流的热效应--电扇 

C.液体热胀冷缩--体温计        D.费力杠杆--瓶起子

试题详情

10.如图4所示,用钓鱼杆钓鱼的时候,鱼钩已经钩住了鱼。鱼还在水中时,感觉鱼很轻,刚把鱼从水中拉离水面就感觉鱼变“重”了。对钓鱼过程的下列几种解释,

错误的是     (   )

   A.鱼离开水后,失去了水的浮力,使人感觉鱼变重了

   B.鱼离开水后,鱼的重力增大,使人感觉鱼变重了

   C.鱼离开水后,钓鱼线对钓鱼杆的拉力会增大

D.钓鱼杆是一种省力杠杆

试题详情

9.春天到来,学校采取各种措施防止流行病传染,对以下两种防护措施物理解释正确的是(  )

A、用消毒液擦试教室门窗后,可以闻到气味,这是气化现象

B、用消毒液擦试教室门窗后,可以闻到气味,这是凝华现象

C、用醋熏教室时,对醋加热使醋分子的无规则运动加剧

D、用醋熏教室时,对醋加热使醋分子的无规则运动减缓

试题详情

8.某同学探究“什么情况下磁可以生电”的实验装置如图3所示,ab是一根直铜丝,通过导线接在量程为3A电流表的两接线柱上,电流表指针指零.当把ab迅速向右运动时,并未发现电流表指针明显偏转.你认为最可能的原因是  (   ) 

图3
 
                     

A.感应电流太小,无法使指针明显偏转     B.铜丝太细,换用铜棒便能使指针明显偏转  

C.应把ab改为向左运动            D.应把ab改为上下运动

试题详情

7. 有电阻两只,电流表、电压表、电源各一只,选用其中的部分元件,以不同的方式接到如图2所示的虚线方框内,可连接成几种不同正确的电路?             (    )

A、1种    B、2种     C、3种    D、4种

图2
 

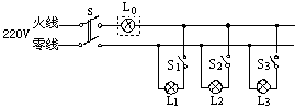
试题详情

6. 工人师傅常用一只标有“220V 40W”的灯泡L0(检验灯泡)取代保险丝来检查新安装的照明电路中每个支路的情况,如图1所示。当只闭合S、S1时L0不亮;当只闭合S、S2时L0和L2都呈暗红色;当只闭合S、S3时L0正常发光。由此可以判断           (   )

A、L1所在支路短路

B、L2所在支路短路

C、L3所在支路短路

D、各支路均完好

试题详情


同步练习册答案