0  412354  412362  412368  412372  412378  412380  412384  412390  412392  412398  412404  412408  412410  412414  412420  412422  412428  412432  412434  412438  412440  412444  412446  412448  412449  412450  412452  412453  412454  412456  412458  412462  412464  412468  412470  412474  412480  412482  412488  412492  412494  412498  412504  412510  412512  412518  412522  412524  412530  412534  412540  412548  447090 

11.(1)(6分)如图所示,某同学用插针法测定一半圆形玻璃砖的折射率.在平铺的白纸上垂直纸面插大头针PlP2确定入射光线,并让入射光线过圆心O,在玻璃砖(图中实线部分)另一侧垂直纸面插大头针P3,使P3挡住P1P2的像,连接OP3.图中MN为分界面,虚线半圆与玻璃砖对称,BC分别是入射光线、折射光线与圆的交点,ABCD均垂直于法线并分别交法线于AD点.

①设AB的长度为L1AO的长度为L2CD的长度为L3DO的长度为L4,为较方便地表示出玻璃砖的折射率,需用刻度尺测量     ,则玻璃砖的折射率可表示为       .

②该同学在插大头针P3前不小心将玻璃砖以O为圆心顺时针转过一小角度,由此测得玻璃砖的折射率将     (填“偏大”、“偏小”或“不变”).

(2)(10分)在用双缝干涉测光的波长实验中,准备了下列仪器:

A.白炽灯   B.双窄缝片   C.单窄缝片   D.滤色片 E.毛玻璃光屏

①把以上仪器安装在光具座上,自光源起合理的顺序是         (填字母).

②在某次实验中,用某种单色光通过双缝在光屏上得到明暗相间的干涉条纹,其中相邻两条亮纹ab的位置可利用测量头上的千分尺确定,如图所示.其中表示a纹位置(甲图)的千分尺的读数为       mm.

③如果上述实验中双缝与光屏间距为1m,所用双窄缝片是相距0.18mm规格的双窄缝片,则实验中所用单色光的波长为        nm.

试题详情

10.如图所示,一矩形线框以竖直向上的初速度进入只有一条水平边界的匀强磁场,磁场方向垂直纸面向里,进入磁场后上升一段高度又落下离开磁场,运动中线框只受重力和磁场力,线框在向上、向下经过图中1、2位置时的速率按时间顺序依次为v1v2v3v4,则可以确定:

   A.v1>v2   B.v2<v3

   C.v3<v4   D.v4<v1

第 Ⅱ 卷(非选择题共60 分)

试题详情

9.如图所示为双缝干涉实验装置,绿光通过单缝S后,照射到具有双缝的挡板上,双缝S1S2到单缝的距离相等,光通过双缝后在与双缝平行的光屏上形成干涉条纹.屏上O点距双缝S1S2的距离相等,P点在距O点最近的第一条亮纹中心线上,如果将入射的单色光分别换成红光和蓝光,下列说法正确的是

A.O点在红光的亮条纹中心线上

B.O点不在蓝光的亮条纹中心线上

C.红光的第一条亮条纹中心线在P点的上方

D.蓝光的第一条亮条纹中心线在P点的上方

试题详情

8.如图所示,MNPQ为两根足够长的水平光滑金属导轨,导轨电阻不计,变压器为理想变压器,现在水平导轨部分加一竖直向上的匀强磁场,金属棒ab与导轨电接触良好,则以下说法正确的是

A.若ab棒匀速运动,则IR≠0,IC≠0

B.若ab棒匀速运动,则IR≠0,IC=0

C.若ab棒在某一中心位置两侧做简谐运动,则IR≠0,IC≠0

D.若ab棒做匀加速运动,IR≠0,IC=0

试题详情

7.如图甲中abcd为导体做成的框架,其平面与水平面成θ角,质量为m的导体棒PQabcd接触良好,回路的电阻为R,整个装置放于垂直框架平面的变化的磁场中,磁感强度B随时间变化规律如图乙,PQ始终静止,在时间0-t内,PQ受到的摩擦力f的大小变化可能是

A.f一直增大

B.f一直减小

C.f先减小后增大

D.f先增大后减小

试题详情

6.如图所示,电路中AB是完全相同的灯泡,L是一带铁芯的线圈.开关S原来闭合,则开关S断开的瞬间

A.L中的电流方向改变,灯泡B立即熄灭

B.L中的电流方向不变,灯泡B要过一会才熄灭

C.L中的电流方向改变,灯泡AB慢熄灭

D.L中的电流方向不变,灯泡AB慢熄灭

试题详情

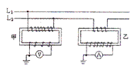
5.如图所示,L1L2是输电线,甲是电压互感器,乙是电流互感器.若已知甲的变压比为1000:1,乙的变流比为100:1,并且知道电压表示数为220V,电流表示数为10A,则输电线的输送功率为

   A.2.2×103W     B.2.2×10-2W

   C.2.2×108W     D.2.2×104W

试题详情

4.AB两种单色光均垂直照射到同一条直光纤的端面上,A光穿过光纤的时间比B光穿过的时间长,现用AB两种光照射同种金属,都能发生光电效应,则下列说法正确的是

   A.光纤对B光的折射率大

   B.A光打出的光电子的最大初动能一定比B光的大

   C.A光在单位时间内打出的电子数一定比B光的多

   D.B光的波动性一定比A光显著

试题详情

3.现代物理学认为,光和实物粒子都具有波粒二象性.下列事实中突出体现波动性的是 

A.一定频率的光照射到锌板上,光的强度越大,单位时间内锌板上发射的光电子就越多

B.肥皂液是无色的,吹出的肥皂泡却是彩色的

C.质量为10-3kg、速度为10-2m/s的小球,其德布罗意波长约为10-23 m,不过我们能清晰地观测到小球运动的轨迹

D.拍摄水面下的景物,在照相机镜头前装上偏振光片可以使景象更清晰

试题详情

2.钚239()可由铀239()经过衰变而产生.下列说法正确的是

A.的核内具有相同的中子数

B.的核内具有相同的质子数

C.经过2次β衰变产生

D.经过1次α衰变产生

试题详情


同步练习册答案