0  412700  412708  412714  412718  412724  412726  412730  412736  412738  412744  412750  412754  412756  412760  412766  412768  412774  412778  412780  412784  412786  412790  412792  412794  412795  412796  412798  412799  412800  412802  412804  412808  412810  412814  412816  412820  412826  412828  412834  412838  412840  412844  412850  412856  412858  412864  412868  412870  412876  412880  412886  412894  447090 

19.(09宁夏卷)如图所示,一导体圆环位于纸面内,O为圆心。环内两个圆心角为90°的扇形区域内分别有匀强磁场,两磁场磁感应强度的大小相等,方向相反且均与纸面垂直。导体杆OM可绕O转动,M端通过滑动触点与圆环良好接触。在圆心和圆环间连有电阻R。杆OM以匀角速度逆时针转动,t=0时恰好在图示位置。规定从ab流经电阻R的电流方向为正,圆环和导体杆的电阻忽略不计,则杆从t=0开始转动一周的过程中,电流随变化的图象是

答案C

[解析]依据左手定则,可知在0-内,电流方向M到O,在在电阻R内则是由b到a,为负值,且大小为为一定值,内没有感应电流,内电流的方向相反,即沿正方向,内没有感应电流,因此C正确。

(09全国Ⅱ卷)24.(15分)如图,匀强磁场的磁感应强度方向垂直于纸面向里,大小随时间的变化率为负的常量。用电阻率为、横截面积为的硬导线做成一边长为的方框,将方框固定于纸面内,其右半部位于磁场区域中,求

(1)    导线中感应电流的大小;

(2)    磁场对方框作用力的大小随时间的变化

答案(1)     (2)

[解析]本题考查电磁感应现象.(1)线框中产生的感应电动势

……①在线框产生的感应电流……②

,……③

联立①②③得

导线框所受磁场力的大小为,

它随时间的变化率为,

由以上式联立可得.

试题详情

4.(09天津卷)如图所示,竖直放置的两根平行金属导轨之间接有定值电阻R,质量不能忽略的金属棒与两导轨始终保持垂直并良好接触且无摩擦,棒与导轨的电阻均不计,整个装置放在匀强磁场中,磁场方向与导轨平面垂直,棒在竖直向上的恒力F作用下加速上升的一段时间内,力F做的功与安培力做的功的代数和等于

A.棒的机械能增加量

B.棒的动能增加量

C.棒的重力势能增加量

D.电阻R上放出的热量

答案A[解析]棒受重力G、拉力F和安培力FA的作用。由动能定理:即力F做的功与安培力做功的代数和等于机械能的增加量。选A。

(09山东卷)21.如图所示,一导线弯成半径为a的半圆形闭合回路。虚线MN右侧有磁感应强度为B的匀强磁场。方向垂直于回路所在的平面。回路以速度v向右匀速进入磁场,直径CD始络与MN垂直。从D点到达边界开始到C点进入磁场为止,下列结论正确的是

  A.感应电流方向下

  B.CD段直线始终小受安培力

  C.应电动势最大值E=Ba

  D.感应电动势平均值

答案:ACD

考点:楞次定律、安培力、感应电动势、左手定则、右手定则

解析:在闭合电路进入磁场的过程中,通过闭合电路的磁通量逐渐增大,根据楞次定律可知感应电流的方向为逆时针方向不变,A正确。根据左手定则可以判断,受安培力向下,B不正确。当半圆闭合回路进入磁场一半时,即这时等效长度最大为a,这时感应电动势最大E=Bav,C正确。感应电动势平均值,D正确。

提示:感应电动势公式只能来计算平均值,利用感应电动势公式计算时,l应是等效长度,即垂直切割磁感线的长度。

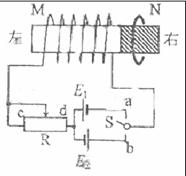
(09海南卷)4.一长直铁芯上绕有一固定线圈M,铁芯右端与一木质圆柱密接,木质圆柱上套有一闭合金属环N,N可在木质圆柱上无摩擦移动。M连接在如图所示的电路中,其中R为滑线变阻器,为直流电源,S为单刀双掷开关。下列情况中,可观测到N向左运动的是

    A.在S断开的情况下,S向a闭合的瞬间

    B.在S断开的情况下,S向b闭合的瞬间

    C.在S已向a闭合的情况下,将R的滑动头向c端移动时

    D.在S已向a闭合的情况下,将R的滑动头向d端移动时

(09江苏理综卷)17.如图所示,在磁感应强度大小为B、方向竖直向上的匀强磁场中,有一质量为、阻值为的闭合矩形金属线框用绝缘轻质细杆悬挂在点,并可绕点摆动。金属线框从右侧某一位置静止开始释放,在摆动到左侧最高点的过程中,细杆和金属线框平面始终处于同一平面,且垂直纸面。则线框中感应电流的方向是

A.

B.

C.先是,后是

D.先是,后是

答案B

[解析]由楞次定律,一开始磁通量减小,后来磁通量增大,由“增反”“减同”可知电流方向是

试题详情

20.(09重庆卷)题20图为一种早期发电机原理示意图,该发电机由固定的圆形线圈和一对用铁芯连接的圆柱形磁铁构成,两磁极相对于线圈平面对称,在磁极绕转轴匀速转动过程中,磁极中心在线圈平面上的投影沿圆弧运动,(是线圈中心),则

A.从X到O,电流由E经G流向F,先增大再减小

B.从X到O,电流由F经G流向E,先减小再增大

C.从O到Y,电流由F经G流向E,先减小再增大

D. 从O到Y,电流由E经G流向F,先增大再减小

答案:D

解析:在磁极绕转轴从X到O匀速转动,穿过线圈平面的磁通量向上增大,根据楞次定律可知线圈中产生瞬时针方向的感应电流,电流由F经G流向E,又导线切割磁感线产生感应电动势E=BLV,导线处的磁感应强度先增后减可知感应电动势先增加后减小、则电流先增大再减小,AB均错;

在磁极绕转轴从O到Y匀速转动,穿过线圈平面的磁通量向上减小,根据楞次定律可知线圈中产生逆时针方向的感应电流,电流由E经G流向F,又导线切割磁感线产生感应电动势E=BLV,导线处的磁感应强度先增后减可知感应电动势先增加后减小、则电流先增大再减小,C错、D对。

试题详情

14.(1)设粒子第1次经过狭缝后的半径为r1,速度为v1   qu=mv12    qv1B=m   解得 

同理,粒子第2次经过狭缝后的半径    则

(2)设粒子到出口处被加速了n圈解得 

(3)加速电场的频率应等于粒子在磁场中做圆周运动的频率,即

当磁场感应强度为Bm时,加速电场的频率应为   粒子的动能

时,粒子的最大动能由Bm决定

解得

时,粒子的最大动能由fm决定

解得

试题详情

14.(09江苏物理卷)(16分)1932年,劳伦斯和利文斯设计出了回旋加速器。回旋加速器的工作原理如图所示,置于高真空中的D形金属盒半径为R,两盒间的狭缝很小,带电粒子穿过的时间可以忽略不计。磁感应强度为B的匀强磁场与盒面垂直。A处粒子源产生的粒子,质量为m、电荷量为+q ,在加速器中被加速,加速电压为U。加速过程中不考虑相对论效应和重力作用。

             

(1)        求粒子第2次和第1次经过两D形盒间狭缝后轨道半径之比;

(2)        求粒子从静止开始加速到出口处所需的时间t ;

(3)        实际使用中,磁感应强度和加速电场频率都有最大值的限制。若某一加速器磁感应强度和加速电场频率的最大值分别为Bm、fm,试讨论粒子能获得的最大动能E

试题详情

23.(09北京卷)(18分)单位时间内流过管道横截面的液体体积叫做液体的体积流量(以下简称流量)。由一种利用电磁原理测量非磁性导电液体(如自来水、啤酒等)流量的装置,称为电磁流量计。它主要由将流量转换为电压信号的传感器和显示仪表两部分组成。

传感器的结构如图所示,圆筒形测量管内壁绝缘,其上装有一对电极和c,a,c间的距离等于测量管内径D,测量管的轴线与a、c的连接放像以及通过电线圈产生的磁场方向三者相互垂直。当导电液体流过测量管时,在电极a、c的间出现感应电东势E,并通过与电极连接的仪表显示出液体流量Q。设磁场均匀恒定,磁感应强度为B。

(1)已知,设液体在测量管内各处流速相同,试求E的大小(去3.0)

(2)一新建供水站安装了电磁流量计,在向外供水时流量本应显示为正值。但实际显示却为负值。经检查,原因是误将测量管接反了,既液体由测量管出水口流入,从如水口流出。因为已加压充满管道。不便再将测量管拆下重装,请你提出使显示仪表的流量指示变为正直的简便方法;

(3)显示仪表相当于传感器的负载电阻,其阻值记为 a、c间导电液体的电阻r随液体电阻率色变化而变化,从而会影响显示仪表的示数。试以E、R。r为参量,给出电极a、c间输出电压U的表达式,并说明怎样可以降低液体电阻率变化对显示仪表示数的影响。

[解析]

(1)导电液体通过测量管时,相当于导线做切割磁感线的运动,在电极a、c 间切割感应线的液柱长度为D, 设液体的流速为v,则产生的感应电动势为

E=BDv       ①

由流量的定义,有Q=Sv=      ②

式联立解得   

代入数据得   

(2)能使仪表显示的流量变为正值的方法简便,合理即可,如:

改变通电线圈中电流的方向,是磁场B反向,或将传感器输出端对调接入显示仪表。

(3)传感器的显示仪表构成闭合电路,有闭合电路欧姆定律

        

      ③

输入显示仪表是a、c间的电压U,流量示数和U一一对应, E 与液体电阻率无关,而r随电阻率的变化而变化,由③式可看出, r变化相应的U也随之变化。在实际流量不变的情况下,仪表显示的流量示数会随a、c间的电压U的变化而变化,增大R,使R>>r,则U≈E,这样就可以降低液体电阻率的变化对显示仪表流量示数的影响。

(09宁夏卷)16. 医生做某些特殊手术时,利用电磁血流计来监测通过动脉的血流速度。电磁血流计由一对电极a和b以及磁极N和S构成,磁极间的磁场是均匀的。使用时,两电极a、b均与血管壁接触,两触点的连线、磁场方向和血流速度方向两两垂直,如图所示。由于血液中的正负离子随血流一起在磁场中运动,电极a、b之间会有微小电势差。在达到平衡时,血管内部的电场可看作是匀强电场,血液中的离子所受的电场力和磁场力的合力为零。在某次监测中,两触点的距离为3.0mm,血管壁的厚度可忽略,两触点间的电势差为160µV,磁感应强度的大小为0.040T。则血流速度的近似值和电极a、b的正负为

A. 1.3m/s ,a正、b负      B. 2.7m/s , a正、b负

C.1.3m/s,a负、b正      D. 2.7m/s , a负、b正

答案A。

[解析]依据左手定则,正离子在磁场中受到洛伦兹力作用向上偏,负离子在磁场中受到洛伦兹力作用向下偏,因此电极a、b的正负为a正、b负;当稳定时,血液中的离子所受的电场力和磁场力的合力为零,则,可得,A正确。

试题详情

5.如图所示,在y<0的区域内存在匀强磁场,磁场方向垂直于xy平面并指向纸里,磁感应强度为B.一带负电的粒子(质量为m、电荷量为q)以速度v0O点射入磁场,入射方向在xy平面内,与x轴正向的夹角为θ.求:

(1)该粒子射出磁场的位置;

(2)该粒子在磁场中运动的时间.(粒子所受重力不计)

试题详情

4.已经知道,反粒子与正粒子有相同的质量,却带有等量的异号电荷.物理学家推测,既然有反粒子存在,就可能有由反粒子组成的反物质存在.1998年6月,我国科学家研制的阿尔法磁谱仪由“发现号”航天飞机搭载升空,寻找宇宙中反物质存在的证据.磁谱仪的核心部分如图所示,PQMN是两个平行板,它们之间存在匀强磁场区,磁场方向与两板平行.宇宙射线中的各种粒子从板PQ中央的小孔O垂直PQ进入匀强磁场区,在磁场中发生偏转,并打在附有感光底片的板MN上,留下痕迹.假设宇宙射线中存在氢核、反氢核、氦核、反氦核四种粒子,它们以相同速度v从小孔O垂直PQ板进入磁谱仪的磁场区,并打在感光底片上的abc、d四点,已知氢核质量为m,电荷量为ePQMN间的距离为L,磁场的磁感应强度为B.

(1)指出ab、c、d四点分别是由哪种粒子留下的痕迹?(不要求写出判断过程)

(2)求出氢核在磁场中运动的轨道半径;

(3)反氢核在MN上留下的痕迹与氢核在MN上留下的痕迹之间的距离是多少?

试题详情

3.电子自静止开始经MN板间(两板间的电压为u)的电场加速后从A点垂直于磁场边界射入宽度为d的匀强磁场中,电子离开磁场时的位置P偏离入射方向的距离为L,如图所示.求匀强磁场的磁感应强度.(已知电子的质量为m,电量为e)

试题详情

2.如图所示,x轴上方有垂直纸面向里的匀强磁场.有两个质量相同,电荷量也相同的带正、负电的离子(不计重力),以相同速度从O点射入磁场中,射入方向与x轴均夹θ角.则正、负离子在磁场中

A.运动时间相同         

B.运动轨道半径相同

C.重新回到x轴时速度大小和方向均相同

D.重新回到x轴时距O点的距离相同

试题详情


同步练习册答案