0  419245  419253  419259  419263  419269  419271  419275  419281  419283  419289  419295  419299  419301  419305  419311  419313  419319  419323  419325  419329  419331  419335  419337  419339  419340  419341  419343  419344  419345  419347  419349  419353  419355  419359  419361  419365  419371  419373  419379  419383  419385  419389  419395  419401  419403  419409  419413  419415  419421  419425  419431  419439  447090 

10.(09·西城模拟)如图,线圈M和线圈N绕在同一铁芯上。M与电源、开关、滑动变阻器相连,P为滑动变阻器的滑动端,开关S处于闭合状态。N与电阻R相连。下列说法正确的是              (  AD  ) 

A.当P向右移动,通过R的电流为ba

B.当P向右移动,通过R的电流为ab

C.断开S的瞬间,通过R的电流为ba

D.断开S的瞬间,通过R的电流为ab

试题详情

9.(09·睢宁中学模拟)在如图所示的罗辑电路中,当A端输入电信号“1”、B端输入电信号“0”时,则在CD端输出的电信号分别为              (  C  )                                 

(A)1和0                  (B)0和1

(C)1和1                   (D)0和0

 

试题详情

8.(09·苏苑高中模拟)竖直放置的一对平行金属板的左极板上用绝缘线悬挂了一个带正电的小球,将平行金属板按图所示的电路图连接,绝缘线与左极板的夹角为θ。当滑动变阻器Ra位置时,电流表的读数为I1,夹角为θ1当滑片在b位置时,电流表的读数为I2,夹角为θ2,则  (  D  )

A.   B.

C.   D.

试题详情

7.(09·丰台模拟)某变电站用原副线圈匝数比为n1:n2的变压器,将远距离输来的电能送到用户,如图所示。将变压器看作理想变压器,当正常工作时,下列说法正确的是                  ( C )

A. 原副线圈电压比为n2n1

B.原副线圈电流比为n1n2

C.原副线圈电压比为n1n2

D.变压器的输入功率与输出功率的比为n1:n2

试题详情

6.(郴州市2009届高三调研试题)如图所示,在电路两端接上交变电流,保持电压不变,使频率增大,发现各灯的亮暗变化情况是:灯l变暗、灯2变亮、灯3不变,则M、N、L处所接元件可能是      (  C  )

  A.M为电阻,N为电容器,L为电感器

  B.M为电阻,N为电感器,L为电容器

  C.M为电感器,N为电容器,L为电阻

  D.M为电容器,N为电感器,L为电阻

试题详情

5.(09·崇文模拟)图甲、图乙分别表示两种电压的波形,其中图甲所示电压按正弦规律变化,下列说法正确的是                               (  D  )

 

A.图甲表示交流电,图乙表示直流电  

B.两种电压的有效值都是311V

C.图甲所示电压的瞬时值表达式为u=220sin100πt(V)

D.图甲所示电压经原、副线圈匝数比为10:1的理想变压器变压后,功率比为1:1

试题详情

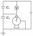
4.(09·启东中学模拟)在如下图所示的静电实验电路中,已知电容器的电容C1=C2=C3,电源的电动势为E,内阻

r,电压表的内阻为10kΩ,当电路达到稳定状态后,则        (  D  )

A.电压表和静电计上的电势差相等,都是E/2

B.电压表上电势差比静电计上的电势差大些

C.静电计上电势差为零

D.电压表上电势差为零

试题详情

3.(09·三校模拟)如图所示是一个基本逻辑电路。声控开关、光敏电阻、小灯泡等元件构成的一个自动控制电路。该电路的功能是在白天无论声音多么响,小灯泡都不会亮,在晚上,只要有一定的声音,小灯泡就亮。这种电路现广泛使用于公共楼梯间,该电路虚线框N中使用的是门电路.则下面说法正确的是                 ( A  )

A.R2为光敏电阻,N为与门电路

B.R2为光敏电阻,N 为或门电路

C.R2为光敏电阻,N为非门电路

D.R2为热敏电阻,N为非门电路

试题详情

1. (09·崇文模拟)如图所示,为两个有界匀强磁场,磁感应强度大小均为B,方向分别垂直纸面向里和向外,磁场宽度均为L,距磁场区域的左侧L处,有一边长为L的正方形导体线框,总电阻为R,且线框平面与磁场方向垂直,现用外力F使线框以速度v匀速穿过磁场区域,以初始位置为计时起点,规定:电流沿逆时针方向时的电动势E为正,磁感线垂直纸面向里时磁通量Φ的方向为正,外力F向右为正。则以下关于线框中的磁通量Φ、感应电动势E、外力F和电功率P随时间变化的图象正确的是                (  D  )

 

 2.(郴州市2009届高三调研试题).如图所示,两条柔软的导线与两根金属棒相连,组成闭合电路,且上端金属棒固定,下端金属棒自由悬垂.如果穿过回路的磁场逐渐增强,下面金属棒可能的运动情况是                                (  C  )

   A.向左摆动         B.向右摆动

C.向上运动         D.不动

试题详情

题组一

2009年联考题

试题详情


同步练习册答案