题目列表(包括答案和解析)

 0  121348  121356  121362  121366  121372  121374  121378  121384  121386  121392  121398  121402  121404  121408  121414  121416  121422  121426  121428  121432  121434  121438  121440  121442  121443  121444  121446  121447  121448  121450  121452  121456  121458  121462  121464  121468  121474  121476  121482  121486  121488  121492  121498  121504  121506  121512  121516  121518  121524  121528  121534  121542  447348 

22. (l6分)某些城市交通部门规定汽车在市区某些街道行驶速度不得超过vm=30km/h。一辆汽车在该水平路段紧急刹车时车轮抱死,沿直线滑行一段距离后停止,交警测得车轮在地面上滑行的轨迹长sm=10m。从手册中查出该车车轮与地面间的动摩擦因数0.72,取g=10m/s2

   (l)请你通过计算判断汽车是否超速行驶;

   (2)目前,有一种先进的汽车制动装置,可保证车轮在制动时不被抱死,使车轮仍有一定的滚动。安装了这种防抱死装置的汽车,在紧急刹车时可获得比车轮抱死更大的制动力,从而使刹车距离大大减小。假设汽车安装防抱死装置后刹车制动力恒为F,驾驶员的反应时间为t,汽车的质量为m,汽车刹车前匀速行驶的速度为v,试推出驾驶员发现情况后,紧急刹车时的安全距离s的表达式。

试题详情

21. (18分)

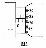
  (1)有一游标卡尺,主尺的最小分度是1mm,游标上有20个小的等分刻度。用它测量一小球的直径,如图1所示的读数是__________mm。

用螺旋测微器测量一根金属丝的直径,如图2所示的读数是_________mm。

(2)某同学在实验室测汽车电热器Rx的电功率,此电热器额定电压为12V(车用蓄电池输出的最高直流电压)。该同学用学生电源代替蓄电池,输出电压为16V,导线、开关等已经备齐,供选择的器材还有:

   A. 电流表(0~3A,0.l)

   B. 电流表(0~0.6A,10)

   C. 电压表(0~3V,1k)

   D. 电压表(0~15V,30k)

   E. 滑动变阻器(0~10,0.5A)

   F. 滑动变阻器(0~10,2A)

该同学测量的数据记录如下

U/V
2.2
3.0
5.0
8.0
10.0
12.0
I/A
0.15
0.20
0.30
0.40
0.45
0.50

①合理选择使用的器材:电流表选_________,电压表选__________,滑动变阻器选_____________。(填写序号字母)

②在图甲的方框中画出合理的电路图。

③在图乙的坐标纸上作出U-I图象。

④电热器的额定功率为____________W。

试题详情

20. 如图所示,质量为m的物块甲以3m/s的速度在光滑水平面上运动,有一轻弹簧固定其上,另一质量也为m的物块乙以4m/s的速度与甲相向运动。则

   A. 甲、乙两物块在弹簧压缩过程中,由于弹力作用,甲、乙(包括弹簧)构成的系统动量不守恒

   B. 当两物块相距最近时,甲物块的速率为零

   C. 当甲物块的速率为1m/s时,乙物块的速率可能为2m/s,也可能为0

   D. 甲物块的速率可能达到5m/s

第II卷   (非选择题  共180分)

本卷共11小题,共180分。

试题详情

19. 如图所示,理想变压器初级线圈的匝数为n1,次级线圈的匝数为n2,初级线圈两端a、b接正弦交流电源,电压表V的示数为220V,负载电阻R=44时,电流表A1的示数为0.20A。初级和次级线圈的匝数比为

A. 1:5       B. 5:1       C. 1:10       D. 10:1

试题详情

18. 在如图所示的电路中,电源两端a、b间的电压恒定不变。开始时S断开,电容器上充有电荷。闭合S后,以下判断正确的是

   A. C1所带电量增大,C2所带电量减小

   B. C1所带电量减小,C2所带电量增大

   C. C1、C2所带电量均增大

   D. C1、C2所带电量均减小

试题详情

17. 如图所示,有一等腰直角三棱镜ABC,它对各种色光的临界角都小于45°。一束平行于BC面的白光射到AB面上,进入三棱镜后射到BC面上,则光束

A. 各色光从BC面上不同点射出    

B. 各色光从BC面上同一点射出

C. 各色光从AC面上不同点射出  

D. 各色光从AC面上同一点射出

试题详情

16. 一列沿x轴正向传播的横波在某时刻的波形图如图甲所示。a、b、c、d为介质中沿波的传播方向上四个质点的平衡位置,若从该时刻开始计时,则图乙是下面哪个质点经过个周期后的振动图象

   A. a处质点    B. b处质点    C. c处质点      D. d处质点

试题详情

15. 在高为h的平台上,以速度v0水平抛出一石子,不计空气阻力,则石子从抛出到落地经过的时间

A. 只与v0有关,v0越大,时间越长  

B. 只与h有关,h越大,时间越长

C. 与v0、h都有关           

D. 与v0、h都无关

试题详情

14. 某核反应方程为。已知的质量为的质量为的质量为4.0026u,X的质量为。则下列说法中正确的是

A. X是中子,该反应释放能量    

B. X是质子,该反应释放能量

C. X是中子,该反应吸收能量    

D. X是质子,该反应吸收能量

试题详情

13. 根据热力学定律和分子动理论,可知下列说法正确的是

   A. 布朗运动是液体分子的无规则运动,它说明分子永不停息地做无规则运动

   B. 我们可以利用高科技手段,将流散到周围环境中的内能重新收集起来加以利用而不引起其他变化

   C. 当分子间的距离增大时,分子间的引力增大,斥力减小,所以分子间作用力表现为引力

D. 不可能从单一热源吸收热量并把它全部用来做功而不引起其他变化

试题详情


同步练习册答案