题目列表(包括答案和解析)

 0  121551  121559  121565  121569  121575  121577  121581  121587  121589  121595  121601  121605  121607  121611  121617  121619  121625  121629  121631  121635  121637  121641  121643  121645  121646  121647  121649  121650  121651  121653  121655  121659  121661  121665  121667  121671  121677  121679  121685  121689  121691  121695  121701  121707  121709  121715  121719  121721  121727  121731  121737  121745  447348 

学科

 
分数
 
卷型
 

Ⅰ卷
Ⅱ卷
总分
生物
 
 
 
化学
 
 
 
物理
 
 
 
理综
 

22.

试题详情

31.(22分)某校生物探究活动小组的同学对人群中遗传性高度近视的家庭进行调查,调查结果如下表:

双亲性状
调查的家庭数
子女总人数
 
子女高度近视人数


双亲均正常
71
197
36
32
父方正常,母方高度近视
5
14
3
3
父方高度近视,母方正常
4
12
3
3
双方均高度近视
4
12
4
7
合  计
84
235
46
45

分析表中数据,回答下列问题:

(1)控制高度近视的基因位于______________上,遗传方式是__________性遗传。主要理由是①__________________________________。②_______________________________。该基因不在细胞质中的  理由是___________________________________________________。

   (2)在调查中他们还发现了一个有趣的现象,一对单眼皮的夫妇生了一个双眼皮的孩子甲,而另一对双眼皮的夫妇却生了一个单眼皮的孩子乙,并且这种现象在人群中多次出现。他们百思不得其解,询问有关老师后得知,该性状由一对位于常染色体上的等位基因A(双眼皮)和a(单眼皮)控制,在男性中杂合体表现为单眼皮,在女性中杂合体表现为双眼皮。

   ①请写出此性状在男女两性中的各种表现型和相应的基因型:

②请判断甲、乙两人的性别和基因型:

   甲为__________性,基因型为__________;乙为___________性,基因型为_________。

(3)简要说明你做出这种判断的理由:______________________________

  _______________________________________________________________________________  _______________________________________________________________________________   ______________________________________________________________________________。

高三年级模拟考试

理综试题(元月5日)

试题详情

30.(20分)某同学利用下列装置研究CO2含量以及光照强度对蚕豆光合作用的综合影响。实验时使用生长发育状况一致的蚕豆植株在室温25℃下进行,通过缓冲液调节密室内CO2浓度的相对恒定。对各组试验装置精确测量的液滴移动数值记录如右表,请分析回答下列问题:

 

  (1)在较强光照下,每组装置中液滴右移的生理原因是____________________________

________________________________________。第3、4两组的结果相同,限制第4组装置光合作用的非生物因素主要是_________________________。

   (2)各组装置虽都置于25℃环境下,但有的同学认为液滴移动的量并不一定真正代表净光合作用释放O2的量,因为光照引起的温度升高会导致密闭小室内气体的物理性膨胀。请你对该实验进行改进,改进的具体方法是____________________________________________

  ______________________________________________________________________________。

(3)若在1组和2组之间增加一组实验,光强为8001x,CO2浓度为0.05%。预期这一条件下装置中液滴向右移动的范围是在___________mm/h之间。

   (4)该装置中若把第5组的条件突然换成第1组的条件,短时间内叶肉细胞中C3化合物的量将________________。

   (5)若给该密室中通入C18O2,一段时间后,装置内能否出现18O2请用文字或图解简要说明:__________________________________________________________________。

   (6)若蚕豆苗在该装置中培养的时间过长,会发现有部分新叶片开始发黄,其原因可能是体内缺乏_______________元素。

   (7)请你利用该装置研究叶片有氧呼吸强度随时间而变化的趋势。

   I.方法步骤:

   ①其它装置和条件保持不变。

   ②______________________________________________________________________。

   ③______________________________________________________________________。

   Ⅱ.预期结果:__________________________________________________________。

试题详情

29.(16分)一种用于治疗高血脂的新药灭脂灵,是按如图所示路线合成。(部分反应条件省略)H的分子式为C10H22O3,试回答:

 

(1)写出结构简式:

   C:______________________________。K:__________________________________。

(2)能使FeCl3变紫色的D的同分异构体有____________种,请写出任意一种的

结构简式:__________________________。

   (3)写出下列反应的化学方程式,并注明反应类型

反应②____________________________________________; ___________________;

   F与新制的Cu(OH)2悬浊液反应

   ________________________________________________;_______________________。

(4)试计算:B的氧化产物9.2g与足量的NaCO3溶液反应在标准状况下所放出气体的体积。

(写出计算过程和结果。)

试题详情

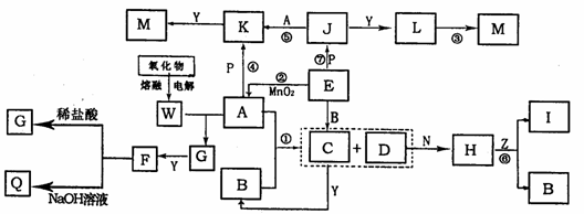
28.(16分)下图中,A为气体非金属单质,D是空气中含量最多的气体,B、E、Z为无色氢化物,其中B、E为有刺激性气味的气体,C是由三种短周期非金属元素组成的离子化合物,F、I、L为白色沉淀,N、P、W是金属单质,P为目前应用最广泛的金属;反应②在E的浓溶液中进行,反应⑦在E的稀溶液中进行,反应②、⑦均可用于实验室制取某种气体(图中部分反应物和生成物没有列出)

   (已知:Mg3N2+6H2O=3Mg(OH)2↓+2NH3↑)

 

请按要求回答:

   (1)写出C的电子式:_________________,I的化学式:______________________;

(2)反应③的化学方程式为:___________________________________________________;

   (3)反应⑤的离子方程式为:___________________________________________________。

   (4)实验室保存J溶液的方法是:_______________________________________________;

   (5) AgNO3溶液中滴入B的水溶液至过量,此过程中观察到的现象是:_______________

_________________________________________________________________;过量时化学反应方程式是:_____________________________________________________________。

  (6)沉淀F→Q的离子方程式为________________________________________________。

试题详情

27.(14分)  某课外小组利用以下装置探究氯气与氨气之间的反应。其中A、F分别为氨气和氯气的发生装置,C为纯净、干燥的氯气与氨气反应的装置。

  

请回答下列问题:

(1)装置F中发生反应的离子方程式___________________________________________。

   (2)装置A中烧瓶内的固体宜选用__________________________(选填以下选项的代号)

   A.碱石灰   B.生石灰   C.二氧化硅   D.五氧化二磷   E.烧碱

(3)虚线内应添加必要的除杂装置,请从上图的备选装置中选择,并将编号填入下列

空格。

   B__________________、D_____________________。

   (4)氯气和氨气在常温下相混合就会反应生成氯化铵和氮气,该反应的化学方程式为

_______________________________________________________。装置C内出现浓厚的白烟并在容器内壁凝结,请设计一个实验方案鉴定该固体就是氯化铵:

_______________________________________________________________________________

_______________________________________________________________________________

   (5)若从装置C的G处逸出的尾气中含有N2和少量Cl2,应如何处理才能不污染环境?

_______________________________________________________________________________

试题详情


同步练习册答案