题目列表(包括答案和解析)

 0  136527  136535  136541  136545  136551  136553  136557  136563  136565  136571  136577  136581  136583  136587  136593  136595  136601  136605  136607  136611  136613  136617  136619  136621  136622  136623  136625  136626  136627  136629  136631  136635  136637  136641  136643  136647  136653  136655  136661  136665  136667  136671  136677  136683  136685  136691  136695  136697  136703  136707  136713  136721  447348 

4.(3分)有两只完全相同的电流表,分别改装成一只电流表和一只电压表,一位同学在做实验时误将这两只表(电流表和电压表)串联起来连接在电路中,则两只表上的指针可能出现下列哪些现象??

A.两表指针的偏角相同

B.两表的指针都不偏转

C.电压表的指针有偏转,电流表的指针几乎不偏转

D.电流表的指针有偏转,电压表的指针几乎不偏转

试题详情

3.(4分)用恒定电流的电流场模拟静电场描绘等势线时,下列模拟实验的设计合理的是_________(填选项)

A.如图⑴所示圆柱形电极MN都接电源的正极,模拟等量正点电荷周围的静电场

B.如图⑵所示圆柱形电极M接电源正极,圆环形电极N接电源负极,模拟正点电荷周围附近的静电场

C.如图⑶所示两个平行的长条形电极MN分别接电源正、负极,模拟平行板电容器间的静电场

D.如图⑷所示圆柱形电极M接电源负极,模拟负点电荷周围的静电场

试题详情

2.(3分)探究楞次定律的实验中除需要已知绕向的螺线管、条形磁铁外,还要用到电表,请从下列电表中选择

A.量程为0-3V的-电压表     

B.量程为0-3A的电流表

C.量程为0-0.6A的电流表     

D.灵敏电流计

试题详情

1.(3分)关于欧姆表盘上的刻度,下列叙述中正确的是 

A.零刻度在右端,整个刻度盘均匀等分

B.零刻度在右端,整个刻度盘不均匀

C.零刻度在左端,整个刻度盘均匀等分

D.零刻度在左端,整个刻度盘不均匀

试题详情

23.(14分)如图所示的变压器原线圈1接到220 V的交流电源上,副线圈2的匝数为n2=30匝,与一个“12 V、12 W”的灯泡L连接,L能正常发光,副线圈3的输出电压U3=110 V,与电阻R连接,通过R的电流为0.4 A,求: 

  

(1)副线圈3的匝数n3

(2)原线圈1的匝数n1和电流I1

试题详情

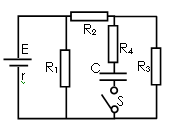
22.(10分)在如图所示的电路中,电源的电动势E=3.0 V,内阻r=1.0 Ω;电阻R1=10 Ω,R2=10 Ω,R3=30 Ω,R4=35 Ω;电容器的电容C=100 μF,电容器原来不带电。求接通电键S后流过R4的总电量。

试题详情

21.(9分)为了测定电池的电动势和内电阻,按图中所示的电路把滑动变阻器和电流表与电池串联,并把一个电压表接到电池的两极。当变阻器的滑动片移到某一位置时,电流表和电压表的示数各为0.2安培和1.8伏特,把滑动片移到另一位置时,他们的示数各变成0.4安培和1.6伏特,求电池的电动势和内电阻。

试题详情

20.(6分)交流发电机电枢电阻为2欧,感应电动势瞬时值表达式为(V),给电阻的用电器供电,电表均为理想表,则

(1)电流表读数是多少?

(2)电源输出功率为多少?

(3)电压表的读数是多少?

试题详情

19.(9分)图甲为某同学测绘额定电压为2.5V的小灯泡的I-U图线的实验电路图。

(1)根据电路图,用笔画线代替导线,将图(乙)中的实验电路连接成完整试验电路。

(2)开关S闭合之前,图(乙)中滑动变阻器的滑片应该置于      (选填“A端”、“B端”或“AB正中间”)。

(3)已知小灯泡灯丝在27℃时电阻值约为1.5Ω,并且其电阻值与灯丝的热力学温度成正比(热力学温度T与摄氏温度t的关系为T=273+t),根据图(丙)画出的小灯泡I-U特性曲线,估算该灯泡以额定功率工作时灯丝的温度约为      ℃(保留两位有效数字)。

试题详情

18.(5分)某实验小组用三只相同的小灯泡,连线如图所示电路,研究串并联电路特点,实验中观察到的现象是

  

A.K2断开,K1与a连接,三只灯泡亮度相同

B.K2断开,K1与b连接,三只灯泡亮度相同

C.K2闭合,K1与a连接,三只灯泡都发光,L1、L2亮度相同

D.K2闭合,K1与b连接,三只灯泡都发光,L3亮度小于L2的亮度

试题详情


同步练习册答案