题目列表(包括答案和解析)

 0  136551  136559  136565  136569  136575  136577  136581  136587  136589  136595  136601  136605  136607  136611  136617  136619  136625  136629  136631  136635  136637  136641  136643  136645  136646  136647  136649  136650  136651  136653  136655  136659  136661  136665  136667  136671  136677  136679  136685  136689  136691  136695  136701  136707  136709  136715  136719  136721  136727  136731  136737  136745  447348 

11、在如图所示的电路中,若该伏特表和安培表的位置互换,则可能发生的情况是

(A)伏特表将被烧坏  (B)安培表将被烧坏

(C)灯泡不能发光    (D)灯泡将被烧坏

试题详情

10、关于电磁场和电磁波,下列叙述中正确的是(  )

A、均匀变化的电场在它周围空间产生均匀变化的磁场;

B、电磁波和机械波一样依赖于媒质传播;

C、电磁波是横波,它的传播速度与介质无关;

D、只要空间某个区域有振荡的电场或磁场,就能产生电磁波。

试题详情

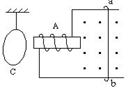
9、如图5所示,要使金属环C向线圈A运动,导线AB在金属导轨上应(  )

A.向右做减速运动    B.向左做减速运动  C.向右做加速运动    D.向左做加速运动

试题详情

8、将输入电压为220V、输出电压为6V的变压器改绕成输出电压为30V的变压器,副线圈原来的匝数为30匝,若原线圈的匝数不变,则副线圈应增加的匝数为( )

A.150匝  B.144匝   C.130匝    D.120匝

试题详情

7、如图3所示,当直导线中的电流不断增加时,A、B两轻线圈的运动情况是( )

A.A向左,B向右   B.A向右,B向左   C.均向左    D.均向右

试题详情

6、下列说法中正确的是( )

A.闭合电路中,电流总是从高电势流向低电势;B.闭合电路中,电流强度越大,电源输出功率越大

C.闭合电路中,输出功率越大,电源效率越高;  D.闭合电路中,路端电压越高,电源效率越高

试题详情

5、在竖直向下的匀强电场和水平方向的匀强磁场正交的区域里, 一带电粒子从a点由静止开始沿曲线abc运动到c点时速度变为零, b点是运动中能够到达的最高点, 如图所示, 若不计重力, 下列说法中正确的是

   A.粒子肯定带负电, 磁场方向垂直于纸面向里;  B.ac点处于同一水平线上;

   C.粒子通过b点时速率最大;      D.粒子达到c点后将沿原路径返回到a

试题详情

4、如图所示的空间存在着水平向左的匀强电场E和垂直纸面向里的匀强磁场B。一个质量为m、带电量为q的小球套在不光滑的足够长的竖直绝缘杆上自静止开始下滑, 则

  A.小球的加速度不断减小, 直至为零。   B.小球的加速度先增加后减小, 最终为零

  C.小球的速度先增大后减小, 最终为零   D.小球的动能不断增大, 直至某一最大值

试题详情

3、  把一个线圈以不同大小的速度从匀强磁场中拉出来,相同的量是:

A、外力做的功;      B、外力的功率;

C、回路中的电流;     D、通过回路中某截面的电量。

试题详情

2、在电阻的测量的实验中,内接与外接对测量的影响,下列说法正确的是

A、内接法,测量值偏大   B、外接法,测量值偏大

C、内接法是电流不真实   D、电阻测量与接法无关

试题详情


同步练习册答案