题目列表(包括答案和解析)

 0  137262  137270  137276  137280  137286  137288  137292  137298  137300  137306  137312  137316  137318  137322  137328  137330  137336  137340  137342  137346  137348  137352  137354  137356  137357  137358  137360  137361  137362  137364  137366  137370  137372  137376  137378  137382  137388  137390  137396  137400  137402  137406  137412  137418  137420  137426  137430  137432  137438  137442  137448  137456  447348 

25.(09年山东卷)(18分)如图甲所示,建立Oxy坐标系,两平行极板P、Q垂直于y轴且关于x轴对称,极板长度和板间距均为l,第一四象限有磁场,方向垂直于Oxy平面向里。位于极板左侧的粒子源沿x轴间右连接发射质量为m、电量为+q、速度相同、重力不计的带电粒子在0~3t时间内两板间加上如图乙所示的电压(不考虑极边缘的影响)。

已知t=0时刻进入两板间的带电粒子恰好在t0时,刻经极板边缘射入磁场。上述m、q、l、l0、B为已知量。(不考虑粒子间相互影响及返回板间的情况)

(1)求电压U的大小。

(2)求时进入两板间的带电粒子在磁场中做圆周运动的半径。

(3)何时把两板间的带电粒子在磁场中的运动时间最短?求此最短时间。

 

解析:(1)时刻进入两极板的带电粒子在电场中做匀变速曲线运动,时刻刚好从极板边缘射出,在y轴负方向偏移的距离为,则有

联立以上三式,解得两极板间偏转电压为④。

(2)时刻进入两极板的带电粒子,前时间在电场中偏转,后时间两极板没有电场,带电粒子做匀速直线运动。带电粒子沿x轴方向的分速度大小为

带电粒子离开电场时沿y轴负方向的分速度大小为

带电粒子离开电场时的速度大小为

设带电粒子离开电场进入磁场做匀速圆周运动的半径为R,则有

联立③⑤⑥⑦⑧式解得⑨。

(3)时刻进入两极板的带电粒子在磁场中运动时间最短。带电粒子离开磁场时沿y轴正方向的分速度为⑩,设带电粒子离开电场时速度方向与y轴正方向的夹角为,则,联立③⑤⑩式解得,带电粒子在磁场运动的轨迹图如图所示,圆弧所对的圆心角为,所求最短时间为,带电粒子在磁场中运动的周期为,联立以上两式解得

考点:带电粒子在匀强电场、匀强磁场中的运动。

试题详情

11.(09年天津卷)(18分)如图所示,直角坐标系xOy位于竖直平面内,在水平的x轴下方存在匀强磁场和匀强电场,磁场的磁感应为B,方向垂直xOy平面向里,电场线平行于y轴。一质量为m、电荷量为q的带正电的小球,从y轴上的A点水平向右抛出,经x轴上的M点进入电场和磁场,恰能做匀速圆周运动,从x轴上的N点第一次离开电场和磁场,MN之间的距离为L, 小球过M点时的速度方向与x轴的方向夹角为.不计空气阻力,重力加速度为g,求

(1)    电场强度E的大小和方向;

(2)    小球从A点抛出时初速度v0的大小;

(3)    A点到x轴的高度h.

答案:(1),方向竖直向上  (2)    (3)

解析:本题考查平抛运动和带电小球在复合场中的运动。

(1)小球在电场、磁场中恰能做匀速圆周运动,说明电场力和重力平衡(恒力不能充当圆周运动的向心力),有

                      ①

                    ②

重力的方向竖直向下,电场力方向只能向上,由于小球带正电,所以电场强度方向竖直向上。

(2)小球做匀速圆周运动,O′为圆心,MN为弦长,,如图所示。设半径为r,由几何关系知

                        ③

小球做匀速圆周运动的向心力由洛仑兹力白日提供,设小球做圆周运动的速率为v,有

                 ④

   由速度的合成与分解知

                        ⑤

由③④⑤式得

                       ⑥

(3)设小球到M点时的竖直分速度为vy,它与水平分速度的关系为

                       ⑦

由匀变速直线运动规律

                      ⑧

由⑥⑦⑧式得

                               ⑨

试题详情

25.(09年全国卷Ⅱ) (18分)如图,在宽度分别为的两个毗邻的条形区域分别有匀强磁场和匀强电场,磁场方向垂直于纸面向里,电场方向与电、磁场分界线平行向右。一带正电荷的粒子以速率v从磁场区域上边界的P点斜射入磁场,然后以垂直于电、磁场分界线的方向进入电场,最后从电场边界上的Q点射出。已知PQ垂直于电场方向,粒子轨迹与电、磁场分界线的交点到PQ的距离为d。不计重力,求电场强度与磁感应强度大小之比及粒子在磁场与电场中运动时间之比。

答案:

解析:本题考查带电粒子在有界磁场中的运动。

粒子在磁场中做匀速圆周运动,如图所示.由于粒子在分界线处的速度与分界线垂直,圆心O应在分界线上,OP长度即为粒子运动的圆弧的半径R.由几何关系得

………①

设粒子的质量和所带正电荷分别为m和q,由洛仑兹力公式和牛顿第二定律得

……………②

为虚线与分界线的交点,,则粒子在磁场中的运动时间为……③

式中有………④粒子进入电场后做类平抛运动,其初速度为v,方向垂直于电场.设粒子的加速度大小为a,由牛顿第二定律得…………⑤

由运动学公式有……⑥          ………⑦

由①②⑤⑥⑦式得…………⑧

由①③④⑦式得

试题详情

2.(09年海南物理)一根容易形变的弹性导线,两端固定。导线中通有电流,方向如图中箭头所示。当没有磁场时,导线呈直线状态:当分别加上方向竖直向上、水平向右或垂直于纸面向外的匀强磁场时,描述导线状态的四个图示中正确的是

答案:D

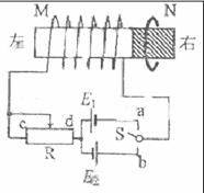
(09年海南物理)4.一长直铁芯上绕有一固定线圈M,铁芯右端与一木质圆柱密接,木质圆柱上套有一闭合金属环N,N可在木质圆柱上无摩擦移动。M连接在如图所示的电路中,其中R为滑线变阻器,为直流电源,S为单刀双掷开关。下列情况中,可观测到N向左运动的是

A.在S断开的情况下,S向a闭合的瞬间

B.在S断开的情况下,S向b闭合的瞬间

C.在S已向a闭合的情况下,将R的滑动头向c端移动时

D.在S已向a闭合的情况下,将R的滑动头向d端移动时

答案:C

(09年全国卷Ⅰ)26(21分)如图,在x轴下方有匀强磁场,磁感应强度大小为B,方向垂直于x y平面向外。P是y轴上距原点为h的一点,N0为x轴上距原点为a的一点。A是一块平行于x轴的挡板,与x轴的距离为,A的中点在y轴上,长度略小于。带点粒子与挡板碰撞前后,x方向的分速度不变,y方向的分速度反向、大小不变。质量为m,电荷量为q(q>0)的粒子从P点瞄准N0点入射,最后又通过P点。不计重力。求粒子入射速度的所有可能值。

解析:设粒子的入射速度为v,第一次射出磁场的点为,与板碰撞后再次进入磁场的位置为.粒子在磁场中运动的轨道半径为R,有…⑴

粒子速率不变,每次进入磁场与射出磁场位置间距离保持不变有…⑵

粒子射出磁场与下一次进入磁场位置间的距离始终不变,与相等.由图可以看出……⑶

设粒子最终离开磁场时,与档板相碰n次(n=0、1、2、3…).若粒子能回到P点,由对称性,出射点的x坐标应为-a,即……⑷

由⑶⑷两式得……⑸

若粒子与挡板发生碰撞,有……⑹

联立⑶⑷⑹得n<3………⑺

联立⑴⑵⑸得

………⑻

代入⑻中得

…………⑼

…………⑾

…………⑿

试题详情

19.(09年重庆卷)在题19图所示电路中,电池均相同,当电键S分别置于a、b两处时,导线之间的安培力的大小为,判断这两段导线

A.相互吸引,>

B.相互排斥,>

C.相互吸引, <

D.相互排斥,<

答案:D

(09年安徽卷)19. 右图是科学史上一张著名的实验照片,显示一个带电粒子在云室中穿过某种金属板运动的径迹。云室旋转在匀强磁场中,磁场方向垂直照片向里。云室中横放的金属板对粒子的运动起阻碍作用。分析此径迹可知粒子

A. 带正电,由下往上运动

B. 带正电,由上往下运动

C. 带负电,由上往下运动

D. 带负电,由下往上运动

答案: A

解析:粒子穿过金属板后,速度变小,由半径公式可知,半径变小,粒子运动方向为由下向上;又由于洛仑兹力的方向指向圆心,由左手定则,粒子带正电。选A。

(09年宁夏卷)16. 医生做某些特殊手术时,利用电磁血流计来监测通过动脉的血流速度。电磁血流计由一对电极a和b以及磁极N和S构成,磁极间的磁场是均匀的。使用时,两电极a、b均与血管壁接触,两触点的连线、磁场方向和血流速度方向两两垂直,如图所示。由于血液中的正负离子随血流一起在磁场中运动,电极a、b之间会有微小电势差。在达到平衡时,血管内部的电场可看作是匀强电场,血液中的离子所受的电场力和磁场力的合力为零。在某次监测中,两触点的距离为3.0mm,血管壁的厚度可忽略,两触点间的电势差为160µV,磁感应强度的大小为0.040T。则血流速度的近似值和电极a、b的正负为

A. 1.3m/s ,a正、b负      B. 2.7m/s , a正、b负

C.1.3m/s,a负、b正      D. 2.7m/s , a负、b正

答案:A

(09年安徽卷)20. 如图甲所示,一个电阻为R,面积为S的矩形导线框abcd,水平旋转在匀强磁场中,磁场的磁感应强度为B方向与ad边垂直并与线框平面成450角,oo’ 分别是abcd边的中点。现将线框右半边obco’ oo’ 逆时针900到图乙所示位置。在这一过程中,导线中通过的电荷量是

A.      B.      C.     D. 0

答案:A

解析:对线框的右半边(obco′)未旋转时整个回路的磁通量。对线框的右半边(obco′)旋转90o后,穿进跟穿出的磁通量相等,如右图整个回路的磁通量。根据公式。选A

试题详情

12.(09年广东物理)图是质谱仪的工作原理示意图。带电粒子被加速电场加速后,进入速度选择器。速度选择器内相互正交的匀强磁场和匀强电场的强度分别为BE。平板S上有可让粒子通过的狭缝P和记录粒子位置的胶片A1A2。平板S下方有强度为B0的匀强磁场。下列表述正确的是

A.质谱仪是分析同位素的重要工具

B.速度选择器中的磁场方向垂直纸面向外

C.能通过的狭缝P的带电粒子的速率等于E/B

D.粒子打在胶片上的位置越靠近狭缝P,粒子的荷质比越小

答案:ABC

解析:由加速电场可见粒子所受电场力向下,即粒子带正电,在速度选择器中,电场力水平向右,洛伦兹力水平向左,如图所示,因此速度选择器中磁场方向垂直纸面向外B正确;经过速度选择器时满足,可知能通过的狭缝P的带电粒子的速率等于E/B带电粒子进入磁场做匀速圆周运动则有,可见当v相同时,,所以可以用来区分同位素,且R越大,比荷就越大,D错误。

(09年广东理科基础)1.发现通电导线周围存在磁场的科学家是

A.洛伦兹   B.库仑

C.法拉第   D.奥斯特

答案:B

解析:发现电流的磁效应的科学家是丹麦的奥斯特.而法拉第是发现了电磁感应现象。

(09年广东理科基础)13.带电粒子垂直匀强磁场方向运动时,会受到洛伦兹力的作用。下列表述正确的是21世纪教育网

   A.洛伦兹力对带电粒子做功21世纪教育网

   B.洛伦兹力不改变带电粒子的动能21世纪教育网

   C.洛伦兹力的大小与速度无关21世纪教育网

   D.洛伦兹力不改变带电粒子的速度方向21世纪教育网

答案:B

解析:根据洛伦兹力的特点, 洛伦兹力对带电粒子不做功,A错.B对.根据,可知大小与速度有关. 洛伦兹力的效果就是改变物体的运动方向,不改变速度的大小。

(09年广东文科基础)61.带电粒子垂直匀强磁场方向运动时,其受到的洛伦兹力的方向,下列表述正确的是

A.与磁场方向相同

B.与运动方向相同

c.与运动方向相反

D.与磁场方向垂直

答案:D

(09年山东卷)21.如图所示,一导线弯成半径为a的半圆形闭合回路。虚线MN右侧有磁感应强度为B的匀强磁场。方向垂直于回路所在的平面。回路以速度v向右匀速进入磁场,直径CD始络与MN垂直。从D点到达边界开始到C点进入磁场为止,下列结论正确的是

   A.感应电流方向不变

   B.CD段直线始终不受安培力

   C.感应电动势最大值E=Bav

   D.感应电动势平均值

答案:ACD

解析:在闭合电路进入磁场的过程中,通过闭合电路的磁通量逐渐增大,根据楞次定律可知感应电流的方向为逆时针方向不变,A正确。根据左手定则可以判断,受安培力向下,B不正确。当半圆闭合回路进入磁场一半时,即这时等效长度最大为a,这时感应电动势最大E=Bav,C正确。感应电动势平均值,D正确。

考点:楞次定律、安培力、感应电动势、左手定则、右手定则

提示:感应电动势公式只能来计算平均值,利用感应电动势公式计算时,l应是等效长度,即垂直切割磁感线的长度。

试题详情

17.(09年全国卷Ⅰ)如图,一段导线abcd位于磁感应强度大小为B的匀强磁场中,且与磁场方向(垂直于纸面向里)垂直。线段ab、bc和cd的长度均为L,且。流经导线的电流为I,方向如图中箭头所示。导线段abcd所受到的磁场的作用力的合力

A. 方向沿纸面向上,大小为

B. 方向沿纸面向上,大小为

C. 方向沿纸面向下,大小为

D. 方向沿纸面向下,大小为

答案:A

解析:本题考查安培力的大小与方向的判断.该导线可以用a和d之间的直导线长为来等效代替,根据,可知大小为,方向根据左手定则.A正确。

(09年北京卷)19.如图所示的虚线区域内,充满垂直于纸面向里的匀强磁场和竖直向下的匀强电场。一带电粒子a(不计重力)以一定的初速度由左边界的O点射入磁场、电场区域,恰好沿直线由区域右边界的O′点(图中未标出)穿出。若撤去该区域内的磁场而保留电场不变,另一个同样的粒子b(不计重力)仍以相同初速度由O点射入,从区域右边界穿出,则粒子b

A.穿出位置一定在O′点下方

B.穿出位置一定在O′点上方

C.运动时,在电场中的电势能一定减小

D.在电场中运动时,动能一定减小

答案:C

解析:a粒子要在电场、磁场的复合场区内做直线运动,则该粒子一定做匀速直线运动,故对粒子a有:Bqv=Eq 即只要满足E =Bv无论粒子带正电还是负电,粒子都可以沿直线穿出复合场区,当撤去磁场只保留电场时,粒子b由于电性不确定,故无法判断从O’点的上方或下方穿出,故AB错误;粒子b在穿过电场区的过程中必然受到电场力的作用而做类似于平抛的运动,电场力做正功,其电势能减小,动能增大,故C项正确D项错误。

试题详情

23.(安徽卷)(16分)如图1所示,宽度为的竖直狭长区域内(边界为),存在垂直纸面向里的匀强磁场和竖直方向上的周期性变化的电场(如图2所示),电场强度的大小为表示电场方向竖直向上。时,一带正电、质量为的微粒从左边界上的点以水平速度射入该区域,沿直线运动到点后,做一次完整的圆周运动,再沿直线运动到右边界上的点。为线段的中点,重力加速度为g。上述为已知量。

  

(1)求微粒所带电荷量和磁感应强度的大小;

(2)求电场变化的周期

(3)改变宽度,使微粒仍能按上述运动过程通过相应宽度的区域,求的最小值。

解析:

(1)微粒作直线运动,则

                ①

微粒作圆周运动,则          ②

联立①②得

                    ③

                    ④

(2)设粒子从N1运动到Q的时间为t1,作圆周运动的周期为t2,则

                     ⑤

                   ⑥

                    ⑦

联立③④⑤⑥⑦得

                   ⑧

电场变化的周期

                 ⑨

(3)若粒子能完成题述的运动过程,要求

      d≥2R                   (10)

联立③④⑥得

                        (11)

设N1Q段直线运动的最短时间为tmin,由⑤(10)(11)得

         

因t2不变,T的最小值

2009年高考物理试题分类汇编--磁场

试题详情

20.(安徽卷)如图所示,水平地面上方矩形区域内存在垂直纸面向里的匀强磁场,两个边长相等的但匝闭合正方形线圈Ⅰ和Ⅱ,分别用相同材料,不同粗细的导线绕制(Ⅰ为细导线)。两线圈在距磁场上界面高处由静止开始自由下落,再进入磁场,最后落到地面。运动过程中,线圈平面始终保持在竖直平面内且下边缘平行于磁场上边界。设线圈Ⅰ、Ⅱ落地时的速度大小分别为,在磁场中运动时产生的热量分别为。不计空气阻力,则

A.        B.     

C.        D.

答案:D

解析:由于从同一高度下落,到达磁场边界时具有相同的速度v,切割磁感线产生感应电流同时受到磁场的安培力,又(ρ为材料的电阻率,l为线圈的边长),所以安培力,此时加速度,且 (为材料的密度),所以加速度是定值,线圈Ⅰ和Ⅱ同步运动,落地速度相等v1 =v2。由能量守恒可得:,(H是磁场区域的高度),Ⅰ为细导线m小,产生的热量小,所以Q1< Q2。正确选项D。

试题详情

24.(四川卷)(19分)如图所示,电源电动势。内阻,电阻。间距的两平行金属板水平放置,板间分布有垂直于纸面向里、磁感应强度的匀强磁场。闭合开关,板间电场视为匀强电场,将一带正电的小球以初速度沿两板间中线水平射入板间。设滑动变阻器接入电路的阻值为Rx,忽略空气对小球的作用,取

(1)当Rx=29Ω时,电阻消耗的电功率是多大?

(2)若小球进入板间做匀速圆周运动并与板相碰,碰时速度与初速度的夹角为,则Rx是多少?

[答案]⑴0.6W;⑵54Ω。

[解析]⑴闭合电路的外电阻为

    Ω        ①

  根据闭合电路的欧姆定律

    A               ②

  R2两端的电压为

    V         ③

  R2消耗的功率为

    W                 ④

⑵小球进入电磁场做匀速圆周运动,说明重力和电场力等大反向,洛仑兹力提供向心力,根据牛顿第二定律

                         ⑤

                         ⑥

  连立⑤⑥化简得

                         ⑦

  小球做匀速圆周运动的初末速的夹角等于圆心角为60°,根据几何关系得

                            ⑧

  连立⑦⑧带入数据

    V

  干路电流为

     A                 ⑨

     Ω           ⑩

试题详情


同步练习册答案