题目列表(包括答案和解析)

 0  157875  157883  157889  157893  157899  157901  157905  157911  157913  157919  157925  157929  157931  157935  157941  157943  157949  157953  157955  157959  157961  157965  157967  157969  157970  157971  157973  157974  157975  157977  157979  157983  157985  157989  157991  157995  158001  158003  158009  158013  158015  158019  158025  158031  158033  158039  158043  158045  158051  158055  158061  158069  447348 

27.傍晚,李刚家突然“停电”了。李刚检查保险盒、灯泡和开关,发现它们都是好的。

他又在房间中用测电笔检查线路,发现测电笔中的氖管仍发光。发生此故障的原因是 断路(填:“火线”、“零线”或“接地线”)。

试题详情

26.某初中物理课外小组在做实验时,需要10Ω的电阻一只,但实验室里没有10Ω的电阻,而有一段60cm长的电阻丝,经过测量,加在电阻丝两端的电压是6V时,通过电阻丝的电流是0.2A,则在这根电阻丝上截取_ _cm长的一段,它的电阻就是10Ω.

试题详情

25.木炭的热值是3.4×107J/kg。完全燃烧质量为50g的木炭,能放出__ _J的热

量。如果这些热量来加热初温为20℃的水,而且热量全部被水吸收,则能将    kg的

水烧开?

试题详情

24.给出你一只标有“10Ω 0.3A”的定值电阻和一只标有“30Ω 0.6A”的滑动变阻器,

在保证所有电路元件能正常工作的前提下,若串联后接入电路,则电路中允许通过的最大电流为   A;它们两端允许加的最大电压为   V。

试题详情

23.2008年北京奥运会“祥云”火炬高度为72cm,质量为985g,燃烧时间可达15min,无风条件下火焰高度25cm至30cm,能在强光和日光下识别和拍摄。若火炬手们在传递过程中以3m/s的速度沿直线匀速慢跑。则在一支火炬燃烧时间内运动员至多能跑   m;若某火炬手将火炬举在同一高度跑了100m,则他对火炬做的功是   J。

试题详情

22.如图所示,一块0℃的冰放在盛有0℃的水的容器中。已知冰块与容器底部相接触并相互间有压力,则当冰完全融化为0℃的水后.容器中水面的位置将

A.上升;    B.下降;   C.保持不变;              

D.水面的升或降决定于冰和容器内水的体积。

 

试题详情

21.下列关于“人的双手之间电阻”的讨论,正确的说法是

A.人的双手之间没有电阻      B.每个人的双手之间的电阻是固定不变的

C.人的双手之间的电阻潮湿时较大  D.人的双手之间的电阻干燥时较大

试题详情

20.在探究产生感应电流的实验中,某同学按照图中的四种情况让闭合电路的一段导体AB在磁场中沿箭头所示方向运动,其中能够产生感应电流的是图

 

试题详情

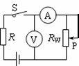
19.图所示电路中电源两端的电压不变。滑动变阻器RW的滑片P在某两点间移动时,电流表的示数在1A至2A之间变化,电压表的示数在6V至9V之间变化。定值电阻R的阻值及电源两端的电压分别为

A.6W;15V   

B.6W;12V

C.3W;15V   

D.3W;12V

试题详情

18.在如图所示的电路中,当开关闭合时,灯L1亮,灯L2不亮,电流表和电压表均有读数.则故障原因可能是

A.L1断路     B.L1短路       C.L2断路     D.L2短路

试题详情


同步练习册答案