题目列表(包括答案和解析)

 0  158002  158010  158016  158020  158026  158028  158032  158038  158040  158046  158052  158056  158058  158062  158068  158070  158076  158080  158082  158086  158088  158092  158094  158096  158097  158098  158100  158101  158102  158104  158106  158110  158112  158116  158118  158122  158128  158130  158136  158140  158142  158146  158152  158158  158160  158166  158170  158172  158178  158182  158188  158196  447348 

7.下列关于惯性的说法正确的是

A.战斗机战斗前抛弃副油箱,是为了增大战斗机的惯性

B.物体的质量越大,其惯性就越大

C.火箭升空时,火箭的惯性随其速度的增大而增大

D.做自由落体运动的物体没有惯性

试题详情

6.如图所示,一个重60N的物体置于光滑的水平面上,当用一个F=20N的力竖直向上拉物体时,物体所受的合力为

A.0N

B.40N,方向竖直向下

C.40N,方向竖直向上

D.80N,方向竖直向上

试题详情

5.已知一些材料间动摩擦因数如下:

材料
钢-钢
木-木
木-金属
木-冰
动摩擦因数
0.25
0.30
0.20
0.03

质量为1 kg的物块放置于水平面上,现用弹簧秤沿水平方向匀速拉动此物块时,读得弹簧秤的示数为3N,则关于两接触面的材料可能是(取g=10m/s2)

A.钢-钢   B.木-木   C.木-金属    D.木-冰

试题详情

4.下列图象中反映物体做匀加速直线运动的是(图中s表示位移、v表示速度、t表示时间)

试题详情

3.一质点在半径为R的圆周上从A处沿顺时针运动到B处,则它通过的路程、位移大小分别是  

A.     B.R

C.RR     D.R

试题详情

2.将近1000年前,宋代诗人陈与义乘着小船在风和日丽的春日出游时写下诗句“飞花两岸照船红,百里榆堤半日风,卧看满天云不动,不知云与我俱东.”,请问诗句中的“云与我俱东”所对应的参考系是 

A.两岸      B.船      C.云    D.诗人

试题详情

1.质点是一种理想化的物理模型,下面对质点的理解正确的是

A.只有体积很小的物体才可以看作质点

B.只有质量很小的物体才可以看作质点

C.研究月球绕地球运动的周期时,可将月球看作质点

D.因为地球的质量、体积很大,所以在任何情况下都不能将地球看作质点

试题详情

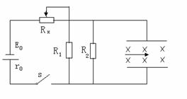
17.如图所示,电源电动势。内阻,电阻。间距的两平行金属板水平放置,板间分布有垂直于纸面向里、磁感应强度的匀强磁场。闭合开关,板间电场视为匀强电场,将一带正电的小球以初速度沿两板间中线水平射入板间。设滑动变阻器接入电路的阻值为Rx,忽略空气对小球的作用,取

(1)当Rx=29Ω时,电阻消耗的电功率是多大?

(2)若小球进入板间做匀速圆周运动并与板相碰,碰时速度与初速度的夹角为,则Rx是多少?

试题详情

16.如图所示,某一真空区域内充满匀强电场和匀强磁场,此区域的宽度 d = 8 cm ,电场强度为E,方向竖直向下,磁感应强度为 B ,方向垂直纸面向里,一电子以一定的速度沿水平方向射入此区域.若电场与磁场共存,电子穿越此区域时恰好不发生偏转。(1)求电子射入时的初速度的表达式。(2)若射入时撤去磁场,电子穿越电场区域时,沿电场反方向偏移量 y=3.2 cm ,则若射入时撤去电场,求电子穿越磁场区域时沿电场方向发生的偏移量.(不计电子重力)

试题详情

15.如图,MNP 为竖直面内一固定轨道,其圆弧段MN与水平段NP相切于N、P端固定一竖直挡板。M相对于N的高度为h,NP长度为s.一木块自M端从静止开始沿轨道下滑,与挡板只发生一次碰撞后以相同速率反向弹回最后停止在水平轨道上某处。若在MN段的摩擦可忽略不计,物块与NP段轨道间的滑动摩擦因数为μ,求物块停止的地方与N点距离。

试题详情


同步练习册答案