题目列表(包括答案和解析)

 0  160421  160429  160435  160439  160445  160447  160451  160457  160459  160465  160471  160475  160477  160481  160487  160489  160495  160499  160501  160505  160507  160511  160513  160515  160516  160517  160519  160520  160521  160523  160525  160529  160531  160535  160537  160541  160547  160549  160555  160559  160561  160565  160571  160577  160579  160585  160589  160591  160597  160601  160607  160615  447348 

14.(10分)在图13-10所示电路中,电源电动势E=5V,内阻r=10Ω,固定电阻R=90Ω,R0是可变电阻,在R0由零增加到400Ω的过程中,求:

  (1)可变电阻R0上消耗的热功率最大条件和最大功率。

  (2)电池的内电阻r和固定电阻上消耗的最小热功率之和。

   

图13-10

试题详情

13.(10分)如图13-9所示,图线Ⅰ为一电源的路端电

压随电流变化的图线,图线Ⅱ为一导体两端电压和导体

中电流的关系图线。若该导体和电源连接成闭合电路,

求路端电压和电源的输出功率。

                              图13-9

试题详情

12.如图13-8甲所示,有下列实验步骤:

  A、闭合开关S,接通电源;B、调节滑动变阻器滑动片P接近b点;C、调节滑动变阻器滑片P接近a点;D、选择实验器材,按电路图连接电路;E、选读出第一组数据U1和I1,并把这组数据标到坐标纸上;F、在坐标纸上以U为横轴,以I为纵轴,并选定合适的标度;G、用光滑的曲线连接这些点,分析曲线的变化规律;H、改变滑动变阻器的阻值,适当增大灯泡两端的电压,再读出第二组数据,以后重复这个过程,共读出12组左右的数据,并把这些数据标到坐标上;I、断开电源,整理器材。

  (1)正确的实验步骤是          

  (2)用实线代替导线,将图乙中的器材连接成可供实验的电路。

   

                  图13-8

  三、计算题(本题共4小题,共40分,解答应写明必要的文字说明、方程式和重要的演算步骤,只写出答案的不能得分,有数值计算的题,答案中必须写出数值和单位)

试题详情

11.有下列仪器设备,可供做《描绘小灯泡的伏安特性曲线》实验的有:

  A、“4.8V  0.5A”的灯泡   B、“220V  40W”的灯泡    C、220V的电源

  D、4~6V学生用低压交流电源   E、4~6V学生用低压直流电源  F、0~0.6A的直流电流表   G、0~6V的直流电压表   H、0~220V的交流电压表  I、0~0.5A的交流电流表  J、“30Ω  0.2A”的滑动变阻器   K、“100Ω 0.5A”的滑动变阻器

  选择出可供做《描绘小灯泡的伏安特性曲线》实验的有         

试题详情

10、某脉冲激光器的耗电功率为2×103W,每秒钟输出10个光脉冲,每个脉冲时间持续10-8s,携带的能量为0.2J,则每个脉冲的功率为     W。该发光器将电能转化为激光能量的效率为     

试题详情

9.把两个标有“6V、3W”和“6V、4W”的小灯泡串联,则串联电路允许达到的最大功率是   W;把这两个小灯泡并联,则并联电路允许达到的最大功率是   W。

试题详情

8.如图13-7所示,把两相同的电灯分别拉成甲、乙两种电路,甲电路所加的电压为8V,乙电路所加的电压为14V。调节变阻器R1和R2使两灯都正常发光,此时变阻器消耗的电功率分别为P和P,下列关系中正确的是(   )

      A.P> P

  B.P <P

  C.P = P

  D.无法确定                    

                               图13-7

第Ⅱ卷(非选择题,共68分)

试题详情

1.室内有几种用电器,1.5千瓦的电饭煲,200瓦的电冰箱,750瓦取暖器,250瓦的电视机和2千瓦的空调器。如果进线处有13A的保险丝,供电电压为220V,下列情况下不能同时使用的是                   (   )

  A.电饭煲和电冰箱     B.取暖器和空调器

  C.电饭煲和空调器     D.电冰箱、电视机和空调器

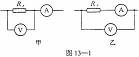
  2.如图13-1所示,同一未知电阻RX用甲、乙两种电路测量,图甲中两表的示数分别为2.9V、40mA;图乙中两表的示数分别为3.0V、3.0mA,可知RX的真实值为                  (   )

  A.比1000Ω略小

  B.比1000Ω略大

  C.比725Ω略小

  D.比725Ω略大

  3.如图13-2所示的电路中,L1、L2为“220V、100W”灯泡,L3、L4为“220V,40W”灯泡,现将两端接入电路,其实际功率的大小顺序是                  (   )

  A.P4>P1>P3>P2

  B.P4>P1>P2>P3

  C.P1>P4>P2>P3

  D.P1>P4>P3>P2                             

  4.如图13-3所示的电路中,闭合电键,灯L1、L2正常发    图13-2

光,由于电路出现故障,突然发现灯L1变亮,灯L2变暗,

电流表的读数变小,根据分析,发生故障的可能是(   )

  A.R1断路     B.R2断路

  C.R3断路     D.R4断路

  5.如图13-4所示电路,开关S原断开,现将S合上,则A.B两点电势UA、UB与S断开时相比(   )

  A.UA升高,UB降低

  B.UA降低,UB升高

  C.都升高

  D.都降低

                               图13-4

  6.如图13-5所示的电路中,电流表、电压

表的内阻对电路的影响不计,当滑动片P

向右滑动时,下列说法正确的是(   )

  A.甲、乙两图中的电压表读数都减小

  B.甲、乙两图中的电压表读数都增大

  C.甲图中的电压表读数增大,乙图中的电压表读数减小

  D.甲图中的电流读数不变,乙图中的电流表读数增大       图13-5

  7.如图13-6所示是一个电池,电阻R与平行板电容器组成的串联电路,在增大电容器两极板间距离的过程中(   )

  A.电阻R中没有电流

  B.电容器的电容变小

  C.电阻R中有从a流向b的电流

  D.电阻R中有从b流向a的电流

                                图13-6

试题详情

1、 2.00V,0.10W         2、2.4V,0.8A         3、2.17W

试题详情

1、ABD       2、AB         3、AC

试题详情


同步练习册答案