题目列表(包括答案和解析)

 0  160860  160868  160874  160878  160884  160886  160890  160896  160898  160904  160910  160914  160916  160920  160926  160928  160934  160938  160940  160944  160946  160950  160952  160954  160955  160956  160958  160959  160960  160962  160964  160968  160970  160974  160976  160980  160986  160988  160994  160998  161000  161004  161010  161016  161018  161024  161028  161030  161036  161040  161046  161054  447348 

6.以下说法正确的是(    )

A.由可知此场中某点的电场强度E与F成正比

B.由公式可知电场中某点的电势φ与q成反比

C.由Uab=Ed可知,匀强电场中的任意两点a、b间的距离越大,则两点间的电势差也一定越大

D.公式C=Q/U,电容器的电容大小C与电容器两极板间电势差U无关

 

试题详情

5.如图是表示在一个电场中的a、b、c、d四点分别引入检验电荷时,测得的检验电荷的电量跟它所受电场力的函数关系图象,那么下列叙述正确的是(    )

A.这个电场是匀强电场

B.a、b、c、d四点的场强大小关系是Ed>Ea>Eb>Ec 

C.a、b、c、d四点的场强大小关系是Ea>Eb>Ec>Ed

D.无法确定这四个点的场强大小关系

试题详情

4.如图1-71所示,一带电小球用丝线悬挂在水平方向的匀强电场中,当小球静止后把悬线烧断,则小球在电场中将作(   )

A.自由落体运动          B.曲线运动

C.沿着悬线的延长线作匀加速运动  D.变加速直线运动

试题详情

3.如图1-70所示,平行板电容器的两极板A、B接于电池两极,一带正电的小球悬挂在电容器内部,闭合S,电容器充电,这时悬线偏离竖直方向的夹角为θ,则下列说法正确的是(    )

A.保持S闭合,将A板向B板靠近,则θ增大

B.保持S闭合,将A板向B板靠近,则θ不变

C.断开S,将A板向B板靠近,则θ增大

D.断开S,将A板向B板靠近,则θ不变

试题详情

2.点电荷A和B,分别带正电和负电,电量分别为4Q和Q,在AB连线上,如图1-69所示,电场强度为零的地方在 (    )

A.A和B之间      B.A右侧

C.B左侧       D.A的右侧及B的左侧

 

试题详情

1.两个用相同材料制成的半径相等的带电金属小球,其中一个球的带电量的绝对值是另一个的5倍,它们间的库仑力大小是F,现将两球接触后再放回原处,它们间库仑力的大小可能是(   )

A.5 F/9    B.4F/5    C.5F/4    D.9F/5

试题详情

2.喷墨打印机的结构如图1-68所示,其中墨盒可以发出墨汁微滴,其半径约为10-5m,此微滴经过带电室时被带上负电,带电的多少由计算机按字体变化高低位置输入信号加以控制。带电后的微滴以一定的初速度进入偏转电场,带电微滴经过偏转电场发生偏转后打倒纸上,显示出字体,无信号输入时,墨汁微滴不带电,径直通过偏转板而注入回流槽流回墨盒。                     

设偏转板长1.6cm,两板间的距离为0.50cm,偏转板的右端距纸3.2cm。若一个墨汁微滴的质量为1.6×10-10kg,以20m/s的初速度垂直于电场方向进入偏转电场,两偏转板间的电压是8.0×103V,若墨汁微滴打倒纸上的点距原射入方向的距离是2.0mm,求这个墨汁微滴通过带电室的电量是多少?(不计空气阻力和重力,可以认为偏转电场只局限在平行板电容器内部,忽略边缘电场的不均匀性。)为了使纸上的字体放大10%,请你分析提出一个可行的方法。

第一章检测卷

试题详情

1.如图1-67所示,是一个说明示波管工作原理的示意图,电子经电压U1加速后以速度v0垂直进入偏转电场,离开电场时的偏转量是h,两平行板间距离为d,电势差是U2,板长是L.为提高示波管的灵敏度(每单位电压引起的偏转量)可采用以下哪些方法  (    )

A.增大两板间电势差U2     B.尽可能使板长L短一些

C.尽可能使板距d小一些    D.使加速电压U1升高一些

试题详情

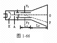
2.如图1-66所示的示波管,电子由阴极发射后,经电子枪加速水平飞入偏转电场,最后打在荧光屏上,已知加速电压为U1,偏转电压为U2,两偏转极板间距为d,板长为L1,从偏转极板到荧光屏的距离为L2,求电子打在荧光屏上的偏距OP.

高考链接

试题详情

1.如图1-65所示,有一电子(电量为e)经电压U0­加速后,进入两块间距为d、电压为U的平行金属板间.若电子从两板正中间垂直电场方向射入,且正好能穿过电场.求⑴金属板AB的长度;⑵电子穿出电场时的动能.

试题详情


同步练习册答案