题目列表(包括答案和解析)

 0  164744  164752  164758  164762  164768  164770  164774  164780  164782  164788  164794  164798  164800  164804  164810  164812  164818  164822  164824  164828  164830  164834  164836  164838  164839  164840  164842  164843  164844  164846  164848  164852  164854  164858  164860  164864  164870  164872  164878  164882  164884  164888  164894  164900  164902  164908  164912  164914  164920  164924  164930  164938  447348 

14、如图8所示为光敏电阻自动计数器的示意图,其中R1为光敏电阻,R2为定值电阻.此光电计数器的基本工作原理是

A、当有光照射R1时,信号处理系统获得高电压

B、当有光照射R1时,信号处理系统获得低电压

C、信号处理系统每获得一次低电压就计数一次

D、信号处理系统每获得一次高电压就计数一次

试题详情

13、两列简谐横波在同一均匀介质中传播时发生了干涉现象,则

A在振动加强区域,介质质点的位移总是比振动减弱区域介质质点的位移大

B在振动加强区域,介质质点的振幅总是比振动减弱区域介质质点的振幅大

C在振动加强区域,介质质点的位移随时间做周期性变化

D在振动加强区域,介质质点的振幅随时间做周期性变化

试题详情

12、关于波速公式vf,下面哪几句话是正确的

 A.适用于一切波

 B.对同一机械波来说,通过不同的介质时,频率f不变

 C.一列机械波通过不同介质时,波长λ和频率f都会发生变化

 D.波长2 m的声音比波长1 m的声音的传播速度大一倍

试题详情

11、理想变压器正常工作时,原线圈一侧与副线圈一侧保持不变的物理量是

  A.频率  B.电压  C.电流  D.电功率

试题详情

10、一交流电压为u=100sin100πt V,由此表达式可知

  A.用交流电压表测该电压其示数为100 V

  B.该交流电压的周期为0.02 s

  C.将该电压加在100 Ω的电阻两端,电阻消耗的电功率为100 W

  D.t=1/400 s时,该交流电压的瞬时值为100 V

试题详情

9、关于光的说法,下列说法正确的是

A.光在介质中的速度大于光在真空中的速度

B.双缝干涉说明光具有波动性

C.光在同种均匀介质中沿直线传播

D.光的折射现象中光路是不可逆的

试题详情

8、 心电图是现代医疗诊断的重要手段,医生从心电图上测量出相邻两波峰的时间间隔,即为心动周期,由此可计算1min内心脏跳动的次数(即心率)。甲、乙两人在同一台心电图仪上做出的心电图分别如图a、b所示,医生通过测量后记下甲的心率是60次/min,则心电图仪图纸移动的速度v以及乙的心率为[

A.25mm/s,48次/min

B.25mm/min,75次/min

C.25mm/s,75次/min

D.25mm/min,48次/min

试题详情

7、如图6中变压器原线圈接交流高压,降压后通过输电线给用电器供电,当电键S断开时图中两电表示数电压U和电流I变化为

A.均变大    B.U变大,I变小 

C.均变小    D.U变小,I变大

试题详情

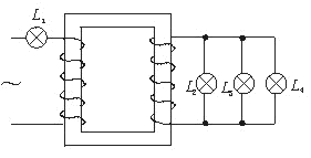
6、如图所示,理想变压器接在交流电源上,已知初级线圈和次级线圈匝数之比为n1n2=  3∶1,图中四个灯泡完全相同,当L2L3L4 正常发光时,则L1 

A.一定正常发光

B.实际功率大于额定功率

C.实际功率小于额定功率[

D.实际功率与额定功率的关系不确定

试题详情

5、下列说法不正确的是

   A.夏日雷声轰鸣不绝,属于声波的干涉

   B.闻其声而不见其人,属于声波的衍射

   C.两个完全相同的声源固定在空间某两位置上.如果在声源周围走动,时而感到有声,时而感到无声,这是属于声波的干涉

   D.听到远离的汽笛声音音调较低,这是声波的多普勒效应

试题详情


同步练习册答案