题目列表(包括答案和解析)

 0  166703  166711  166717  166721  166727  166729  166733  166739  166741  166747  166753  166757  166759  166763  166769  166771  166777  166781  166783  166787  166789  166793  166795  166797  166798  166799  166801  166802  166803  166805  166807  166811  166813  166817  166819  166823  166829  166831  166837  166841  166843  166847  166853  166859  166861  166867  166871  166873  166879  166883  166889  166897  447348 

4.电工穿的高压作业服是用铜丝编织的,下列说法正确的是                 (   )

    A.铜丝编织的衣服不易被拉破,所以用铜丝编织

    B.电工被铜丝编织的衣服所包裹,使体内电场强度保持为零,对人体起保护作用

    C.电工被铜丝编织的衣服所包裹,使体内的电势保持为零,对人体起保护作用

    D.铜丝必须达到一定厚度,才能对人体起到保护作用

试题详情

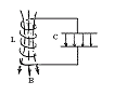
3.如图所示,LC振荡回路中,电容器两极板间的电场方向向下,且线圈中有沿图示方向的

  磁场,则                                                      (   )

    A.振荡回路中电流正在增大         

    B.磁场能正在转化为电场能

    C.线圈L中振荡电流的方向从下向上  

    D.线圈L产生的自感电动势正在阻碍电流增大

试题详情

2.如图所示,A、B、C为三个质量相等、材料相同的小物块,在沿斜面向上的拉力作用下,

  沿相同的粗糙斜面上滑,其中A是匀速上滑,B加速上滑,C是减速上滑,而斜面体对

  地均处于静止。斜面体甲、乙、丙所受地面的摩擦力分为f1、f2、f3,该三个力的大小关

  系是                                                          (   )

   

    A.f1=f2=f3        B.f2>f1>f3                C.f3>f2>f1        D.f1>f2>f3

试题详情

个选项中,有的小题只有一个选项是正确的,有的小题有多个选项正 

确,全都选对的得4分,选不全的得2分,有选错或不答的得0分。

1.下列说法中正确的是                                             (   )

    A.物体的温度不变,内能就不变      

    B.布朗运动就是分子运动

    C.物体内能增加可能是从外界吸收了热量

    D.固体很难被压缩,说明在压缩时分子间引力减小、斥力增大

试题详情

20.(16分)如图甲所示,A、B为两块靠得很近的平行金属板,板中央均有小孔。一束电子

  以初动能Ek=120ev,从A板上的小孔O不断垂直于板射入A、B之间,在B板右侧,平

  行金属板的板长L=2×10-2m,板间距离d=4×10-3m,两板上所加电压为U2=20V。现在

  在A、B两板上加一个如图乙所示的变化电压U1,在t=0到t=2s时间内,A板电势高于

  B板,则在U1随时间变化的第一个周期内

    (1)电子在哪段时间内可以从B板小孔射出?

  (2)在哪段时间内,电子能从偏转电场右侧飞出?

  (由于A、B两板距离很近,可以认为电子穿过A、B板间所用时间很短,可以不计)

试题详情

19.(14分)如图所示,在厚铅板A表面中心放置一很小的放射源,可向各个方向放射出速

率为粒子(质量为m,电量为q),在金属网B与A板间加有竖直向上的匀强电

场,场强为E,A与B间距为d,B网上方有一很大的荧光屏M,M与B间距为L,当

粒子打在荧光屏上时就能使荧光屏产生一闪光点。整个装置放在真空中,不计重力

的影响,试分析:

(1)打在荧光屏上的粒子具有的动能有多大?

(2)荧光屏上闪光点的范围有多大?

(3)在实际应用中,往往是放射源射出的粒子

   的速率未知,请设计一个方案,用本

   装置来测定粒子的速率。

试题详情

18.(13分)原子反应堆是核电站的核心设备,慢中子反应堆中,裂变产生的快中子要经过

与减速剂中的原子核碰撞,速度减小,变成慢中子,才容易被铀235核吸收,快中子与

减速剂的原子核碰撞后减速,可以用如下的力学模型表述:质量为m,动能为E的中子

(可视为质点),与静止的质量为M的原子核(亦可视为质点)发生对心碰撞,碰撞过

程动能不损失。

  (1)快中子与减速剂的原子核碰撞,碰撞后的动能与碰撞前动能之比是多少?

  (2)试讨论,为使减速作用明显,你认为应选什么样的原子核做减速剂?

试题详情

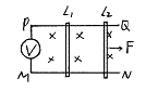
17.(13分)如图所示,固定于水平桌面上足够长的两平行导轨PQ、MN,间距为d=0.5m。

P、M两端接有一只理想电压表。整个装置处于竖直向下的磁感强度B=0.2T的匀强磁场

中.电阻均为,质量分别为的两金属棒L1、L2平行

地搁在光滑导轨上,现固定棒L1,使棒L2在水平恒力F=0.8N的作用下,由静止开始加

速运动。试求

(1)当电压表读数为U=0.2V时,棒L2的加速度多大?

(2)棒L2能达到一最大速度Vm,在L2达到Vm时,撤去外力F并同时释放棒L1,求

   棒L2达稳定时的速度值。

(3)若固定L1,当棒L2的速度为V(m/s),且离开棒L1距离为S(m)的同时,撤去

   恒力F为保持棒L2作匀速运动,可以用手将B从原值(B0=0.2T)逐渐减小的方

   法,则磁感应强度B应怎样随时间变化(写出B与时间t的关系式)?

试题详情

16.(12分)某网站报道:最近东亚某国发射一颗人造卫星,卫星质量为100kg,环绕周期

  为2h……

一位同学对新闻的真实性感到怀疑,他认为,一是该国尚无独立发射航天器的报道。

    再是网站公布的数据似乎也问题,他准备用所学知识对该数据进行验证。

       他记不清引力恒量的数值且手边没有可查找的资料,但他记得月球半径约为地球半

  径的,地球半径为6400km,月球表面重力加速度约为地球表面的1/6,地球表面的重

  力加速度可取10m/s2,他由上述这些数据对此新闻的真实性进行 了考证。

       请你也根据上述数据,运用物理学知识,通过推导判断,说明能否认定这是一条假

  新闻?

试题详情

15.(12分)用折射率为n的透明介质做成内、外半径分别为a和b的空心球,如图所示,

当一束平行光射向此球壳,经球壳外、,内表面两次折射后,能进入空心球壳的入射光

的横截面积是多大?

试题详情


同步练习册答案