题目列表(包括答案和解析)

 0  167115  167123  167129  167133  167139  167141  167145  167151  167153  167159  167165  167169  167171  167175  167181  167183  167189  167193  167195  167199  167201  167205  167207  167209  167210  167211  167213  167214  167215  167217  167219  167223  167225  167229  167231  167235  167241  167243  167249  167253  167255  167259  167265  167271  167273  167279  167283  167285  167291  167295  167301  167309  447348 

3.如图所示,用水平外力F将木块压在竖直墙面上而保持静止状态,下列说法中正确的是

A、木块重力与墙对木块的摩擦力平衡

B、木块重力与墙对木块的摩擦力是一对作用力与反作用力

C、水平力F与墙对木块的正压力是一对作用力与反作用力

D、墙对木块的摩擦力随着水平力F的增大而增大

试题详情

2.如图所示,大小分别为F1F2F3的三个力恰好围成封闭的直角三角形(顶角为直角)。下列4个图中,这三个力的合力最大的是:

     A.        B.         C.        D.

试题详情

1.力学中的三个基本物理单位是

A.质量、米、秒      B.牛顿、米、秒

C.千克、米、秒      D.牛顿、米、米/秒

试题详情

19.(17分)如图所示,在磁感应强度大小为B、方向垂直向上的匀强磁场中,有一上、下两层均与水平面平行的“U”型光滑金属导轨,在导轨面上各放一根完全相同的质量为的匀质金属杆,开始时两根金属杆位于同一竖直平面内且杆与轨道垂直.设两导轨面相距为H,导轨宽为L,导轨足够长且电阻不计,金属杆单位长度的电阻为r.现有一质量为的不带电小球以水平向右的速度撞击杆的中点,撞击后小球反弹落到下层面上的C点,C点与杆初始位置相距为S.求:

(1)回路内感应电流的最大值;

(2)整个运动过程中感应电流最多产生了多少热量;

(3)当杆与杆的速度比为1:3时,受到的安培力大小.

江苏省东台中学2007届高三第一次阶段性考试

试题详情

18.(15分)在以坐标原点 O为圆心、半径为 r的圆形区域内,存在磁感应强度大小为 B、方向垂直于纸面向里的匀强磁场,如图所示. 一个不计重力的带电粒子从磁场边界与 x轴的交点 A处以速度 v沿-x方向射入磁场,它恰好从磁场边界与 y轴的交点C处沿+y方向飞出.

(1)请判断该粒子带何种电荷,并求出其比荷q/m

(2)若磁场的方向和所在空间范围不变,而磁感应强度的大小变为,该粒子仍从 A处以相同的速度射入磁场,但飞出磁场时的速度方向相对于入射方向改变了60°角,求磁感应强度多大?此次粒子在磁场中运动所用时间 t是多少?

试题详情

17.(15分)如图所示,在A点固定一正电荷,电量为Q,在离A高度为H的C处由静止释放某带同种电荷的液珠,开始运动瞬间的加速度大小恰好为重力加速度g.已知静电常量为k,两电荷均可看成点电荷,不计空气阻力.求:

(1)液珠的比荷;

(2)液珠速度最大时离A点的距离h

(3)若已知在点电荷Q的电场中,某点的电势可表示成,其中r为该点到Q的距离(选无限远的电势为零),求液珠能到达的最高点B离A点的高度rB

试题详情

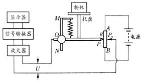
16.(14分)如图所示为某种电子秤的原理示意图,AB为一均匀的滑线电阻,阻值为R,长度为L,两边分别有P1P2两个滑动头.P1与托盘固定相连,且P1可在竖直绝缘光滑的固定杆MN上保持水平状态而上下自由滑动,弹簧处于原长时,P1刚好指着A端.当P1P2间出现电压时,该电压经过放大,通过信号转换后在显示屏上将显示物体重力的大小.已知弹簧的劲度系数为k,托盘自身质量为m0,电源电动势为E,内阻不计,当地的重力加速度为g.求:

(1)托盘上未放物体时,在托盘自身 重力的作用下,P1A的距离x1

(2)托盘上放有质量为m的物体时,P1A的距离x2

(3)在托盘上未放物体时通常先校准零点,其方法是:调节P2,使P2A的距离也为x1,从而使P1P2间电压为零.校准零点后,将物体m放在托盘上,试推导出物体质量mP1P2间的电压的函数关系式.

试题详情

15.(14分)如图所示,质量为m1=5kg的楔形物体放在粗糙的水平面上,在楔形物体的粗糙斜面上放一质量为m2=3kg的物体,用轻绳跨过固定在天花板上的定滑轮,将m2与质量为m3=1kg的物体相连,m3悬在空中,轻绳与m2相连的一侧与斜面平行,三个物体都静止,g取10m/s2.请求:

(1)m1m2的摩擦力;

(2)地面受到m1的摩擦力.

试题详情

14.(14分)要求摩托车由静止开始在尽量短的时间内走完一段直道,然后驶入一段半圆形的弯道,但在弯道上行驶时车速不能太快,以免因离心作用而偏出车道.求摩托车在直道上行驶所用的最短时间.有关数据见表格.

某同学是这样解的:要使摩托车所用时间最短,应先由静止加速到最大速度v1=40m/s,然后再减速到v2=20 m/s

t= t1+t2

你认为这位同学的解法是否合理?若合理,请完成计算;若不合理,请说明理由,并用你自己的方法算出正确结果.

试题详情

13.(12分)17世纪英国物理学家胡克发现:在弹性限度内,弹簧的形变量与弹力成正比,这就是著名的胡克定律.受此启发,一组同学研究“金属线材伸长量与拉力的关系”的探究过程如下:

A.有同学认为:横截面为圆形的金属丝或金属杆在弹性限度内,其伸长量与拉力成正比,与截面半径成反比.

B.他们准备选用一些“由同种材料制成的不同长度、不同半径的线材”作为研究对象,用测距仪、传感器等仪器测量线材的伸长量随拉力变化的规律,以验证假设.

C.通过实验取得如下数据:

长度

250N
500N
750N
1000N
1 m
2.52mm
0.4mm
0.8mm
1.2mm
1.6mm
2m
2.52mm
0.8mm
1.6mm
2.4mm
3.2mm
1m
3.57mm
0.2mm
0.4mm
0.6mm
0.8mm

D.同学们对实验数据进行分析、归纳后,对他们的假设进行了补充完善.

(1)请根据上述过程分析他们的假设是否全部正确?若有错误或不足,请给予修正.

答:____________________________________________________________________

____________________________________________________________________

(2)由上述数据可得,这种线材的伸长量x与拉力f以及材料的长度l、横截面积S之间的关系式为x=________(要求用k表示比例系数),k的大小和单位是____________.

(3)有一工程要使用一根能承受98000N拉力的线材,按设计要求,其受拉力后的伸长不能超过原来长度的1/1000.现有一根用这种材料制成的金属杆,长为4m,横截面积为0.8 cm2,请通过计算说明能否使用这根金属杆.

试题详情


同步练习册答案