题目列表(包括答案和解析)

 0  167853  167861  167867  167871  167877  167879  167883  167889  167891  167897  167903  167907  167909  167913  167919  167921  167927  167931  167933  167937  167939  167943  167945  167947  167948  167949  167951  167952  167953  167955  167957  167961  167963  167967  167969  167973  167979  167981  167987  167991  167993  167997  168003  168009  168011  168017  168021  168023  168029  168033  168039  168047  447348 

11.(3分)用轻绳AO和BO悬挂一质量为m的小球,最初AO绳倾斜,BO绳呈水平时小球静止不动,如图8所示,若将BO绳烧断,结果发现小球向下摆动通过最低点时,小球对AO绳的拉力和当初小球静止时对AO绳拉力一样大,则这个拉力的大小为  

________。

高三物理·四模·第4页(共8页)

夏邑高中2003-2004学年度三年级下期第一次模拟考试

座号
 

试题详情

10.(6分)水电站向小山村输电,输送电功率为50kW,若以1100V送电,则线路损失为9kW,若以3300V送电,则线路损失可降低至      kW。当用3300V送电时,为使电压降至我国规定的生活用电电压,不计线路损失,山村中降压变压器初次级线圈匝数比为     

试题详情

9.(6分)在均匀媒质中,各质点的平衡位置在同一直线上,

         高三物理·四模·第3页(共8页)

相邻两质点间的距离为,振动由质点1向右传播,质点1开始振动的速度方向竖直向上,经时间t,前13个质点第一次形成如图7所示的波形,该波的周期为___  _____,波长为________。

试题详情

8.在一根软铁棒上绕有一组线圈, ac是线圈的两端, b为中心抽头。把a端和b抽头分别接到两条平行金属导轨上, 导轨间有匀强磁场, 方向垂直于导轨所在平面并指向纸内, 如图6所示。金属棒PQ在外力作用下以图示位置为平衡位置左右作简谐运动, 运动过程中保持与导轨垂直, 且两端与导轨始终接触良好。下面的过程中ac点的电势都比b点的电势高的是

A.PQ从平衡位置向左边运动的过程中

B.PQ从左边向平衡位置运动的过程中

C.PQ从平衡位置向右边运动的过程中

D.PQ从右边向平衡位置运动的过程中

试题详情

7.如图5,质量m的金属滑块A静置于光滑平面上,且通过细绳跨过定滑轮与质量为m的物体B相连,图中有匀强磁场,d表示A与磁场左边界的距离,不计滑轮摩擦及空气

阻力,设B下降h(h>d)高度时的速度为V,则以下关系中能够成立的是

A.V2=gh            B.V2=2gh

C.A产生的热量Q=mgh-mV2    D.A产生的热量Q=mg(h-d)-mV2

试题详情

6.如图4,三只白炽灯泡L1L2L3分别和电感、电阻、电容串联后并联接在同一个交变电源上。当交变电源的电压为U,频率为50Hz时,三只灯泡的亮度相同。那么当交变电源的电压不变,而频率增大后,三只灯泡的亮度变化将是

A.L1变暗,L2不变,L3变亮

B.L1变亮,L2不变,L3变暗

    高三物理·四模·第2页(共8页)

C.L1变暗,L2变亮,L3变亮

D.L1变亮,L2变亮,L3变暗

试题详情

5.一平行板电容器两极间距离为d,与电源连接时两板间有一个带电微粒恰好静止。现在把他们与电源断开,用绝缘手柄使两极在d与2d之间上下周期性运动,则微粒

A.仍然处于静止状态   B.上下往复运动

C.向上加速运动     D.向下加速运动

试题详情

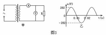
4.理想变压器连接电路如图3(甲)所示,当输入电压波形如图3(乙)时,已知原副线圈匝数比10∶1,安培表读数2A,则

 A.伏特表读数282V    B.伏特表读数28.2V

 C.输入功率为56.4W    D.输入功率为40W

试题详情

3.如图2所示,将一个内、外侧均光滑的半圆形槽,置于光滑的水平面上,槽的左侧有一个竖直墙壁。现让一个小球自左端槽口A的正上方从静止开始下落,与半圆形槽相切

高三物理·四模·第1页(共8页)

从A点进入槽内,则以下说法正确的是

A.小球在半圆形槽内运动的全过程中,只有重力对它做功

B.小球在半圆形槽内运动的全过程中,小球与槽组成的系统机械能不守恒

C.小球从最低点向右侧最高点运动的过程中,小球与槽组成的系统在水平方向动量守恒

D.小球离开右侧最高点以后,将做竖直上抛运动

试题详情

2.有两个光滑固定斜面AB和BC,A和C两点在同一水平面上,斜面BC比斜面AB长,如图1所示。一个滑块自A点以一定的初速度上滑,到达B点时速度减小为零,紧接着滑块沿BC滑下。设滑块从A点到C点的总时间是tC,在图1(b)中的四个图中,正确表示滑块速度大小随时间变化规律的是

试题详情


同步练习册答案