题目列表(包括答案和解析)

 0  171610  171618  171624  171628  171634  171636  171640  171646  171648  171654  171660  171664  171666  171670  171676  171678  171684  171688  171690  171694  171696  171700  171702  171704  171705  171706  171708  171709  171710  171712  171714  171718  171720  171724  171726  171730  171736  171738  171744  171748  171750  171754  171760  171766  171768  171774  171778  171780  171786  171790  171796  171804  447348 

7.如图所示为单摆的振动图象,根据此振动图象不能确定的物理量是(   )

A.摆长         B.振幅

C.频率         D.回复力

试题详情

6.若已知月球和地球之间的距离为r,月球绕地球运动的周期为T,万有引力常量为G,则由此可求出(   )

A.月球的质量        B.月球的密度    C.地球的质量      D.地球的密度

试题详情

5.以下四种情况中,物体受力平衡的是(   )

A.水平弹簧振子通过平衡位置时     B.单摆的摆球通过平衡位置时

C.竖直上抛的物体在最高点时      D.物体做匀速圆周运动时

试题详情

4.两个质量相同的物体分别放在北京和广州,物体随地球自转做匀速圆周运动,则这两个物体具有大小相同的物理量是(   )

A.向心力        B.角速度        C.加速度        D. 线速度

试题详情

3.关于液体的微观结构下列说法中正确的是(   )

A.液体分子间距很大,相互作用力很弱

B.液体分子在杂乱无章地运动,无任何规律性

C.液体分子在振动,但无确定的平衡位置

D.液体分子排列整齐,在确定的平衡位置附近振动

试题详情

2.可见光、红外线和X射线所对应的每个光子的能量最大和最小的分别是(   )

A. X射线和红外线  B. X射线和可见光   C.可见光和X射线   D.可见光和红外线

试题详情

1.一颗恒星的寿命取决于它的(   )

A.光度    B.质量     C.直径     D.温度

试题详情

题目在答卷纸上

试题详情

29.(8分)在如图(甲)所示的电路中,电阻R1 和R2都是纯电阻,它们的伏安特性曲线分别如图(乙)中OaOb所示。电源的电动势=7.0V,内阻忽略不计。

(1)调节滑动变阻器R3,使电阻R1R2消耗的电功率恰好相等,则此时电阻R1R2的阻值为      R3接入电路的阻值为      

(2)调节滑动变阻器R3,使R3=0,这时电阻R1的电功率P1       W,R2的电功率P2       W。

试题详情

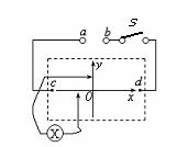
28.(6分)(1)如图所示为“描绘电场的等势线”的实验装置,其中ab处的电源应选用6V的      电源(选填“交流”或“直流”),电表X则选用量程适当,零刻度在刻度盘中央的灵敏电流计。

(2)如果以c、d两个电极的连线为x轴,以c、d连线的中垂线为y轴,并将一个探针固定置于y轴上的某一点,合上开关S,而将另一探针由O点左侧沿x轴正方向移到O点右侧的过程中,则电表X的指针与零刻度夹角的变化情况是:(    )

A.  逐渐增大       

B.逐渐减小  

C.先变大后变小     

D.先变小后变大

试题详情


同步练习册答案