题目列表(包括答案和解析)

 0  172541  172549  172555  172559  172565  172567  172571  172577  172579  172585  172591  172595  172597  172601  172607  172609  172615  172619  172621  172625  172627  172631  172633  172635  172636  172637  172639  172640  172641  172643  172645  172649  172651  172655  172657  172661  172667  172669  172675  172679  172681  172685  172691  172697  172699  172705  172709  172711  172717  172721  172727  172735  447348 

3.(18分)某同学用时间传感器代替了秒表做“用单摆测定重力加速度”的实验,他的设计如图甲所示:长为l的摆线另一端固定在铁架台上,另一端连接一质量为m,半径为r的小球,在摆线上紧临小球套有一小段轻细挡光管,在单摆摆动到平衡位置时,挡光管就能挡住从光源A正对光敏电阻R1发出的细光束,信号处理系统就能形成一个电压信号,如图乙所示,R2为定值电阻,

①某同学用10分度的游标卡尺测小球直径,如图丙所示。正确的读数是      mm

R1两端电压u与时间t关系如图乙所示,用此装置测得的重力加速度表达式为       

  ③当有光照射R1时,信号处理系统获得的是     .(填“高电压”或“低电压”)

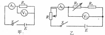
  (2)为了测定0-3.0V直流电压表的内阻,采用如图所示的电路.
①可供选择的实验步骤是:
    A.闭合开关S.
    B.将电阻箱R0的阻值调到零.
    C.调节滑动变阻器的滑片P的位置,使电压表示数为3.0V.
    D.断开开关S.
    E.保持滑动电阻器的滑片P的位置不变,再调节电阻箱R0
使电压表示数为1.5V,读出此时电阻箱R0的阻值.
    F.把滑动变阻器滑片P移至b端.
上述步骤合理的顺序是________.
    ②若上述步骤G中读出R0的阻值为2400Ω.则该电压表的内阻测量值为____,测量值比真实值__________(填“大于”、“等于”、“小于”)真实值。

试题详情

2.(18分)

  (1)某同学做“用单摆测定重力加速度”实验。先测得摆线长为101.00cm,摆球直径为2.00cm,然后用秒表记录了单摆振动50次所用的时间为101.1s。则

     ①他测得的重力加速度g=      m/s2。(结果保留三位有效数字)

②他测得的g值偏大。可能的原因是         

A.测摆线长时摆线拉得过紧

B.摆线上端没有牢固地系于悬点,振动中出现松动,使摆线长度增加了

C.开始计时的时候,秒表过早按下

D.实验中误将49次全振动数为50次

  (2)某同学做“测定电源的电动势和内阻”实验。

       ①他采用如图1所示的实验电路进行测量。图2给出了做实验所需要的各种仪器。请你按电路图把它们连成实验电路。

②这位同学测量时记录了5组数据,并将数据填入了以下表格中。请你根据这些数据在图3中画出U-I图线。根据图线求出电池的电动势E=     V,内阻r=       Ω。

次数
1
2
3
4
5
I(A)
0.15
0.25
0.36
0.45
0.56
U(V)
1.40
1.35
1.30
1.25
1.20

 

     ③这位同学对以上实验进行了误差分析。其中正确的是      

        A.实验产生的系统误差,主要是由于电压表的分流作用

        B.实验产生的系统误差,主要是由于电流表的分压作用

        C.实验测出的电动势小于真实值

        D.实验测出的内阻大于真实值

试题详情

1.(每空3分,即每小题6分,共18分)。

  (1)一组同学在做“用单摆测定重加速度”的实验中,用正确的操作方法,测定了6组摆长L和周期T的对应值。为了求出当地的重力加速度g,4位同学提出了4种不同的处理方法:

     A.从测定的6组对应值中任意选取1组,用公式g=4π2L/T2求出g作为测量值

B.先分别求出6个L值的平均值 和6个T值的平均值,再用公式g=4π2 /2

求出g作为测量值

C.先分别用6组L、T的对应值,用公式g=4π2L/T2求出6个对应的g值,再求

这6个的平均值作为测量值

D.在坐标纸上作出T2-L图象,从图中计算出图线的斜率k,根据g=π2/k求出g

作为测量值

     你认为以上4种方法中,错误的是哪一种     (填代号即可),其余正确方法中,

偶然误差最小的是     (填代号即可)

  (2)利用一块玻璃砖,以插针法测玻璃的折射率。如图P1、P2、P3、P4为插针位置。实验后发现玻璃砖的两个面aa′和bb′明显不平行。那么      (填“平行”或“不平行”);这件事对测得的折射率     影响(填“有”或“无”)

  (3)用伏安法测电阻时,由于电压表、电流表内阻的影响,测量结果总存在系统误差。按图所示的电路进行测量,可以消除这种系统误差。

     A.该实验的第一步是:闭合电键S1,将电键S2接2,调节滑动变阻器Rp和r,使电压表读数尽量接近满量程,读出这时电压表和电流表的示数U1、I1;第二步是:将电键S2接1,读出这里电坟表和电流表的示数U2、I2

B.由以上记录数据计算被测电阻Rx的表达式是Rx­=    

  C.将实物图中给出的仪器按照电路图的要求连接起来。

试题详情

5.(17分)

    (1)下图是某同学用打点计时器做的“研究小车的匀变速直线运动”实验时打出的一条纸带,A、B、C、D、E为该同学在纸带上所选的计数点,相邻计数点间的时间隔为0.1s.

        由图可知:打点计时器打下D点时小车的瞬时速度为    m/s,小车的加速度为

          m/s。

  (2)现有一量程为3V的电压表,内阻为5kΩ-6kΩ。为了较淮确地测量其内电阻,在没有电流表的情况下,某同学设计了如图甲所示的实验电路,按此电路可以测出电压表的电阻。

     ①根据图甲所示的电路图,完成如图乙所示的实物电路的连线。

       (在答题卷上画)

②接通电路前应将滑动变阻器的滑动头P置于    端。

  ③若电源E、滑动变阻器R2、电阻箱R1各有两组可供选择:

电源E:

a.电动势4.0V,有内阻          b.电动势8.0V,有内阻

滑动变阻器R2

a.最大阻值20Ω               b.最大阻值1700Ω

电阻箱R1

a.0-999.9Ω                  b.0-9999.9Ω

为了减小实验误差,电源E应选     (填序号“a”或“b”,下同),滑动变阻器R2应选     ,电阻箱R1应选    

④本实验从原理上分析,电压表内电阻的测量值比真实值    (填“大”或“小”)。

试题详情

4.(17分)(1)某学生用螺旋测微器在测定某一金属丝的直径时,测得的结果如下左图所示,则该金属丝的直径d =      mm。另一位学生用游标尺上标有20等分刻度的游标卡尺测一工件的长度,测得的结果如下右图所示,则该工件的工度L =     cm。

 

  (2)某待测电阻Rx的阻值约为20Ω,现要测量其阻值,实验室提供器材如下:

        A.电流表A1(量程150mA,内阻r1 = 10Ω)

        B.电流表A2(量程20mA,内阻r2 = 30Ω)

        C.定值电阻R0 = 100Ω

        D.滑动变阻器R,最大阻值为10Ω

        E.电源E,电动势E = 4V(内阻不计)

          F.开关S及导线若干

①根据上述器材完成此实验,测量时要求电表读数不得小

于其量程的,请你在虚线框内画出测量Rx的一种实验

原理图(图中元件用题干中相应英文字母符号标注)

②实验时电流表A1的读数I1,电流表A2的读数为I2

用已知和测得的物理量表示Rx =         

试题详情

3.(17分)

  (1)(5分)利用图中所示的装置,在做“测量重力加速度”的实验中,得到了几条较为理想的纸带。已知每条纸带上每5个点取一个计数点,即两计数点之间的时间间隔为0.1s,依打点先后编为0,1,2,3,4,……。由于不小心,纸带都被撕断了,如图所示,根据给出的A、B、C、D四段纸带回答:

   

     ①在B、C、D三段纸带中选出从纸带A上撕下的那段应该是     (填字母)

     ②纸带A上,打点1时重物的速度是      m/s(结果保留三位有效数字)。

③当地的重力加速度大小是      m/s2(结果保留三位有效数字)。该地区的

地形可能为         (填“高山”或“盆地”)。

  (2)(12分)现仅有以下器材:

     电流表A1:量程0.2A            电流表A2:量程0.02A

     电流表V1:量程3.0V            电流表V2:量程100.0V

     滑动变阻器R:0~10Ω       电阻箱R0:0~9999.9Ω,0.1A

       蓄电池组E:电动势E=6V,内阻r约0.1Ω  电键S及导线若干

       为较准确测定一电阻值Rx约1.2Ω的电阻丝的阻值,已有甲、乙两位同学分别设计了甲、乙两个电路图来测量Rx。但甲、乙两电路设计均有不合理之处,请指出存在的问题(各图分别指出两处即得满分)

Ⅰ.甲图不合理之处:        ,        。

Ⅱ.乙图不合理之处:        ,        。

Ⅲ.请设计一个实验用的较合理的电路图,画在规定方框内,

并写出Rx的计算公式。(说明公式中各物理的意义)

Rx=        ;各量的意义是:        。

试题详情

2.实验题:(18分)

I.在“利用单摆测重力加速度”的实验中,用螺旋测微器测得摆球直径为d,从图可知,摆直径d的读数为    mm.

II.在实验室里为验证动量守恒定律,一般采用如图甲、乙两种装置:

   

  (1)若入射小球质量为m1,半径为r1;被碰小球质量为m2,半径为r2,则    (   )

       A.          B.

       C.          D.

  (2)若采用乙装置进行实验,以下所提供的测量工具中必需的是    .

       A.直尺       B.游标卡尺       C.天平          D.弹簧秤   E.秒表

  (3)设入射小球的质量为m1,被碰小球的质量为m2,则在用甲装置实验时(P为碰前入射小球落点的平均位置),所得“验证动量守恒定律”的结论为(用装置图中的字母表示)       

  (4)在实验装置乙中,若斜槽轨道是光滑的,则可以利用一个小球验证小球在斜槽上下滑过程中的机械能守恒. 这时需要测是的物理量有:小球释放初位置到斜槽末端的高度差h1,小球从斜槽末端做平抛运动的水平位移s、竖直高度h2,则所需验证的关系式为:        

III.现有器材:电压表V1(量程3V、内阻约几千欧),电压表V2(量程15V,内阻约几十千欧),定值电阻R1(3kΩ),滑动变阻器R(0~1750Ω),直流电源(约6V,内阻不计),开关,导线若干.

       要求利用这些器材测量电压表V1的内阻值.

  (1)在方框中画出实验电路图;

  (2)用已知量和直接测得量表示的电压表V1内阻的表达式为r=       .式中各直接测得量的意义是:         .

试题详情

4.(18分)

  (1)在测定金属丝电阻率的实验中,如图所示,用螺旋测微器测得金属丝的直径d=

          mm。如图乙所示,用多用电表的“×1”欧姆挡,调零后测得金属丝阻值R、       ,若实验中测出金属丝的长度为L,则该金属丝电阻率的表达式=      (用符号表示)

    (2)用如下图中甲所示的装置,来验

证碰撞过程中的动量守恒,图中

PQ是斜槽,OR为水平槽。O点

的水平槽末端R在记录纸上的

垂直投影点。大小相同的A、B

两球的质量之比mA:mB=3:1。

先使A球从斜槽上固定位置G

由静止释放,在水平地面的记录

纸上留下落点痕迹,重复10次,得到10个落点,再把B球放在水平槽上的末端R处,让A球仍从位置G由静止释放,与B球碰撞,碰后A、B球分别在记录纸上留下各自的落点痕迹,重得10次。A、B两球在记录纸上留下的落点痕迹如下图中乙所示,其中米尺的零点与O点对齐。

 

①碰撞后A球的水平射程应取        cm.

②本实验巧妙地利用小球飞行的水平距离表示小球的水平速度。下面的实验条件中,哪一项改变后,就可能不能用小球飞行的水平距离表示小球的水平速度了。答:       

A.使A、两小球的质量之比变为5:1

B.升高固定点G的位置

C.使A、B两小球直径之比变为1:3

D.升高桌面的高度,即升高R点离地的高度

③利用此次实验中测得的数据计算碰撞前的总动量成碰撞后的总动量的比值为        。(结果保留三位有效数字)

  5.(18分)

  (1)(6分)为测定木块与斜面间的动摩擦因数,

某同学让木块从斜面上端自静止起做匀加

速下滑运动,如(国实1)所示,他使用

的器材仅限于固定的斜面、木块、秒表、米

尺(当地重力加速度g已知)。

①实验中应记录的数据是           

②计算动摩擦因数的公式是=        

  (2)(12分)测定一个待测电阻Rx(阻值约为200)的阻值,除了待测电阻外,实验室提供了如下器材;

电池组E(电动热3V,内阻不计);

电流表 A1(量程为0-10mA,内阻约为r1=50);

电流表A2(量程为0-500A,内阻r2=1000);

滑动变阻器R1(阻值范围为0-20,额定电流为2A);

电阻箱R2(阻值范围为0-9999,额定电流为1A);

开关S,导线若干。

请你帮助该同学完成实验中的下述问题(实验中应尽可能准确地测量Rx的阻值):

①上述器材中缺少电压表,需选一只电流表将它改装成电压表。请在图甲所示方中画出将电流表改装成电压表的电路原理图,并在图中标明所用器材的代号。

②请在图乙方框中车出不则量Rx阻值的电路图,并在图中标明各器材代号。

     

甲                乙

③实验中,将电阻箱R2的阻值调为4000,再调节滑动变阻器R1,使两表的示数如下图所示,可读出电流表A1的示数是       mA,电流表A­2的示数是

       A,基于伏安法测得的阻值=       (取两位有效数字),此测量值与真实值比较是       (填“偏大”、“偏小”或“相等”)

 

试题详情

3.(17分)

  (1)(7分)暗箱上有三个接线柱A、B、C如图所示,已知里面装的元件只有两个(可能元件有电阻或二级管),并且两个接线柱间最多只接一个元件,现测量结果如下:

     a. 用欧姆×1K挡测量,A、B间正、反接红、黑表笔阻值不变

b. 用欧姆×1K挡测量,黑表笔接B点,红表笔接C点,表针偏转角较大;反接时

  表针无偏转

c. 用欧姆×1K挡测量,黑表笔接A点,红表笔接C点,表针偏转角较小;反接时

  表针无偏转

     请在图中画出箱内两个元件的接法

 

  (2)(10分)一个小球沿斜面向下运动,用每间隔1/10s曝光一次的频闪相机拍摄不同时刻小球位置的照片,如图所示,测得小球在几个连续相等的时间内位移(数据见表),则:

s1(cm)
s2(cm)
s3(cm)
s4(cm)
8.20
9.30
10.40
11.50

 

     ①通过对照片的分析,小球的运动为        直线运动(填“匀速”或“匀加速”或“变加速”)。

②小球加速度的计算式为        (用s1、s2、s3、s­4期中两个和频闪周期T表示)通过计算,加速度值为        

试题详情

2.(18分)

    (1)调节一游标尺两测脚的间距,使两测

脚间形成一个狭缝,主尺和游标尺的

位置如右图示,狭缝间距为    

   mm,让狭缝的方向和发光的日

光灯管平行,狭缝后放置一个光屏,

在光屏上会出现                    衍射条纹。

  (2)为了较精确地测量一只微安表的内阻,要求按照如图所示给出的电路进行测量,实验室中的可供选择的器材如下:

A.待测微安表(量程500A,内阻约不1k)

B.电阻箱R0(阻值0-999.9)

C.滑动变阻器R1(阻值0-10)

D.滑动变阻器R2(阻值0-1k)

E.电源(电动势2V,内阻不计)  

①实验中滑动变阻器应选用        

②按照电路图将实物图连成实验电路。

③在实验过程中步骤如下:先将滑动变阻器片P移到最右端,调整电阻箱R0的阻

值为零,合上开关S,再将滑片P缓慢左移,使微安表上电流满偏,固定滑片P不

动,调整R0的阻值,使微安表上读数正好是满刻度的,记下此时R0的电阻为448.2,那么微安表内阻的测量值应为           ,测量值比真实值          (填“偏大”“偏小”或“相等”)

试题详情


同步练习册答案