题目列表(包括答案和解析)

 0  172553  172561  172567  172571  172577  172579  172583  172589  172591  172597  172603  172607  172609  172613  172619  172621  172627  172631  172633  172637  172639  172643  172645  172647  172648  172649  172651  172652  172653  172655  172657  172661  172663  172667  172669  172673  172679  172681  172687  172691  172693  172697  172703  172709  172711  172717  172721  172723  172729  172733  172739  172747  447348 

2.(18分)如图所示,在倾角为θ的光滑斜面上,存在着两个磁感应强度相等的匀强磁场,方向一个垂直斜面向上,另一个垂直斜面向下,宽度均为L.一个质量为m、边长也为L的正方形线框(设电阻为R)以速度υ进入磁场时,恰好做匀速直线运动,若当ab边到达中间位置时,线框又恰好做匀速运动,则

(1)当ab边刚越过时,线框加速度的值为多少?

(2)求线框从开始进入磁场到ab边到达中点的过程中产生的热量是多少?

试题详情

1.(17分)如图所示,有一块木板静止在光滑且足够长的水平面上,木板质量为M=4kg,长为L=1.4m;木板右端放着一小滑块,小滑块质量为m=1kg,其尺寸小于L。小滑块与木板之间的动摩擦因数为

(1)现用恒力F作用在木板M上,为了使得m能从M上面滑落下来,问:F大小的范围是什么?

(2)其它条件不变,若恒力F=22.8牛顿,且始终作用在M上,最终使得m能从M上面滑落下来。问:m在M上面滑动的时间是多大?

 

试题详情

在本章知识应用的过程中,初学者常犯的错误主要表现在:不对电路进行分析就照搬旧的解题套路乱套公式;逻辑推理时没有逐步展开,企图走“捷径”;造成思维“短路”;对含有电容器的问题忽略了动态变化过程的分析。

例1  如图9-1所示电路,已知电源电动势ε=6.3V,内电阻r=0.5Ω,固定电阻R1=2Ω,R2=3Ω,R3是阻值为5Ω的滑动变阻器。按下电键K,调节滑动变阻器的触点,求通过电源的电流范围。

[错解]

将滑动触头滑至左端,R3与R1串联再与R2并联,外电阻

再将滑动触头滑至右端R3与R2串联再与R1并联,外电阻

[错解原因]

由于平时实验,常常用滑动变阻器作限流用(滑动变阻器与用电器串联)当滑动头移到两头时,通过用电器的电流将最大或最小。以至给人以一种思维定势:不分具体电路,只要电路中有滑动变阻器,滑动头在它的两头,通过的电流是最大或最小。

[分析解答]

将图9-1化简成图9-2。外电路的结构是R′与R2串联、(R3-R′)与R1串联,然后这两串电阻并联。要使通过电路中电流最大,外电阻应当最小,要使通过电源的电流最小,外电阻应当最大。设R3中与R2串联的那部分电阻为R′,外电阻R为

因为,两数和为定值,两数相等时其积最大,两数差值越大其积越小。

当R2+R′=R1+R3-R′时,R最大,解得

因为R1=2Ω<R2=3Ω,所以当变阻器滑动到靠近R1端点时两部分电阻差值最大。此时刻外电阻R最小。

通过电源的电流范围是2.1A到3A。

[评析]

不同的电路结构对应着不同的能量分配状态。电路分析的重要性有如力学中的受力分析。画出不同状态下的电路图,运用电阻串并联的规律求出总电阻的阻值或阻值变化表达式是解电路的首要工作。

例2  在如图9-3所示电路中,R1=390Ω,R2=230Ω,电源内电阻r=50Ω,当K合在1时,电压表的读数为80V;当K合在2时,电压表的读数为U1=72V,电流表的读数为I1=0.18A,求:(1)电源的电动势(2)当K合在3时,两电表的读数。

[错解]

(1)因为外电路开路时,电源的路端电压等于电源的电动势,所以ε=U=80V;

[错解原因]

上述解答有一个错误的“替代假设”:电路中的电流表、电压表都是理想的电表。事实上,问题并非如此简单。如果进一步分析K合在2时的情况就会发现矛盾:I1R1=0.18×390=70.2(V)≠80V,这就表明,电路中的电流表和电压表并非理想的电表。

[分析解答]

(1)由题意无法判断电压表、电流表是理想电表。设RA、Rv分别为电压表、电流表的内阻,R′为电流表与电阻器R1串联后的电阻,R″为电流表与电阻器R2串联的电阻。则K合在2时:

由上述两式解得:R1=400Ωε=90V

[评析]

本题告诉我们,有些题目的已知条件隐藏得很深。仅从文字的表面是看不出来的。只好通过试算的方法判断。判断无误再继续进行解题。

例3  如图9-4所示,ε1=3V,r1=0.5Ω,R1=R2=5.5Ω,平行板电容器的两板距离d=1cm,当电键K接通时极板中的一个质量m=4×10-3g,电量为q=1.0×10-7C的带电微粒恰好处于静止状态。求:(1)K断开后,微粒向什么方向运动,加速度多大?(2)若电容为1000pF,K断开后,有多少电量的电荷流过R2

[错解]

当电键K接通电路稳定时、电源ε1和ε2都给电容器极板充电,所以充电电压U=ε12

带电粒子处于平衡状态,则所受合力为零,

F-mg=0

ε2=U-ε1=1(v)

当电键K断开后,电容器上只有电源  给它充电,U′=ε2

即带电粒子将以7.5m/s2的加速度向下做匀加速运动。

又 Q1=CU=103×10-12×4=4×10-9C

Q′=CU′=103×10-12×1=1×10-9C

△Q=Q-Q′=3×10-9C

极板上电量减少3×10-9C,也即K断开后,有电量为3×10-9C的电荷从R2由下至上流过。

[错解原因]

在直流电路中,如果串联或并联了电容器应该注意,在与电容器串联的电路中没有电流,所以电阻不起降低电压作用(如R2),但电池、电容两端可能出现电势差,如果电容器与电路并联,电路中有电流通过。电容器两端的充电电压不是电源电动势ε,而是路端电压U。

[分析解答]

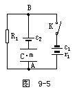
(1)当K接通电路稳定时,等效电路图如图9-5所示。

ε1、r1和R1形成闭合回路,A,B两点间的电压为:

电容器中带电粒子处于平衡状态,则所受合力为零,

F-mg=0

在B,R2,ε2,C,A支路中没有电流,R2两端等势将其简化,U+ε2=UAB,ε2=U-UAB=1.25V

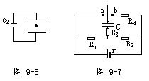
当K断开电路再次达到稳定后,回路中无电流电路结构为图9-6所示。电容器两端电压U′=ε2=1.25V

即带电粒子将以6.875m/s2的加速度向下做匀加速运动。

(2)K接通时,电容器带电量为Q=CU=4×1O-9C

K断开时,电容器带电量为Q′=CU′=1.2×10-9(C)

△Q=Q-Q′=2.75×10-9C

有总量为2.75×10-9(C)的电子从R2由下至上流过。

[评析]

本题考查学生对电容器充放电物理过程定性了解程度,以及对充电完毕后电容所在支路的电流电压状态是否清楚。学生应该知道电容器充电时,随着电容器内部电场的建立,充电电流会越来越小,电容器两极板间电压(电势差)越来越大。当电容器两端电压与电容器所并联支路电压相等时充电过程结束,此时电容器所在的支路电流为零。

根据这个特点学生应该会用等势的方法将两端等势的电阻简化,画出等效电路图,如本题中的图9-5,图9-6,进而用电路知识解决问题。

例4  如图9-7所示,电源电动势ε=9V,内电阻r=0.5Ω,电阻R1=5.0Ω、R2=3.5Ω、R3=6.0Ω、R4=3.0Ω,电容C=2.0μF。当电键K由a与接触到与b接触通过R3的电量是多少?

[错解]

K接a时,由图9-8可知

流过R3的电量为△Q=QC-Q′C =3×10-6(C)

[错解原因]

没有对电容器的充电放电过程做深入分析。图9-8图中电容器的上极板的电势高,图9-9中电容器的下极板的电势高。电容器经历了先放电后充电的过程。经过R3的电量应是两次充电电量之和。

[分析解答]

K接a时,由图9-8可知

此时电容器带电量QC=CU1=I×10-5(C)

K接b时,由图9-9可知

此时电容器带电量Q′C=CU1=0.7×10-5(C)

流过R3的电量为△Q=QC+Q′C=1.7×10-5(C)

[评析]

对于电容电量变化的问题,还要注意极板电性的正负。要分析清电容器两端的电势高低,分析全过程电势变化。

例5  在电源电压不变的情况下,为使正常工作的电热器在单位时间内产生的热量增加一倍,下列措施可行的是

(   )

A、剪去一半的电阻丝

B、并联一根相同的电阻丝

C、串联一根相同的电阻丝

D、使电热器两端的电压增大一任

[错解]

为原来的一半,所以选A、B。

[错解原因]

忽略了每根电阻丝都有一定的额定功率这一隐含条件。

[分析解答]

将电阻丝剪去一半后,其额定功率减小一半,虽然这样做在理论上满足使热量增加一倍的要求,但由于此时电阻丝实际功率远远大于额定功率,因此电阻丝将被烧坏。故只能选B。

[评析]

考试题与生产、生活问题相结合是今后考试题的出题方向。本题除了需要满足电流、电压条件之外,还必须满足功率条件:不能超过用电器的额定功率。

例6  如图9-10所示的电路中已知电源电动势ε=36V,内电阻r=2Ω,R1=20Ω,每盏灯额定功率都是2W,额定电压也相同。当K闭合调到R2=14Ω时,两灯都正常发光;当K断开后为使L2仍正常发光,求R2应调到何值?

[错解]

设所求电阻R′2,当灯L1和L2都正常发光时,即通过灯的电流达额定电流I。

[错解原因]

分析电路时应注意哪些是恒量,哪些是变量。图9-10电路中电源电动势ε是恒量,灯L1和L2正常发光时,加在灯两端电压和通过每个灯的电流是额定的。错解中对电键K闭合和断开两种情况,电路结构差异没有具体分析,此时随灯所在支路电流强度不变,两种情况干路电流强度是不同的,错误地将干路电流强度认为不变,导致了错误的结果。

[分析解答]

解法一:设所求阻值R′2,当灯L1和L2正常发光时,加在灯两端电压力额定电压UL

当K闭合时,ε1=UL+I1(R1+r+R2)

当K断开时,ε2=UL+I2(R1+r+R′2),

又 ∵ε12=ε  I1=2I2=2I,(I为额定电流)

得ε= UL+2I(R1+r+R2)                 ①

ε=USL+I(R1+r+R′2)               ②

①-②I(R1+r+2R2-R2′)=0  但I≠0,∴R1+r+2R2=R′2即R′2=20+2+2×14=50Ω

解法二:设所求阻值R′2,当灯L1和L2正常发光时,加在灯两端电压为额定电压UL,由串联电路电压分析可得:

[评析]

电路中的局部电路(开关的通断、变阻器的阻值变化等)发生变化必然会引起干路电流的变化,进而引起局部电流电压的变化。应当牢记当电路发生变化后要对电路重新进行分析。

例7  如图9-11所示,电源电压保持不变,变阻器R1的最大值大于R2的阻值,在滑片P自右向左滑动过程中,R1的电功率如何变化?

[错解]

采用“端值法”,当P移至最左端时,R1=0,则Rl消耗的电功率变为0,由此可知,当滑片P自右向左滑动过程中,R1的电功率是变小的。

[错解原因]

由于题中R1>R2,所以用端值法只假设R1=0是不够的。

[分析解答]

因此,在这两种情况时,R1的电功率都是P1<U2/4R,且不难看出,Rl与R2差值越大,P1越小于U2/4R。

综上所述,本题答案应是滑片P自右向左移动时,Rl的电功率逐渐变大;当R1=R2时R1的电功率最大;继续沿此方向移动P时,R1的电功率逐渐变小。

[评析]

电路中某电阻消耗的功率,不止是由本身电阻决定,还应由电路的结构和描述电路的各个物理量决定。求功率的公式中出现二次函数,二次函数的变化不一定单调变化的,所以在求解这一类问题时,千万要作定量计算或者运用图像进行分析。

例8  如图9-12所示电路,当电键K依次接a和b的位置时,在(1)R1>R2(2) Rl=R2(3) R1<R2三种情况时,R1、R2上消耗的电功率哪个大?

[错解]

(l)根据P=I2R可知,当R1>R2时,P1>P2;当R1=R2时,P1=P2;当Rl<R2时,P1>P2

当R1>R2时,P1<P2;当R1=R2时,P1=P2;当R1<R2时,P1>P2

[错解原因]

错误在于认为电路改变时其路端电压保持不变,U1=U2,应该分析当电键K接不同位置时,电路的结构不同,电路结构改变但ε,r不变。

[分析解答]

当电键K接不同位置时,电路的结构不同。

(l)当R1<R2时,若r2=R1R2  P1-P2=0所以P1=P2;若r2<R1R2  P1-P2<0所以 P1<P2若r2> RlR2  P1-P2>0所以P1>P2

(2)当R1>R2时,若r2=R1R2  P1-P2=0,所以P1=P2;若r2<R1R2P1-P2>0所以 P1>P2;若r2> R1R2

[评析]

解决电路问题先审题,审题过后有的同学头脑中出现许多公式,他从中选择合适的公式,有的同学则从头脑中搜寻以前做过的题目,看有没有与本题相似的题目,如果有相似的题目,就把那道题的解题方法照搬过来。这些方法不一定错,但是一旦问题比较复杂,或者题目叙述的是一个陌生的物理情境,这些方法就不好用了。所以,规范化的解题步骤是必不可少的。

例9  如图9-13所示电路中,r是电源的内阻,R1和R2是外电路中的电阻,如果用Pr,P1和P2分别表示电阻r,R1,R2上所消耗的功率,当R1=R2=r时,Pr∶P1∶P2等于

[   ]

A、1∶l∶1                 B、2∶1∶1

C、1∶4∶4                D、4∶l∶1

[错解]

因为R1=R2=r,r与R1,R2并联,它们电压相同,

[错解原因]

认为电源的两端就是外电路的两端,所以内外电阻是并联关系,即认为r与R1,R2并联,Ur=U1-U2,这一看法是错误的,Ur不等于U1,Ur=ε-U1

[分析解答]

在图9-13电路中,内电阻上通过的电流与外电路的总电流相同,内电阻与外电阻是串联关系,(不能认为内电阻与外电阻并联)但R1与R2是并联的,因R1=R2,则I1=I2=I,

Ir=I1+I2=2I。

Pr∶P1∶P2=Ir2r∶I12R1∶I22R2∶=4∶1∶1。,所以是正确的。

[评析]

单凭直觉就对电路的串并联关系下结论,太草率了。还是要通过电流的分合,或电势的高低变化来做电路分析。

例10  如图9-14所示,

已知电源电动势ε=20V,内阻r=1Ω,当接入固定电阻R=4Ω时,电路中标有“3V 4.5W”的灯泡L和内阻r′=0.5Ω的小型直流电动机恰能正常工作,求(1)电路中的电流强度?(2)电动机的额定工作电压?(3)电源的总功率?

[错解]

由灯泡的额定电压和额定功率可求得灯泡的电阻

串联电路中电路中的电流强度

电动机额定工作电压U=I′r=2.7×0.5=l.35(V)

电源总功率P=Iε=2.7×20=54(W)

[错解原因]

此电路是非纯电阻电路,闭合电路欧姆定律ε=IR不适用,所以电

[分析解答]

(1)串联电路中灯L正常发光,电动机正常工作,所以电路中电流强度为灯L的额定电流。

电路中电流强度I=1.5A。

(2)电路中的电动机是非纯电阻电路。根据能量守恒,电路中

ε=UR+UL+Ur+Um

Um=ε-UR-UL-Ur=ε-I(R+RL+r)=20-1.5×(2+4+1)=9.5

(3)电源总功率P=Iε=1.5×20=30(W)。

[评析]

要从能量转化与守恒的高度来认识电路的作用。一个闭合电路中,电源将非静电能转化为电能,内外电路又将电能转化为其他形式的能。ε=U+U则是反映了这个过程中的能量守恒的关系。

例11  电动机M和电灯L并联之后接在直流电源上,电动机内阻r′=1Ω,电灯灯丝电阻R=10Ω,电源电动势ε=12V,内阻r=1Q,当电压表读数为10V时,求电动机对外输出的机械功率。

[错解]

流与其电阻成反比,

[错解原因]

上述错解过程中有两处致命的错误:一是将电动机视为纯电阻处理了,电动机不属于纯电阻,而是将电能转化为机械能,错解中利用了并联电路中支路电流与电阻成反比的结论是不恰当的,因为该结论只适用于纯电阻电路,二是不明确电动机的输入功率PM与输出功率PM的区别,IM2r′是电动机内阻发热功率。三者的关系是:PM=PM+IM2r′。

[分析解答]

根据题意画出电路图,如图9-15所示。由全电路欧姆定律ε= U+Ir得出干路电流

由已知条件可知:流过灯泡的电流

电动机的输出功率的另一种求法:以全电路为研究对象,从能量转化和守恒的观点出发P=P。本题中电路中消耗电能的有:内电阻、灯泡和电动机,电动机消耗的电能又可分为电动机输出的机械能和电动机自身消耗的内能。即Iε=I2r+IL2R+PM+IM2r′。

PM=Iε-(I2r+IL2R++IM2r′)=9(W)

[评析]

站在能量转化与守恒的高度看电路各个部分的作用。就可以从全局的角度把握一道题的解题思路,就能比较清醒地分清公式规律的适用范围和条件。

例12  如图9-16,外电路由一个可变电阻R和一个固定电阻R0串联构成,电源电动势为ε,电源内阻为r,

问:R调到什么时候,R0上将得到最大功率。

[错解]

把可变电阻R看成电源内阻的一部分,即电源内阻r′=r+R。利用电源输出功率最大的条件是R=r′得R0=R+r,即R=R0-r,所以把可变电阻调到R=R2-r时,电路中R0上得到最大功率,其大小为

[错解]

可变电阻R上得到的功率,决定于可变电阻的电流和电压,也可以用电源输出功率最大时的条件,内外电阻相同时电源有最大输出功率来计算。但是题目要求讨论定值电阻R0上的输出功率,则不能生搬硬套。定值电阻R0上的功率,决定于流过电阻R0的电流强,这与讨论可变电阻R上的功率不同。

[分析解答]

电流经过电阻R0,电流能转换成内能,R0上功率决定于电流强度大小和电阻值,即P=I2R0,所以当电流强度最大时,R0上得到最大功率。由纯电阻的闭合电路欧姆定律,有

固定电阻R0上有最大输出功率,其大小为

[评析]

在讨论物理问题时选择研究对象是重要的一环。研究对象选错了,就要犯张冠李戴的错误。明明题目中要我们计算定值电阻的功率,有人却套用滑动变阻器的结论。所以认真审题找出研究对象,也是提高理解能力的具体操作步骤。

例13  输电线的电阻共计10Ω,输送的电功率是100kw,用400V的低压送电,输电线上发热损失的功率是多少kw?改用10kV的高压送电,发热功率损失又是多少kw?

[错解]

[错解原因]

错解一是对欧姆定律使用不当,输送电压是加在输电线电阻和负载上的,如果把它考虑成输电线上的电压求电流强度当然就错了。错解二注意到了负载的作用,所求出的损失功率P1是正确的,然而在高压送电电路中,负载都是使用了变压器而错解二把它当作纯电阻使P2解错。

[分析解答]

输送电功率100kw,用400V低压送电,输电线上电流

输电线上损失功率

若用10kV高压送电输电线上电流

输电线上损失功率P2=I22r=102×1=0.1(kw)

[评析]

一道很简单的题目做错了,有些人将错解原因归结为:粗心、看错了题目。其实真正的原因是解题不规范。如果老老实实地画出电路图标出各个物理量,按图索骥就可以避免所谓的“粗心”的错误。

例14  把一个“10V 2.0W”的用电器A(纯电阻)接到某一电动势和内阻都不变的电源上,用电器A实际消耗的功率是2.0W,换上另一个“ 10V 5.0W”的用电器B(纯电阻)接到这一电源上,用电器B实际消耗的电功率有没有可能反而小于2.0W?你如果认为不可能,试说明理由,如果认为可能,试求出用电器B实际消耗的电功率小于2.0W的条件(设电阻不随温度改变)

[错解]

将“ 10V 2.0W”的用电器与电源连接,用电器正常工作说明用电器两端电压为10V,现将“ 10V 5.0W”的用电器B与电源连接,用电器两端电压是10V,B也能正常工作,实际功率是5.0W,所以用电器的实际功率不会小于2.0W。

[错解原因]

把路端电压与电源电动势混为一谈,认为路端电压是恒定的,不随外电路改变而改变。

[分析解答]

越大,U也越大,所以与ε不同,U不是恒定的。

以当B连入时,用电器两端的电压将小于10V,它消耗的实际功率将小

述条件时,B的实际功率小于2.0W。

[评析]

根据电源最大输出功率的条件做出输出功率与外电阻图(P-R图如图9-17所示)做定性分析,也可以得到同样的结果。由题意可知RA接入电路时,若电源的输出功率达到最大输出功率,则RB接入电路时,电源的输出功率肯定小于最大输出功率2W。若电源的输出功率没有达到最大输出功率,RB接入电路时,电源的输出功率有可能小于RA接入电路时输出功率2W。

例15  有四个电源,电动势均为8V,内阻分别为1Ω、2Ω、4Ω、8Ω,今要对R=2Ω的电阻供电,问选择内阻为多大的电源才能使R上获得的功率最大?

A、1Ω                B、2Ω

C、4Ω                D、 8Ω

[错解]

依“外电阻等于内电阻(R=r)时,外电路上的电功率有最大值”可知,应选内阻2Ω的电源对R供电,故选B。

[错解分析]

上述错解的根源在于滥用结论。事实上,确定的电源有最大的输出功率和确定的外电路上获得最大功率的条件是不同的。“外电阻等于内电阻(R=r)时,外电路上的电功率有最大值”只适用于电源确定而外电阻可选择的此形,而本题实属外电阻确定而电源可选的情况,两者意义不同,不可混为一谈。

[分析解答]

P是r的单调减函数,所以就题设条件而言,r取1Ω时P有最大值,应选A。

[评析]

物理学的任何规律结论的成立都是有条件的,都有其适用范围。有的同学做题比较多,习惯于套用一些熟悉题目的解题路子。这种方法有它合理的一面,也有其造成危害的一面。关键是要掌握好“条件和范围”。

例16  图9-18所示,为用伏安法测量一个定值电阻阻值的实验所需要的器材实物图,器材规格如下:(1)待测电阻RX(约100Ω)(2)直流毫安表(量程0-10mA,内阻50Ω)(3)直流电压表(量程0-3V,内阻5kΩ)(4)直流电源(输出电压4V,允许最大电流1A)(5)滑动变阻器(阻值范围0-15Ω,允许最大电流1A)(6)电键一个,导线若干条。根据器材的规格和实验要求,在本题的实物图上连线。

[错解]

错解一:如图9-19所示,此种连法错在变阻器的右下接线柱和电源的负极之间少连了一条线,即使变阻器取最大值,通过电路的电流也超过了10mA,大于毫安表的量程。

错解二:如图9-20所示有两处不妥:①电压调节范围小;②电流过大。这种连法实际上与图9-19的错误是一样的。

错解三:如图9-21所示,此种连法是用伏安法测量,电路与变阻器由滑动触头并联,无论变阻器的阻值怎样变化,流过毫安表的电流

始终超过毫安表的量程,而且当滑动触头滑到最左端时,电源还有被短路的可能,故连接错误。

错解四:如图9-22所示,可见这种连法实际上与图9-21(变阻器取最大值时)的错误是一样的。

错解五:如图9-23所示,显然可见,当电键闭合时电源被短路,这是不允许的,连接错误。

错解六:如图9-24所示,电键闭合后电源被短路,滑到最右端时,电流超过毫安表的最大量程,故连接错误。

错解七:如图9-25,无论电键是否闭合,电源、变阻器回路始终是接通的,电键的位置连接错了。

连接上的原因是:在高中学习伏安法测电阻时,接触的多是将变阻器连接一个上接线柱和一个下接线柱,串连在电路中分压限流,因而在做此题时,采用了习惯连法,没有对器材的规格要求进行计算、分析。

(2)将毫安表内接错误,错误的症结是不了解系统误差产生的原因,也是没有对器材的规格进行具体分析。

(3)出现同时连接变阻器的两个上接线柱;电表的“+”、“-”接反;不在接线柱上连线,而是在连线上连线等,说明学生缺乏实验操作的规范化训练,或缺乏亲自动手做实验。

[分析解答]

用伏安法测电阻,首先要判明电流表应该内接还是外接,由题目所给器材规格来看,显然不满足RA<<Rx条件,而是满足Rv>>Rx条件,所以应采用外接法。若图9-26电路,当滑动触头P处于最左端,滑动变阻器为最大值时,由题设条件流过电流表的电流

超过安培表的量程。因此变阻器既应分压又应分流。

正确的连接图为图9-27所示。画图的关键是:毫安表需外接,变阻器接成分压电路。实验开始前将滑动变阻器的滑动触头滑至分压为零的位置。

[评析]

在设计实验过程时,要根据具体实验条件,灵活应用实验原理,改变实验方法。善于从习题中或所学的物理定律的推论中得出实验原理和方法。基本原则是不能是电表超过量程,测量误差尽可能小;不能使用电器超过其额定功率,结构上不能出现短路断路现象。

例17  如图9-28所示电路的三根导线中有一根是断的。电源电阻器R1·R2及另外两根导线都是好的。为了查出断导线,某学生想先用万用表的红表笔连接在电源的正极a,再将黑表笔分别连接在电阻器Rl的b端和R2的c端,并观察万用表指针的示数。在下列选挡中,符合操作规程的是:

[   ]

A.直流10V挡          B.直流0.5A挡

C.直流2.5V挡         D.欧姆挡

[错解]

如果电路连接正常,电路中的电流

测量的最大电压为U1=IR1=2V。可选A、C。

用欧姆挡可以直接测量回路中的电阻是否等于15Ω或者等于10Ω。

[错解原因]

选B的同学没有考虑R1与R2之间的导线断开的情况。选C的同学没有考虑到无论哪根导线断开,测得的电压都等于6V,大于2.5V。如选D的同学没有考虑到如果被测回路中有电源,欧姆表就可能被毁坏或读数不准。

[分析解答]

设万用表各挡都理想,忽略电源的内阻。选用不同功能档时,应画出电路图,至少在头脑中想清楚。

用电压挡测量时,由于电路断开(无论是从ab间断开,还是从R1与R2之间断开)电路中无电流,黑表笔与电源负极等电势。直流电压挡测量的数值是电源电动势ε=6V。所以A选项可行,C选项不行。

用电流挡测量时,假设ab间导线完好,而R1与R2之间导线断开,

B选项。

被测回路中有电源,欧姆表不能适用,排除D选项。

[评析]

本题考查学生的实验能力。还考察学生的逻辑思维能力。逻辑思维的基础是对电路结构的理解。养成正确的电路分析的习惯,处处受益。

试题详情

本章涉及到的基本方法有运用电路分析法画出等效电路图,掌握电路在不同连接方式下结构特点,进而分析能量分配关系是最重要的方法;注意理想化模型与非理想化模型的区别与联系;熟练运用逻辑推理方法,分析局部电路与整体电路的关系

试题详情

本章内容包括电流、产生持续电流的条件、电阻、电压、电动势、内电阻、路端电压、电功、电功率等基本概念,以及电阻串并联的特点、欧姆定律、电阻定律、闭合电路的欧姆定律、焦耳定律、串联电路的分压作用、并联电路的分流作用等规律。

试题详情

6.在如图所示的电路中,电源电动势为ε,内电阻为r,三个可变电阻分别用R1R2R3表示。那么,在三个可变电阻的阻值变化的过程中,一定能够使得通过R3的电流变小的方案是        (    )

(A)R1R2都不变,R3变小

(B)R1R3都变大,R2不变

(C)R1R3都变大,R2变小

(D)R1R2R3都变大

试题详情

5、(13分)如图26所示,电源(Er)由n个电动势E0均为1.5V,内阻均为r0的电池串联所组成(EnE0rnr0),合上开关S,变阻器的滑动头C从A端滑至B端的过程中,电路中的一些物理量的变化由图27甲、乙、丙三个图给出,电表、导线对电路的影响不计。求:(1)组成电源的串联电池的个数n;(2)变阻器总阻值;(3)甲、乙、丙三个图上的a、b、c、d各点的坐标。(甲图为输出功率与路端电压关系曲线;乙图为路端电压与总电流关系曲线;丙图为电源的效率与外电路电阻关系曲线。这里的效率指电源的输出功率与总功率的比值。)

试题详情

4.如图所示,调节可变电阻R的阻值,使电压表V的示数增大△U,在这个过程中(    )

  

A.R2两端的电压减小,减少量一定等于△U

B.通过R1的电流增加,增加量一定大于ΔUR1

C.路端电压增加,增加量一定等于△U

D.通过R2的电流减小,但减少量一定小于ΔUR2

试题详情

3.(12分)

(1)  根据闭合电路欧姆定律得I=ε/(R+r)=12/(2+30)=0.375A(2分)

(2)  由表格得到:R=30-0.08F    ( 3分)  

(3)  根据闭合电路欧姆定律得I=ε/(R+r)  当I=0.8时  R=13Ω 

代入上式得F=212.5N  (2分)

根据力矩平衡G·BO=F·AO  得G=637.5N  (2分)

(4)  由于安培表的量程为3A  根据闭合电路欧姆定律代入数据得Rmin=2Ω

代入:R=30-0.08F得Fmax==350N 

根据力矩平衡G·BO=F·AO  得Gmax=1050N  ( 3分)

试题详情

3.(12分)有一种测量人体重的电子秤,其原理图如图中的虚线所示,它主要由三部分构成:踏板、压力杠杆ABO(O点为固定转动轴)、压力传感器R(是一个阻值可随压力大小而变化的电阻器)、显示体重的仪表G(其实质是理想电流表)。其中AO∶BO=3∶1。已知压力传感器的电阻R与其所受压力F的关系如下表所示:

压力F/N
0
50
100
150
200
250

电阻R/
30
26
22
18
14
10

设踏板和杠杆组件的质量可忽略不计,已知理想电流表的量程为3A,电源电动势为12V,内阻为2Ω,接通电源,则:

(1)该秤零刻度线(即踏板空载时的刻度线)应标在电流表刻度盘多少A处?

(2)利用表中的数据归纳出电阻R随压力F变化的函数式。

(3)如果某人站在踏板上,电流表刻度盘示数为0.8安,这个人的体重是多少N?

(4)该秤能测量的最大体重是多少N?

试题详情


同步练习册答案