0  110537  110545  110551  110555  110561  110563  110567  110573  110575  110581  110587  110591  110593  110597  110603  110605  110611  110615  110617  110621  110623  110627  110629  110631  110632  110633  110635  110636  110637  110639  110641  110645  110647  110651  110653  110657  110663  110665  110671  110675  110677  110681  110687  110693  110695  110701  110705  110707  110713  110717  110723  110731  447090 

B.在棒匀速运动且棒上的电流已达到稳定的,

试题详情

A.在棒匀速运动且棒上的电流已达到稳定后,

试题详情

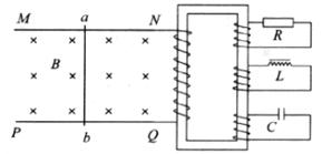
8.如下图所示,MN和PQ为处于同一水平面内的两根平行的光滑金属导轨,垂直导轨放置金属棒与导轨接触良好。N、Q端接理想变压器的初级线圈,理想变压器的输出端有三组次级线圈,分别接有电阻元件R、电感元件L和电容元件C。在水平金属导轨之间加竖直向下的匀强磁场,若用分别表示通过R、L和C的电流,则下列判断中正确的是

试题详情

7.如上右图所示,分别用恒力F1、F2先后将质量为的物体由静止开始沿一粗糙的固定斜面由底端拉至顶端,两次所用时间相同,第一次力F1沿斜面向上,第二次力F2沿水平方向,则两个过程

A.合外力做的功相同                                    B.物体机械能变化量相同

C.F1做的功与F2做的功相同                          D.F1做的功比F2做的功多

试题详情

                

试题详情

A.1020                B.1000               C.980Q                 D.20

试题详情

6.电阻R与两个完全相同的晶体二极管D1和D2连接成如下左图所示的电路,端的电势差V时,流经点的电流为0.01A;当V时, 流经点的电流仍为0.01A,则电阻R的阻值约为

试题详情

A.                  B.                 C.     D.无法确定

试题详情

5.在光滑水平面上,质量为的小球A正以速度匀速运动,某时刻小球A与质量为的小球B发生正碰,两球相碰后,A球的动能恰好变为原来的1/4,则碰后B球的速度大小是

试题详情


同步练习册答案