0  110520  110528  110534  110538  110544  110546  110550  110556  110558  110564  110570  110574  110576  110580  110586  110588  110594  110598  110600  110604  110606  110610  110612  110614  110615  110616  110618  110619  110620  110622  110624  110628  110630  110634  110636  110640  110646  110648  110654  110658  110660  110664  110670  110676  110678  110684  110688  110690  110696  110700  110706  110714  447090 

10.如图所示,两根光滑的金属导轨平行放置在倾角为的斜面上,导轨的左端接有电阻R,导轨的电阻可忽略不计。斜面处在匀强磁场中,磁场方向垂直于斜面向上,质量为、电阻可忽略不计的金属棒在沿斜面与棒垂直的恒力F作用下沿导轨匀速上滑,并上升高度,在这过程中

试题详情

9.如图所示,平行实线代表电场线,方向未知,带电荷量为的正电荷在电场中只受电场力作用,该电荷由A点移到B点,动能损失了0.1J,若A点电势为-10V,则

A.B点的电势为零                                         B.电场线方向向左

C.电荷运动的轨迹可能是图中曲线①            D.电荷运动的轨迹可能是图中曲线②

试题详情

A.下滑过程中A球减少的机械能总是等于B球增加的机械能

B.下滑过程中A球减少的重力势能总是等于B球增加的重力势能

C.A球可沿凹槽下滑到槽的最低点

D.杆从右向左滑回时,B球一定能回到凹槽的最低点

试题详情

8.如下图所示,内壁光滑的环形凹槽半径为R,固定在竖直平面内,一根长度为的轻杆两端分别固定有质量分别为的A、B两球,将两球放入凹槽内,小球B位于凹槽的最低点,由静止释放后

试题详情

A.8m/s,向右传播                                  B.4.8m/s,向左传播

C.24m/s,向左传播                                    D.24m/s,向右传播

试题详情

7.一列沿水平方向传播的简谐横波,频率为10Hz,振动方向沿竖直方向,当某一介质质点P到达其平衡位置且向下运动时,另一个平衡位置在其右方0.60m处的质点Q刚好到达最高点。由此可知该波的波速和传播方向可能是

试题详情

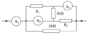
C.,表A3的示数等于.2A                 D.表A3的示数无法判断

试题详情

A.,表A3的示数等于3.2A               B.,表A3的示数等于3.2A

试题详情


同步练习册答案