0  112072  112080  112086  112090  112096  112098  112102  112108  112110  112116  112122  112126  112128  112132  112138  112140  112146  112150  112152  112156  112158  112162  112164  112166  112167  112168  112170  112171  112172  112174  112176  112180  112182  112186  112188  112192  112198  112200  112206  112210  112212  112216  112222  112228  112230  112236  112240  112242  112248  112252  112258  112266  447090 

3.如图所示,一束光从空气中射向折射率n=2的某种玻璃的表面i表示入射角,则下列说法中不正确的是                                                    (    )

试题详情

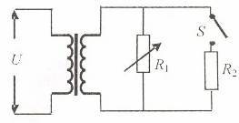
      A.只增加原线圈的匝数                        B.只增加副线圈的匝数

      C.只增加用电器R1的电阻                    D.断开开关S

试题详情

2.如图所示为一理想变压器,电路中的开关S原来闭合,在原线圈输入电压不变的条件下,要提高变压器的输入功率,可采用的方法是         (    )

试题详情

      A.由起点到终点火炬手所走线路的总长度是火炬的位移

      B.线路总长度与火炬所走时间的比等于登山的平均速度

      C.在计算登山运动的速度时可以把火炬手当成质点

      D.顶峰的重力加速度要比拉萨的重力加速度大

试题详情

1.北京奥运火炬实现了成功蹬上珠峰的预定目标,如图所示是火炬手攀登珠峰的线路图,请跟据此图判断下列说法正确的是                                                   (    )

试题详情

       C.              D.

试题详情

       A.P=P2+(P3P2                       B.

试题详情

   (1)物块A的质量。

   (2)物块B在压缩弹簧开始直到B达到最大速度的过程中,它对弹簧做的功。

   (3)若用T表示物块B的速度由v减到零所用的时间,用P3表示物块A对地面的最大压力,试推测:物块的速度由v减到零的过程中,物块A对地面的压力P随时间t变化的规律可能是下列函数中的(要求说明推测的依据)

试题详情

25.(20分)物块A与竖直轻弹簧相连,放在水平地面上,一个物块B由距弹簧上端OH高处自由落下,落到弹簧上端后将弹簧压缩,为了研究物块B下落的速度随时间变化的规律和物块A对地面的压力随时间变化的规律,某位同学在物块A的正下方放置一个压力传感器,测量物块A对地面的压力,在物块B的正上方放置一个速度传感器,测量物块B下落的速度。在实验中测得:物块A对地面的最小压力为P1,当物块B有最大速度时,物块A对地面的压力为P2,已知弹簧的劲度系数为k,物块B的最大速度为v,重力加速度为g,不计弹簧的质量。

试题详情


同步练习册答案