0  122267  122275  122281  122285  122291  122293  122297  122303  122305  122311  122317  122321  122323  122327  122333  122335  122341  122345  122347  122351  122353  122357  122359  122361  122362  122363  122365  122366  122367  122369  122371  122375  122377  122381  122383  122387  122393  122395  122401  122405  122407  122411  122417  122423  122425  122431  122435  122437  122443  122447  122453  122461  447090 

34、如图19,电源电压恒定,R2=16Ω,当S1、S2都闭合时,通过R1、R2的电流分别为2A和0.5A;当S1、S2都断开时,灯L恰能正常发光,且灯的电功率与R1的电功率之比为3∶1。

求:(1)电源电压和R1的阻值(2)灯的电阻和它的额定功率。

 

试题详情

33、某工人用如图18所示滑轮组提升重物,工人用250N拉力将重为

400N的重物匀速提升10m,请根据提供的信息,计算三个相关的物理量。

试题详情

32、为了测定木块所受到的滑动摩擦力,两个实验小组分别设计了甲、乙两种实验方案(实验中不计弹簧测力计的重力)。

甲方案:如图17甲所示,将木板放在水平实验桌面上,用线通过弹簧测力计水平地拉住木块,沿木板方向水平拉木板,使木板在木块下面滑动。

乙方案:如图17乙所示,在水平实验桌面上将木板用线拉住,通过弹簧测力计沿木板方向水平拉木块,使木块在木板上面滑动。

请你对上述两种方案作出评价:

(1)甲方案中水平拉动木板时     (一定/不一定)要匀速,理由是        ;乙方案中水平拉动木块时     (一定/不一定)要匀速,理由是       

(2)从实验操作方面考虑:______(甲/乙)方案容易操作;从弹簧测力计读数方面考虑:______(甲/乙)方案容易读准示数。 

图17

试题详情

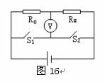
31、小王同学现有如下器材:一个电源(电压保持不变但数值未知),一个定值电阻R0,一个待测电阻Rx,一个电压表(最大量程大于电源电压),二个开关,导线若干,他用这些器材测Rx的阻值,方法如下:

(a)按图16的电路图连接好实物;

(b)只将S1闭合时,测出R0两端的电压为U0,则Ix=I0=U0/R0

(c) 只将S2闭合时,测出Rx两端的电压为Ux,则Rx=UxR0/U0

(1)请你根据电路图分析小王的实验步骤,说出他的实验方法   (对/不对),

理由是             

(2)按照下列实验步骤,使用原有器材重新设计实验,请把你的电路图画在方框内,并写出实验结果。

(a)只将S1闭合时,读出电压表的示数为U1

(b)只将S2闭合时,读出电压表的示数为U2,则Rx=     

试题详情

30、妈妈在做菜时问小俊,你知道花生油的密度是多大?

⑴ 小俊想,花生油是油类,它的密度应该比水小,于是他滴了一滴油在水中,发现油浮在水上,由此可以证明他的猜想是________(正确/错误)的。

⑵ 到学校后,他做了如下实验:先用调好的天平测出烧杯和花生油的总质量为130g;然后将一部分花生油倒入量筒中,读出量筒中花生油的体积如图14甲所示;再用天平测量剩余花生油和烧杯的质量,当天平平衡时,右盘中砝码和游码的位置如图14乙所示;最后算出花生油的密度,请你将测得的结果填入下表。

烧杯和花生油的总质量(g)
烧杯和剩余花生油的质量
(g)
量筒中花生油的质量       (g)
量筒中花生油的体积(cm3)
花生油的密度(g/ cm3)
130
 
 
 
 

(3)图15是他在实验结束后整理器材的情景,其中操作不规范的是      

试题详情

29、某班同学进行登楼比赛,看谁做功快。甲、乙同学记录自己两次从一楼跑到确定的楼层所用的时间,并填入下面表格中,然后将有关的物理量也记录在下面的表格中。

学生
实验序号
学生的质量m/Kg
楼梯的高度
h/m
登梯做的功
W/J
所用的时间
t/s
 

1
50
3
1470
5
 
2
50
3
1470
8
 

3
54
6
3175.2
12
 
4
54
3
1587.6
5
 

(1)分析比较实验序号1和2,可以得出的初步结论是___________  ______________。

(2)分析比较实验序号____________,可以得出的初步结论是:当做功所用时间相同时,做功越多,做功越快。

(3)通过实验序号2与3比较甲、乙同学做功的快慢,则可以比较       的比值,为了能比较做功快慢,请按上表格式在后面的空栏内填上需要的栏目(数据不要填)。

试题详情

28、如图13甲表示一个放在磁场中的铁质球壳截面(截面有一定厚度),外磁场的绝大部分将沿铁质球壳壁内“通过”,极少部分“进入”球内空间。这种现象可以称为“磁屏蔽”。试回答下列问题。

(1)类比于电流与电阻的关系,空气与铁这两种物质,“导磁能力”强的是________;

(2)为使精密仪器不受外面磁场的影响,可以将仪器放在铁球_________(外部/内部)

的空间中,从而达到磁屏蔽的目的。

(3)学完上述知识,用如图13乙所示的装置进行实验探究。研究对象有:铝片、玻璃片、纸片、铁片。将这些研究对象分别置于U形磁铁与回形针之间,插入    

后回形针会下落。

试题详情

27、小华探究电磁铁磁性与线圈匝数的关系,设计了如图12所示实验:他用相同的漆包线在相同的铁钉上绕制成两个电磁铁,它们的线圈匝数不同,同时用电源分别通电,小华根据图示实验现象得出结论:电磁铁的线圈匝数越多,磁性越强。

(1)小华是通过观察           来判断电磁铁磁性强弱的。

(2)小华设计的实验不妥之处是      ,请你写出实验的改进方法       

 

试题详情

26、如图11是研究       现象的实验装置。实验时,要使电流表的指针摆动,应先闭合开关,然后让导线ab     (上下/左右)运动。

试题详情

24、根据图9中螺线管旁小磁针静止的位置,画出螺线管的绕法。


 

 
25、教室里投影仪的光源是强光灯泡,发光时温度很高,必须用风扇给予降温。为了保证灯泡不被烧坏,要求:带动风扇的电动机启动后,灯泡才能发光;风扇不转,灯泡不能发光。图10中L是灯泡,M是风扇,请把图中元件连成符合投影仪工作要求的电路。(风扇受开关S2控制)

试题详情


同步练习册答案