0  124345  124353  124359  124363  124369  124371  124375  124381  124383  124389  124395  124399  124401  124405  124411  124413  124419  124423  124425  124429  124431  124435  124437  124439  124440  124441  124443  124444  124445  124447  124449  124453  124455  124459  124461  124465  124471  124473  124479  124483  124485  124489  124495  124501  124503  124509  124513  124515  124521  124525  124531  124539  447090 

5.下列关于压力和压强的说法正确的是

A.单位面积上受到的压力越大,压强越大

B.受力面积越大,压强越小

C.重力越大,压力越大

D.压力越小,压强越小

试题详情

4.直流电动机的工作原理是

A.通电导体的周围存在着磁场         B.通电导体在磁场里受到力的作用

C.电磁铁通电后,会吸引铁片         D.电磁感应

试题详情

3.“未见其人,先闻其声”,这是根据声音的哪个特性来辨别某人的声音的

A.响度         B.音色        C.音调        D.频率

试题详情

2.在四川汶川抗震救灾中,空降兵乘飞机空降到灾区,跳下飞机后,人和伞在匀速下落的过程中,以下说法正确的是

A.人和伞受到的重力等于空气阻力

B.人和伞受到的重力大于空气阻力

C.人受到的重力大于伞对人的拉力

D.人受到的重力小于伞对人的拉力

试题详情

1.某同学坐在行驶的列车内,若说他是静止的,则所选择的参照物是

A.铁轨                   B.在车内走动的乘务员

C.车窗                   D.路边的树

试题详情

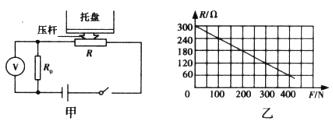
34.(8分)下图甲是某电子秤的原理示意图,电压表量程为0-3 V(可对应显示质量大小).已知电阻R0=60,压力传感器R的阻值随所受压力变化的图象如下图乙所示,压力传感器表面能承受的最大压强为2×106 Pa,压杆与压力传感器的接触面积是2 cm2.设托盘和压杆的质量可以忽略不计,电源电压恒定不变.试求:

(1)该压力传感器能承受的最大压力;

(2)若要求传感器受到最大压力时,电压表的示数达到最大值,则电源电压是多大?

(3)通过计算判断电子秤的刻度是否均匀.

试题详情

33.(6分)厦门快速公交系统(BRT)建成后,运行速度约为42 km/h,从第一码头到大学城只需40 min.如图,假如质量为50 kg的小鹭要乘出RRT公交车时,先用30 s走上高5 m的人行天桥,再用15 s从天桥乘坐自动扶梯到达BRT站台,站台比天桥高4 m.试求:

(1)第一码头到大学城的大约路程;

(2)小鹭走上人行天桥的过程中克服重力所做的功;

(3)小鹭从地面到“BRT”站台过程中克服重力做功的平均功率.

试题详情

32.(6分)如图所示,电源电压8 V,闭合开关后,电流表A1的示数为0.2 A,电流表A的示数为0.3 A.试求:

(1)R1的阻值;

(2)R2的电功率.

试题详情

31.(8分)逸舟和他的同学在探究电流与电阻的关系时,用到如下器材:电源1个,电流表、电压表各1只,定值电阻若干个,滑动变阻器1只,开关1个,导线若干。设计的电路如下图所示.

(1)闭合开关前滑动变阻器的滑片应移到__________端.实验过程中应通过调整滑动变阻器,使_____________保持不变.

(2)下面是他们获取的部分实验数据,请根据数据在坐标系上描点并连成光滑的曲线.

电阻R1
5
10
15
20
25
电流I/A
1.00
0.50
0.35
0.25
0.20

(3)如果实验过程中电压表示数突然变为0,而电流表示数不变,则发生断路的是______;如果电流表示数变为0,而电压表示数突然增大,则发生断路的是_________.

(4)若粗心的逸舟少领了一只电压表,多领了一只电流表,请在方框内设计一个电路图,使这个实验仍然可以进行.

试题详情

30.(6分)如下图所示,把小球从O点沿水平滑杆拉到A点,放开后小球在O点两侧来回振动.对小球振动的快慢,小明提出了如下猜想:

A.小球振动的快慢与它被拉离O点的距离有关;

B.小球振动的快慢与它的质量m有关.

(1)现有固定支架、弹簧、质量不同的小球、天平、刻度尺等器材,为完成本实验,还需要的器材是__________.

(2)小明实验探究的部分数据记录如下:

实验
序号
OA距离/cm
小球质量m/g
振动30次所用时间t/s
l
4
50
30
2
6
50
30
3
8
50
30

表格中的实验数据是验证猜想________时记录的.(选填“A”或“B”)

(3)分析表格中的数据,可得出结论:_________________________。

试题详情


同步练习册答案