0  124785  124793  124799  124803  124809  124811  124815  124821  124823  124829  124835  124839  124841  124845  124851  124853  124859  124863  124865  124869  124871  124875  124877  124879  124880  124881  124883  124884  124885  124887  124889  124893  124895  124899  124901  124905  124911  124913  124919  124923  124925  124929  124935  124941  124943  124949  124953  124955  124961  124965  124971  124979  447090 

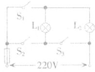
9.下图所示电路中,L1和L2分别为“220V   15W”和“220V   40W”的白炽灯泡,为了使L1、L2都发光,且L1比L2亮,应闭合的开关为__________;当开关__________闭合时,保险丝会被熔断。

试题详情

8.在2008年北京奥运会上提出了“绿色奥运”的理念,奥运场馆的建设也体现了“绿色奥运”的理念。拥有9.1万个座位的奥运会主体育馆“鸟巢”,如下图所示,将采用绿色能源--太阳能光伏发电系统,为整个场馆提供电力,可以说“鸟巢”是当今世界上最大的环保型体育场。在这里用太阳能光伏发电系统发电时的能量转换是__________转化为电能。

试题详情

7.如下图所示电路,电源电压保持不变,R为定值电阻。闭合开关S后,当滑动变阻器滑片向左移动,电流表示数__________,电压表示数__________。(填变化情况)

试题详情

6.在较平直的公路上,小汽车以50m/s速度违章高速行驶,所受平均阻力为1×103N,行驶30min,则克服阻力做的功为__________J。如此高速行驶,极易爆胎,是因为________ ______________,使轮胎及轮胎内气体温度过高,这是做功改变物体内能的一种表现。

试题详情

5.2008年3月24日,北京奥运会圣火在奥林匹亚被成功采集,并开始在希腊境内传递。下图为中国火炬手游泳名将罗雪娟手持火炬进行传递。若她在火炬传递中的速度是9,合__________m/s,若她以此速度慢跑200m需要的时间是__________s。

试题详情

4.夏季来临,小李同学买了一个电热驱蚊器,查看其说明书上的数据(如下表所示)可知:

技术参数
加热器表面温度:165℃
额定电压:220V
额定频率:50Hz    额定功率:5W
执行标准:Q/BKLX2.1-2000
准产证号:ZC0502003

(1)该电热驱蚊器__________(“能”或“不能”)直接插在照明电路的插座上。

(2)一般家庭每年用电热驱蚊器6个月(6-11月),若以每天平均使用10小时,试计算它每年大约消耗电能__________kW·h(每月按30天计)。

试题详情

3.科学的历程就是探索的历程。人们在探索太阳光过程中,发现有些光是人眼无法直接觉察的,这些光称为不可见光,其中____________能使被照物体发热,具有热效应。在探索微小粒子的过程中,人们首先发现了电子,进而认识到原子是由电子和原子核组成的。后来,人们又发现原子核是由质子和____________组成的。

试题详情

2.凸透镜和凹透镜在生活中应用很广,小明眼睛近视了,应戴____________镜;他爷爷戴的老花镜是____________镜。

试题详情

1.2008年5月12日,我国四川省汶川地区发生里氏8.0级特大地震,地震所产生的能量相当于400颗广岛原子弹爆炸的能量,大部分房屋倒塌,数万人遇难。同时,我国大部分地区都有明显的震感。这说明地震所产生的次声波能传递____________。

试题详情

24.电动自行车以其轻便、经济、环保倍受消费者青睐。某型号电动自行车的主要技术参数如下表所示。

型   号  TDR0178Z
无刷电机  48V  400W
铅酸电池  48V  80Ah
整车质量  84。4kg
外包尺寸 1860×530×1050

(1)若该车和人共重l400N,行驶时两轮胎与地的接触面积共为1.0×10-2m2,那么车对地面的压强多大?

(2)在某平直路段上,电动自行车以额定功率匀速行驶时,受到的平均阻力为40N。此时自行车的动力多大?若行驶速度为7m/s,则ls内动力对自行车所做的功是多少?电动自行车的效率多大?

(3)与内燃机摩托车相比,电动自行车在环保节能方面有许多优点,请写出其中的两条。

试题详情


同步练习册答案