0  125568  125576  125582  125586  125592  125594  125598  125604  125606  125612  125618  125622  125624  125628  125634  125636  125642  125646  125648  125652  125654  125658  125660  125662  125663  125664  125666  125667  125668  125670  125672  125676  125678  125682  125684  125688  125694  125696  125702  125706  125708  125712  125718  125724  125726  125732  125736  125738  125744  125748  125754  125762  447090 

1.下图中属于在人耳处减弱噪声的是

试题详情

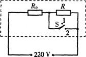
24.如图所示是铭牌上标有“220V 550W”电饭煲的原理图。它有高温烧煮和焖饭保温两挡,通过单刀双掷开关S进行调节,R0为电热丝。当开关S接高温烧煮挡时,电路的功率为550W.当开关S接焖饭保温挡时,电路的总功率为22W。

(1)电饭煲在高温烧煮挡时,开关S应与哪个触点连接?

(2)电热R0风的阻值多大?

(3)当电饭煲在焖饭保温时,电路中的电流多大?焖饭保温10min,电热丝R0产生的热量为多少?

试题详情

23.电阻为l2的电灯正常工作时电压为6V,现在只有电压为9V的电源,若把电灯接在该电源上,使它还能正常工作,则:

(1)给电灯怎样连接一个电阻,才能满足要求?

(2)连入电路的电阻阻值应为多少?

试题详情

实验
序号
消耗
电能
(kW.h)
时间
(h)
 
实验
序号
 
消耗
电能
(kW.h)
时间
(h)
 
实验
序号
消耗
电能
(kW·h)
时间
(h)
 
1
0.1
0.5
4
0.1
l
7
0.1
4
2
0.2
1
5
0.2
2
8
0.2
8
3
0.4
2
6
0.4
4
9
0.4
16

(1)分析比较实验序号l、4、7或2、5、8或3、6、9的数据及观察到的现象,可得出的初步结论是:_____________________________。

(2)分析比较实验序号______________的数据及观察到的现象,可得出的初步结论是:当灯泡通电时间相等时,灯泡消耗的电能越多,灯泡越亮。

(3)进一步综合分析比较表一、表二、表三中的数据及观察到的现象,并归纳得出结论:

a._____________________________;

b._____________________________。

试题详情

22.某小组同学在教师指导下探究灯泡发光情况。他们用三组不同规格的灯泡分别接入电路,使它们都正常发光,并用电能表和钟表分别记录灯泡正常发光时消耗的电能和发光时间。该小组的同学仔细观察灯泡的亮暗程度,发现每组的亮暗程度相同,且第一组最亮,第二组其次,第三组最暗。实验中记录的有关数据分别如表一、表二、表三所示。

试题详情

20.在连接电路时,如发现有连接错误,不少同学习惯于将电路全部拆散,重新连接.其实,有时只要思考一下,拆除或改接某些导线就能解决问题。现在考考你,如下图是

某同学连接的电路:

(1)如果合上开关,将出现________现象(选填“断路”或“短路”)。除了两只灯都不亮以外,还会造成________的不良后果。

(2)对于这个电路,只须拆除一根导线,就能成为两灯串联的正确电路。请在要拆除的那根线上打上“×”号。

试题详情

19.下图是火警自动报警器原理图,发生火警时,将会发生下列变化:a.温度升高,使铜铁双金属片向下弯曲:b.接通触点使工作电路中有电流通过;c.电磁铁有磁性;d.衔铁被吸下;e.接通触点使控制电路中有电流通过;f.电灯亮、电铃响,发出警报。这些变化正确地顺序是________。

试题详情

18.如下图电压表和电流表的示数分别是_____V和_____A。

  

试题详情

17.在图中根据通电螺线管旁小磁针静止时的指向,标出通电螺线管的N、S极和电源正负极。

试题详情


同步练习册答案