0  157263  157271  157277  157281  157287  157289  157293  157299  157301  157307  157313  157317  157319  157323  157329  157331  157337  157341  157343  157347  157349  157353  157355  157357  157358  157359  157361  157362  157363  157365  157367  157371  157373  157377  157379  157383  157389  157391  157397  157401  157403  157407  157413  157419  157421  157427  157431  157433  157439  157443  157449  157457  447090 

19.(4分)光强传感器对接收到的光信号会产生衰减,且对于不同波长的光衰减程度不同,可以用j表示衰减程度,其定义为输出强度与输入强度之比,jI/I,下图表示j与波长l之间的关系。当用此传感器分别接收A、B两束光时,传感器的输出强度正好相同,已知A光的波长lA=625nm,B光由lB1=605nm和lB2=665nm两种单色光组成,且这两种单色光的强度之比IB1:IB2=2:3,由图可知jA=__________;A光强度IA与B光强度IA之比=__________。

试题详情

18.(6分)利用图a实验可粗略测量人吹气产生的压强。两端开口的细玻璃管水平放置,管内塞有潮湿小棉球,实验者从玻璃管的一端A吹气,棉球从另一端B飞出,测得玻璃管内部截面积S,距地面高度h,棉球质量m,开始时的静止位置与管口B的距离x,落地点C与管口B的水平距离l。然后多次改变x,测出对应的l,画出l2-x关系图线,如图b所示,并由此得出相应的斜率k

    

(1)若不计棉球在空中运动时的空气阻力,根据以上测得的物理量可得,棉球从B端飞出的速度v0=________。

(2)假设实验者吹气能保持玻璃管内气体压强始终为恒定值,不计棉球与管壁的摩擦,重力加速度g,大气压强p0均为已知,利用图b.中拟合直线的斜率k可得,管内气体压强p=________。

(3)考虑到实验时棉球与管壁间有摩擦,则(2)中得到的p与实际压强相比________(填偏大、偏小)。

试题详情

17.(6分)如图为“用DIS(位移传感器、数据采集器、计算机)研究加速度和力的关系”的实验装置。

(1)在该实验中必须采用控制变量法,应保持___________不变,用钩码所受的重力作为___________,用DIS测小车的加速度。

(2)改变所挂钩码的数量,多次重复测量。在某次实验中根据测得的多组数据可画出a-F关系图线(如图所示)。

①分析此图线的OA段可得出的实验结论是_________________________________。

②(单选题)此图线的AB段明显偏离直线,造成此误差的主要原因是(   )

A.小车与轨道之间存在摩擦     B.导轨保持了水平状态

C.所挂钩码的总质量太大       D.所用小车的质量太大

试题详情

16.(6分)如图为伏打电池示意图,由于化学反应,在A、B两电极附近产生了很薄的两个带电接触层a、b。

(1)(多选题)沿电流方向绕电路一周,非静电力做功的区域是(     )

A.R              B.b                C.r                D.a

(2)在如图所示回路的各区域内,电势升高的总和等于电源的___________。

试题详情

15.(8分)(1)用多用表的欧姆档测量阻值约为几十kW的电阻Rx,以下给出的是可能的操作步骤,其中S为选择开关,P为欧姆档调零旋钮,把你认为正确的步骤前的字母按合理的顺序填写在下面的横线上。

a.将两表笔短接,调节P使指针对准刻度盘上欧姆档的零刻度,断开两表笔

b.将两表笔分别连接到被测电阻的两端,读出Rx的阻值后,断开两表笔

c.旋转S使其尖端对准欧姆档´1k

d.旋转S使其尖端对准欧姆档´100

e.旋转S使其尖端对准交流500V档,并拔出两表笔__________________。

根据下图所示指针位置,此被测电阻的阻值约为___________W。

(2)(多选题)下述关于用多用表欧姆档测电阻的说法中正确的是(       )

A.测量电阻时如果指针偏转过大,应将选择开关S拨至倍率较小的档位,重新调零后测量

B.测量电阻时,如果红、黑表笔分别插在负、正插孔,则会影响测量结果

C.测量电路中的某个电阻,应该把该电阻与电路断开

D.测量阻值不同的电阻时都必须重新调零

试题详情

14.图示电路中,R1=12W,R2=6W,滑动变阻器R3上标有“20W2A”字样,理想电压表的量程有0-3V和0-15V两档,理想电流表的量程有0-0.6A和0-3A两档。闭合电键S,将滑片P从最左端向右移动到某位置时,电压表、电流表示数分别为2.5V和0.3A;继续向右移动滑片P到另一位置,电压表指针指在满偏的1/3,电流表指针指在满偏的1/4,则此时电流表示数为__________A,该电源的电动势为__________V。

试题详情

13.如图,金属棒ab置于水平放置的U形光滑导轨上,在ef右侧存在有界匀强磁场B,磁场方向垂直导轨平面向下,在ef左侧的无磁场区域cdef内有一半径很小的金属圆环L,圆环与导轨在同一平面内。当金属棒ab在水平恒力F作用下从磁场左边界ef处由静止开始向右运动后,圆环L有__________(填收缩、扩张)趋势,圆环内产生的感应电流_______________(填变大、变小、不变)。

试题详情

12.弹性绳沿x轴放置,左端位于坐标原点,用手握住绳的左端,当t=0时使其开始沿y轴做振幅为8cm的简谐振动,在t=0.25s时,绳上形成如图所示的波形,则该波的波速为___________cm/s,t=___________时,位于x2=45cm的质点N恰好第一次沿y轴正向通过平衡位置。

试题详情

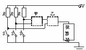
11.如图为某报警装置示意图,该报警装置在一扇门、两扇窗上各装有一个联动开关,门、窗未关上时,开关不闭合,只要有一个开关未闭合,报警器就会报警。该报警装置中用了两个串联的逻辑电路,虚线框甲内应选用_________门电路,虚线框乙内应选用_________门电路(填与、非、或)。

试题详情

10.如图为双缝干涉的实验示意图,若要使干涉条纹的间距变大可改用长更___________(填长、短)的单色光,或是使双缝与光屏间的距离___________(填增大、减小)。

试题详情


同步练习册答案