0  172494  172502  172508  172512  172518  172520  172524  172530  172532  172538  172544  172548  172550  172554  172560  172562  172568  172572  172574  172578  172580  172584  172586  172588  172589  172590  172592  172593  172594  172596  172598  172602  172604  172608  172610  172614  172620  172622  172628  172632  172634  172638  172644  172650  172652  172658  172662  172664  172670  172674  172680  172688  447090 

6.氢元素与其它元素形成的二元化合物称为氢化物,下面关于氢化物的叙述正确的是(  )

     A.一个D2O分子所含的中子数为8     B.NH3的结构式为

   C.HCl的电子式为                D.热稳定性:H2S > HF

试题详情

5.湿润的KI-淀粉试纸接触某气体而显蓝色,该气体中可能是(   )

①Cl2   ②NO2   ③H2S   ④SO2   ⑤HCl   ⑥溴蒸气

A.①③④      B.①②⑤     C.①②⑥       D.②④⑤

试题详情

4.以NA表示阿伏加德罗常数,下列说法正确的是(   )

A.0.1mol H3O+ 中含有NA个电子

B.标准状况下,11.2 L臭氧中含有NA个氧原子

C.1.8g水(H218O)含有NA个中子

   D.84 g NaHCO3晶体中含有NA个CO32-  

试题详情

3.某烧碱溶液中含有少量杂质纯碱,要除去此杂质需要加适量的下列试剂(   )

  A.CaCl2溶液     B.Ba(NO3)2溶液     C.Ca(OH)2溶液     D.稀盐酸

试题详情

2.碱金属与卤素所形成的化合物大都具有的性质是(  )                 

    ①高沸点;②能溶于水;③水溶液能导电;④低熔点;⑤熔融状态不导电。

    A.①②③        B.③④⑤         C.①④⑤        D.②③⑤

试题详情

1.关于氢键,下列说法正确的是(  )

A.每一个水分子内含有两个氢键

B.冰、水和水蒸气中都存在氢键

C.没有氢键就没有生命

   D.H2O是一种非常稳定的化合物,这是由于氢键所致

试题详情

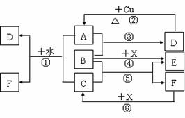
22.(10分)已知A-F是中学化学中常见物质,其中A、C、E、F为气体,B、D为液体,D的消费量常作为一个国家工业发达水平的一种标志,F的浓溶液与X共热通常用于实验室制备单质C,X是一种黑色粉末,B分子中有18个电子。反应中部分生成物已略去。

  

1,3,5
 
试回答下列:

  (1)根据图中信息,B、C、D、X氧化性从强到弱的顺序是  

  (2)F的电子式为     

   (3)写出反应②的化学方程式         

  (4)写出反应①、⑥的离子方程式

               

               

试题详情

21.(12分)有A、B、C、D、E五种短周期元素,它们的原子序数依次增大,其中B是地壳中含量最多的元素。已知A、C及B、D分别是同主族元素,且B、D两元素原子核内质子数之和是A、C两元素原子核内质子数之和的2倍;在处于同周期的C、D、E三元素中,E的原子半径最小;通常条件下,五种元素的单质中有三种气体,两种固体。

  (1)写出C与D所形成的化合物的电子式      

  (2)试比较D、E两元素的最高价氧化物对应水化物的酸性强弱(填写化学式):

     _____________  > ______________  。

  (3)将E单质通入A、B、C三种元素组成的化合物的水溶液中,写出反应的化学方程式:_____________________________________________________________ 。

  (4)写出两种均含A、B、C、D四种元素的化合物在溶液中相互反应、且生成气体的离子方程式:_______________________________________________________。

  (5)用A单质和B单质可制取气体燃料电池,该电池用多孔的惰性电极浸入浓KOH溶液,两极分别通入A单质和B单质。写出该电池的电极反应方程式:

    负极 :____________________________________;

正极 :_______________________________________。

试题详情

19.(10分)X、Y、Z三种短周期元素的原子序数为X>Y>Z, Z原子次外层电子数是最外层电子数的1/3,这三种元素原子核电荷数总和为39,且X的一种氧化物A跟水反应后可生成具有还原性的不稳定的二元酸。

  (1)试推断这三种元素是X   ,Y   ,Z    (填元素符号)

  (2)B和A的组成元素相同,A氧化为B的化学方程式是          ;C是Y的氧化物,1molC在加热时跟水反应的产物需要用6mol的氢氧化钠才能完全中和;在一定条件下,B可以跟单质Y反应生成A和C,该反应的化学方程式是          

1,3,5
 
20.(10分)某教师用如下图所示装置做“稀硝酸的氧化性及NO的性质等”演示实验。图中1、2、3、4为止水夹。操作步骤如下:

①检查装置的气密性;

②打开1、2、3、4,经漏斗加入稀硝酸,直至酸液充满试管I;

③关闭1、2,打开3、4,用酒精灯微热试管I,当

铜丝表面有气泡产生时,立即撤去酒精灯;

④随着反应进行,I中液体会流入II并浸没隔板上的铜丝,此时立即加热试管II,即可看到II中有红棕色气体产生。当红棕色气体充满II后,立即关闭3;

⑤一段时间后,关闭4并撤去酒精灯,将试管II(连同塞子及止水夹3、4)浸入盛有冰水的大烧杯中。

试回答下列问题:

  (1)步骤②中稀硝酸要充满试管I的目的是_______________________________   

  (2)步骤③中发生反应的离子方程式为_________________________________________。

  (3)步骤④中产生红棕色气体的化学方程式是_________________________________。

     该步骤中关闭3产生的结果是___________________________________________。

  (4)实验中观察到初始阶段步骤④中产生气体的速率明显快于步骤③,你认为其可能的原因是_____________________________________________。(写出一条即可)

  (5)步骤⑤中可观察到的主要现象是_________________________________________。

试题详情

18.有四种氯化物,它们的通式为XCl2,其中最可能是第IIA族元素的氯化物是   (   )

    A.白色固体,熔点低,完全溶于水,得到一种无色中性溶液,此溶液导电性差

    B.绿色固体,熔点高,易被氧化,得到一种蓝绿色溶液,此溶液具有良好的导电性

    C.白色固体,极易升华,如与水接触,可慢慢分解

    D.白色固体,熔点较高,易溶于水,得无色中性溶液,此溶液具有良好的导电性

试题详情


同步练习册答案