0  194980  194988  194994  194998  195004  195006  195010  195016  195018  195024  195030  195034  195036  195040  195046  195048  195054  195058  195060  195064  195066  195070  195072  195074  195075  195076  195078  195079  195080  195082  195084  195088  195090  195094  195096  195100  195106  195108  195114  195118  195120  195124  195130  195136  195138  195144  195148  195150  195156  195160  195166  195174  447090 

23.

                            命题人:杨梅

                            审题人:袁平

重庆一中初2009级08-09学年度下期半期考试

试题详情

21

22.

试题详情

17                 19

19

18              (1)       (2)                

20(1)        (2)         (3)         (4)       

试题详情

16.                            

试题详情

14.             15.                          

试题详情

12.                   13.                  

试题详情

8.       9 .                                

10(1)      (2)         11.                 

试题详情

1
2
3
4
5
6
7
 
 
 
 
 
 
 

试题详情

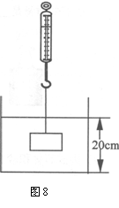
23.如图8所示,放在水平桌面上的薄壁圆柱形容器重2N,弹簧测力计的挂钩上挂着重为4N、体积为100cm3的物块,现将物块浸没水中,容器内水面由18cm上升到20cm(g=10N/kg)。求:

(1)物块未放入水中时,容器底受到的水的压强;

(2)物块浸没时弹簧测力计的拉力为多大;

(3)容器内水的重力为多少?

重庆一中初2009级08-09学年度下期半期考试

物  理  答  卷  2009.4.

试题详情

22.空心铝球的质量540g,恰能悬浮在水中,求

(1)空心铝球受到的浮力;

(2)空心铝球中空部分的体积为cm3。(ρ=2.7×103Kg/m3 )

试题详情


同步练习册答案