0  194983  194991  194997  195001  195007  195009  195013  195019  195021  195027  195033  195037  195039  195043  195049  195051  195057  195061  195063  195067  195069  195073  195075  195077  195078  195079  195081  195082  195083  195085  195087  195091  195093  195097  195099  195103  195109  195111  195117  195121  195123  195127  195133  195139  195141  195147  195151  195153  195159  195163  195169  195177  447090 

15.在图示3的电路中,要使灯L1、L2串联需要闭合的开关是_____;要使L1、L2并联,需要闭合的开关是_____;此电路绝对不能把_____两个开关同时闭合。

试题详情

14.人体的表面积大约是1.5m 2,当大气压强为一标准大气压时,人体表面受到的大气压力约是_______N,因人体内部压强____________大气压强(选填“大于”、 “小于”或“等于”)所以人体不会被压坏。

试题详情

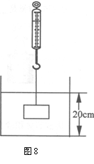
13.边长为0.1m的正方形木块漂浮在水面时,有四分之一体积露出水面,它受到的浮力是_____N,若把该木块从水中取出来放在水平台上,使它的底面面积的四分之一伸出台面外,只有四分之三面积与台面接触,则它对水平台面的压强是____Pa。

试题详情

12.小英同学在超市购物时,用5N的水平力推着一辆小车在水平地面上做匀速直线运动,这时小车受到的阻力是________________N。突然,小英发现前面有一个小孩,她马上用10N的水平力向后拉小车,使小车减速,在减速运动的过程中,小车所受的合力为__________N。(假设小车所受阻力的大小不变)。

试题详情

11.大型平板挂车装有多组车轮,目的是为了__________压强;轮胎上有凹凸不平的花纹,目的是为了________摩擦。(填“增大”或“减小”)

试题详情

9.通常在煮汤圆时,先将包好的汤圆放入沸水中,汤圆将沉在锅底,这是因为汤圆受到的浮力__________重力(填“大于、小于或等于”);待再沸腾后,汤圆逐一浮出水面,这是因为汤圆受到的浮力__________重力(填“大于、小于或等于”)。轮船从海里驶到河里,它受到的浮力_______(选填“变大”、“变小”或“不变”)。潜水艇是靠改变____________来实现浮沉的。对于现代生活给人们带来的紧张症,可用漂浮法减轻它,漂浮池内有一定深度的水,水中加有大量的_____(填“盐”或“酒精”),任何人进入池内都会漂浮起来。

10.随着人们生活水平的提高.轿车已逐步进入我国普通百姓家中。已知某国产骄车每行驶100km消耗8L汽油,汽油的密度为0.71×103kg/m3、热值为4.6×l07J/kg.则(1)10kg汽油完全燃烧时所产生的热量是_________J;
     (2)该汽车行驶100km消耗的汽油的质量是________kg。

试题详情

8.雷达可用于飞机导航,也可用来监测飞机的飞行。假设某时刻雷达向飞机发射电磁波,电磁波遇到飞机经反射后,又被雷达吸收,整个过程用时50μs(1μs=1×10-6s).已知电磁波的波速为3×108m/s,则飞机离雷达站的距离是______m。

试题详情

23.

                            命题人:杨梅

                            审题人:袁平

重庆一中初2009级08-09学年度下期半期考试

试题详情

21

22.

试题详情

17                 19

19

18              (1)       (2)                

20(1)        (2)         (3)         (4)       

试题详情


同步练习册答案