0  195768  195776  195782  195786  195792  195794  195798  195804  195806  195812  195818  195822  195824  195828  195834  195836  195842  195846  195848  195852  195854  195858  195860  195862  195863  195864  195866  195867  195868  195870  195872  195876  195878  195882  195884  195888  195894  195896  195902  195906  195908  195912  195918  195924  195926  195932  195936  195938  195944  195948  195954  195962  447090 

2.某导体两端电压是12V,每分钟通过的电量是24C,则通过导体电流是     ,导体电阻是     ,如果在3分钟内通过的电量增加到90C,那么导体中电流为    ,导体两端电压为     ,此时导体电阻为     

试题详情

1.欧姆定律的表达式是      ,式中各物理量分别是指      ,主单位分别是      

试题详情

7.2欧姆定律及其应用

[同步达纲练习]

试题详情

3.应用欧姆定律及其变形公式需注意

   (1)I、U、R这三个物理量的单位要配套,即电压单位是V,电阻单位用Ω,电流单位才是A。

   (2)欧姆定律揭示了同一段电路、同一时刻,电流与电压、电阻三者之间的关系。在应用欧姆定律时,要特别注意三者之间的一一对应关系,不能盲目乱套公式。

   例1 如图所示,R1R2串联,电阻分别为20Ω和10Ω,两端电压分别为20V和10V。要求R1中的电流,就应用R1两端电压除以R1的电阻,即I1===1A.而绝不能用R2两端电压除以R1的电阻,用R2两端电压只能除以R2的电阻,得到流过R2的电流I2==1A,因为R1R2串联,所以I1=I2

 (3)欧姆定律变形公式R=,对于给定的一段导体, 之比为一定值,即电压增加几倍,通过导体的电流同倍数增加。如果没有电流通过,导体两端没有加电压,导体的电阻仍然存在,不能认为导体的电阻跟电流、电压有关。而对于不同导体,的比值是不同的。

(4)欧姆定律在电流表、电压表中的应用

   电流表中的电阻很小,如果把它直接接到电源正负极上,由欧姆定律I=可知,当U一定时,I与R成反比,则通过电流表的电流就很大,足以烧坏电流表,因此电流表绝不可以直接接到电源上。同理,因为电压表中的电阻很大,如果把它直接接到电源上,通过电压表的电流就很小,没有烧坏电压表的危险,因此使用时可以将电压表直接接到电源上。

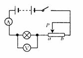
   在理想情况下,将电压表近似看成断路,电流表近似看作短路(即可当作一根导线)如下左图所示,电流表与滑动变阻器Pb段并联时,相当于用一根导线将Pb段电阻短路,那么滑动变阻器连入电路中的有效阻值为aP段。

    如下右图所示,电压表与滑动变阻器Pb段并联时,相当于与滑片P相连的导线断路,那么滑动变阻器的ab段全部连入电路中,成为一个定值电阻。无论滑片P如何移动,滑动变阻器的阻值不变。

   例2  下图是某同学测灯泡电阻的电路图,当开关闭合后,发现电流表指针不动,电灯也不亮,电压表有示数,出现故障为:(  )

   A.电流表接线柱接触不良        B.电灯接线短路

   C.灯泡灯丝断了            D.电流表量程选得过大

   解析  开关闭合后,电流表指针不动,灯也不挠,说明电路中肯定有一处发生断路。假设是“A”选项正确,那么电压表不可能有示数;假设是“B”选项正确.相当于电流表

直接接在电源正负极上,电流表示数很大,以致于被烧坏,而电压表相当于测的是一段导线两端电压,示数几乎为零,与题意不符合,由此分析,可得出“C”选项正确,电压表测的是电源电压。

[难题巧解点拨]

   例 1  某电阻的阻值增加 3Ω时,通过它的电流变为原来的4/5,求原来的电阻多大?

   解析  用欧姆定律解答稍复杂题目时,一定要把各种情况下等效电路图画出来,再根据

题目所给条件分析。

   设原来电阻为R,加在它两端电压为U时,通过它的电流为I,如图(甲)所示,阻值增加后的电阻 R'= R+3Ω,加在它两端电压仍为 U,通过它的电流  I'=I,如图(乙)所示,再由它们两端电压相等列方程:

联立方程(1)(2)得:I·R=I(R+3)

R=12Ω

巧解:由欧姆定律,当电压-定时,电流与电阻成反比,即

    ∴R=12Ω

[命题趋势分析]

   本节主要围绕对欧姆定律I=的理解和灵活运用公式计算I、U、R各物理量,以选择、填空等题型出现。

[典型热点考题]

   例1  [上海题]如图所示,长度相同、横截面积不同的同种金属棒AB和BC连接在一起。流过AB的电流为IAB,流过BC的电流为IBC,则  IAB     IBC,导体AB和BC两端电压分别为UAB和UBC,则UAB    UBC。(填“大于”、“等于”、“等于”)

解析  因为金属棒AB和BC串联,所以通过它们的电流相等,即 IAB=IBC。由欧姆定律I=知,当电流一定时,电压和电阻成正比。要比较两棒两端电压大小,也就是要比较两段导体电阻的大小。两金属棒长度、材料均相同,AB段横截面积小,故AB段电阻大, AB两端电压也就大,即 UAB> UBC

试题详情

2.欧姆定律适用于金属导体和电解溶液,不能用于有气态导体和电子元件的电路。

试题详情

1.欧姆定律

内容:导体中的电流跟导体两端的电压成正比,跟导体的电阻成反比。

基本表达式:I=

   公式变形:R=   U=I·R

试题详情

7.2 欧姆定律及其应用

[基础知识精讲]

试题详情

1.14 Ω  2.22m   3.60Ω、18V

试题详情

1.(1)串联电路两端的总电压等于各部分电路两端的电压之和;

(2)电阻一定时,导体中的电流与导体两端的电压成正比;

(3)调节定值电阻R1两端的电压.

 探究创新

试题详情

7.D 8.C 9.B 10.C 11.B 12.B 13.A 14.D 15.C 16.D 17.C 18.A 19.B 20.D

能力拓展 

试题详情


同步练习册答案