0  196680  196688  196694  196698  196704  196706  196710  196716  196718  196724  196730  196734  196736  196740  196746  196748  196754  196758  196760  196764  196766  196770  196772  196774  196775  196776  196778  196779  196780  196782  196784  196788  196790  196794  196796  196800  196806  196808  196814  196818  196820  196824  196830  196836  196838  196844  196848  196850  196856  196860  196866  196874  447090 

4.如图2所示的A、B、C三个电路,哪个是串联电路?哪个是并联电路?

试题详情

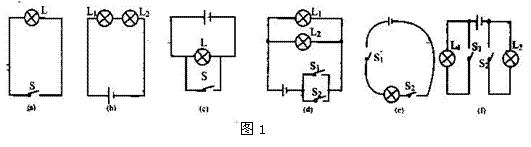
3.指出如图1中各电路图的错误或不妥之处

试题详情

2.下列配对的哪两种物质都是导体                   (   )

A.橡皮和人体  B.铅笔芯和红炽状态的玻璃  C.塑料尺和钢尺  D.纯水和盐水

试题详情

1.一个电源、一个电铃、一只小灯泡、两个开关和若干导线组成的电路,只闭合一个开关时铃响灯不亮,只闭合另一个开关时灯亮铃不响,则开关都打开时可能出现的情况是(  )

A.铃响灯也亮   B.铃响灯不亮   C.铃不响灯亮   D.铃不响灯也不亮

试题详情

2.根据串并联电路的特点求解有关问题的电路

(1)分析电路结构,识别各电路元件间的串联或并联;

(2)判断电流表测量的是哪段电路中的电流;

(3)根据串并联电路中的电流特点,按照题目给定的条件,求出待求的电流。

[对应训练一]

试题详情

[方法提示]

1.电流表的使用可总结为(一查两确认,两要两不要)

(1)一查:检查指针是否指在零刻度线上;

(2)两确认:①确认所选量程。②确认每个大格和每个小格表示的电流值。两要:一

要让电流表串联在被测电路中;二要让电流从“+”接线柱流入,从“-”接线柱流出;③两不要:一不要让电流超过所选量程,二不要不经过用电器直接接在电源上。

在事先不知道电流的大小时,可以用试触法选择合适的量程。

试题详情

2.测量工具及其使用方法:(1)电流表;(2)量程;(3)读数方法(4)电流表的使

用规则。

试题详情

1.单位及其换算:主单位安(A),常用单位毫安(mA)、微安(μA)

试题详情

3.在电源外部,电流的方向是从电源的正极流向负极。

试题详情

2.电流的方向跟负电荷定向移动的方向相反;

试题详情


同步练习册答案