0  254339  254347  254353  254357  254363  254365  254369  254375  254377  254383  254389  254393  254395  254399  254405  254407  254413  254417  254419  254423  254425  254429  254431  254433  254434  254435  254437  254438  254439  254441  254443  254447  254449  254453  254455  254459  254465  254467  254473  254477  254479  254483  254489  254495  254497  254503  254507  254509  254515  254519  254525  254533  447090 

22.(09年福建卷)(20分)图为可测定比荷的某装置的简化示意图,在第一象限区域内有垂直于纸面向里的匀强磁场,磁感应强度大小B=2.0×10-3T,在X轴上距坐标原点L=0.50m的P处为离子的入射口,在Y上安放接收器,现将一带正电荷的粒子以v=3.5×104m/s的速率从P处射入磁场,若粒子在y轴上距坐标原点L=0.50m的M处被观测到,且运动轨迹半径恰好最小,设带电粒子的质量为m,电量为q,不记其重力。

(1)求上述粒子的比荷

(2)如果在上述粒子运动过程中的某个时刻,在第一象限内再加一个匀强电场,就可以使其沿y轴正方向做匀速直线运动,求该匀强电场的场强大小和方向,并求出从粒子射入磁场开始计时经过多长时间加这个匀强电场;

(3)为了在M处观测到按题设条件运动的上述粒子,在第一象限内的磁场可以局限在一个矩形区域内,求此矩形磁场区域的最小面积,并在图中画出该矩形。

答案(1)=4.9×C/kg(或5.0×C/kg);(2) ; (3)

解析:第(1)问本题考查带电粒子在磁场中的运动。第(2)问涉及到复合场(速度选择器模型)第(3)问是带电粒子在有界磁场(矩形区域)中的运动。

(1)设粒子在磁场中的运动半径为r。如图甲,依题意MP连线即为该粒子在磁场中作匀速圆周运动的直径,由几何关系得

       ①

由洛伦兹力提供粒子在磁场中作匀速圆周运动的向心力,可得

       ②

联立①②并代入数据得

=4.9×C/kg(或5.0×C/kg)  ③

(2)设所加电场的场强大小为E。如图乙,当粒子子经过Q点时,速度沿y轴正方向,依题意,在此时加入沿x轴正方向的匀强电场,电场力与此时洛伦兹力平衡,则有

       ④

代入数据得

     ⑤

所加电场的长枪方向沿x轴正方向。由几何关系可知,圆弧PQ所对应的圆心角为45°,设带点粒子做匀速圆周运动的周期为T,所求时间为t,则有

     ⑥

       ⑦

联立①⑥⑦并代入数据得

    ⑧

(3)如图丙,所求的最小矩形是,该区域面积

         ⑨

联立①⑨并代入数据得

  

矩形如图丙中(虚线)

试题详情

25.(09年山东卷)(18分)如图甲所示,建立Oxy坐标系,两平行极板P、Q垂直于y轴且关于x轴对称,极板长度和板间距均为l,第一四象限有磁场,方向垂直于Oxy平面向里。位于极板左侧的粒子源沿x轴间右连接发射质量为m、电量为+q、速度相同、重力不计的带电粒子在0~3t时间内两板间加上如图乙所示的电压(不考虑极边缘的影响)。

已知t=0时刻进入两板间的带电粒子恰好在t0时,刻经极板边缘射入磁场。上述m、q、l、l0、B为已知量。(不考虑粒子间相互影响及返回板间的情况)

(1)求电压U的大小。

(2)求时进入两板间的带电粒子在磁场中做圆周运动的半径。

(3)何时把两板间的带电粒子在磁场中的运动时间最短?求此最短时间。

 

解析:(1)时刻进入两极板的带电粒子在电场中做匀变速曲线运动,时刻刚好从极板边缘射出,在y轴负方向偏移的距离为,则有

联立以上三式,解得两极板间偏转电压为④。

(2)时刻进入两极板的带电粒子,前时间在电场中偏转,后时间两极板没有电场,带电粒子做匀速直线运动。带电粒子沿x轴方向的分速度大小为

带电粒子离开电场时沿y轴负方向的分速度大小为

带电粒子离开电场时的速度大小为

设带电粒子离开电场进入磁场做匀速圆周运动的半径为R,则有

联立③⑤⑥⑦⑧式解得⑨。

(3)时刻进入两极板的带电粒子在磁场中运动时间最短。带电粒子离开磁场时沿y轴正方向的分速度为⑩,设带电粒子离开电场时速度方向与y轴正方向的夹角为,则,联立③⑤⑩式解得,带电粒子在磁场运动的轨迹图如图所示,圆弧所对的圆心角为,所求最短时间为,带电粒子在磁场中运动的周期为,联立以上两式解得

考点:带电粒子在匀强电场、匀强磁场中的运动。

试题详情

11.(09年天津卷)(18分)如图所示,直角坐标系xOy位于竖直平面内,在水平的x轴下方存在匀强磁场和匀强电场,磁场的磁感应为B,方向垂直xOy平面向里,电场线平行于y轴。一质量为m、电荷量为q的带正电的小球,从y轴上的A点水平向右抛出,经x轴上的M点进入电场和磁场,恰能做匀速圆周运动,从x轴上的N点第一次离开电场和磁场,MN之间的距离为L, 小球过M点时的速度方向与x轴的方向夹角为.不计空气阻力,重力加速度为g,求

(1)   电场强度E的大小和方向;

(2)   小球从A点抛出时初速度v0的大小;

(3)   A点到x轴的高度h.

答案:(1),方向竖直向上  (2)    (3)

解析:本题考查平抛运动和带电小球在复合场中的运动。

(1)小球在电场、磁场中恰能做匀速圆周运动,说明电场力和重力平衡(恒力不能充当圆周运动的向心力),有

                     ①

                    ②

重力的方向竖直向下,电场力方向只能向上,由于小球带正电,所以电场强度方向竖直向上。

(2)小球做匀速圆周运动,O′为圆心,MN为弦长,,如图所示。设半径为r,由几何关系知

                        ③

小球做匀速圆周运动的向心力由洛仑兹力白日提供,设小球做圆周运动的速率为v,有

                 ④

   由速度的合成与分解知

                        ⑤

由③④⑤式得

                       ⑥

(3)设小球到M点时的竖直分速度为vy,它与水平分速度的关系为

                       ⑦

由匀变速直线运动规律

                      ⑧

由⑥⑦⑧式得

                               ⑨

试题详情

25.(09年全国卷Ⅱ) (18分)如图,在宽度分别为的两个毗邻的条形区域分别有匀强磁场和匀强电场,磁场方向垂直于纸面向里,电场方向与电、磁场分界线平行向右。一带正电荷的粒子以速率v从磁场区域上边界的P点斜射入磁场,然后以垂直于电、磁场分界线的方向进入电场,最后从电场边界上的Q点射出。已知PQ垂直于电场方向,粒子轨迹与电、磁场分界线的交点到PQ的距离为d。不计重力,求电场强度与磁感应强度大小之比及粒子在磁场与电场中运动时间之比。

答案:

解析:本题考查带电粒子在有界磁场中的运动。

粒子在磁场中做匀速圆周运动,如图所示.由于粒子在分界线处的速度与分界线垂直,圆心O应在分界线上,OP长度即为粒子运动的圆弧的半径R.由几何关系得

………①

设粒子的质量和所带正电荷分别为m和q,由洛仑兹力公式和牛顿第二定律得

……………②

为虚线与分界线的交点,,则粒子在磁场中的运动时间为……③

式中有………④粒子进入电场后做类平抛运动,其初速度为v,方向垂直于电场.设粒子的加速度大小为a,由牛顿第二定律得…………⑤

由运动学公式有……⑥          ………⑦

由①②⑤⑥⑦式得…………⑧

由①③④⑦式得

试题详情

2.(09年海南物理)一根容易形变的弹性导线,两端固定。导线中通有电流,方向如图中箭头所示。当没有磁场时,导线呈直线状态:当分别加上方向竖直向上、水平向右或垂直于纸面向外的匀强磁场时,描述导线状态的四个图示中正确的是

答案:D

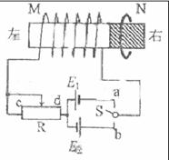
(09年海南物理)4.一长直铁芯上绕有一固定线圈M,铁芯右端与一木质圆柱密接,木质圆柱上套有一闭合金属环N,N可在木质圆柱上无摩擦移动。M连接在如图所示的电路中,其中R为滑线变阻器,为直流电源,S为单刀双掷开关。下列情况中,可观测到N向左运动的是

A.在S断开的情况下,S向a闭合的瞬间

B.在S断开的情况下,S向b闭合的瞬间

C.在S已向a闭合的情况下,将R的滑动头向c端移动时

D.在S已向a闭合的情况下,将R的滑动头向d端移动时

答案:C

(09年全国卷Ⅰ)26(21分)如图,在x轴下方有匀强磁场,磁感应强度大小为B,方向垂直于x y平面向外。P是y轴上距原点为h的一点,N0为x轴上距原点为a的一点。A是一块平行于x轴的挡板,与x轴的距离为,A的中点在y轴上,长度略小于。带点粒子与挡板碰撞前后,x方向的分速度不变,y方向的分速度反向、大小不变。质量为m,电荷量为q(q>0)的粒子从P点瞄准N0点入射,最后又通过P点。不计重力。求粒子入射速度的所有可能值。

解析:设粒子的入射速度为v,第一次射出磁场的点为,与板碰撞后再次进入磁场的位置为.粒子在磁场中运动的轨道半径为R,有…⑴

粒子速率不变,每次进入磁场与射出磁场位置间距离保持不变有…⑵

粒子射出磁场与下一次进入磁场位置间的距离始终不变,与相等.由图可以看出……⑶

设粒子最终离开磁场时,与档板相碰n次(n=0、1、2、3…).若粒子能回到P点,由对称性,出射点的x坐标应为-a,即……⑷

由⑶⑷两式得……⑸

若粒子与挡板发生碰撞,有……⑹

联立⑶⑷⑹得n<3………⑺

联立⑴⑵⑸得

………⑻

代入⑻中得

…………⑼

…………⑾

…………⑿

试题详情

19.(09年重庆卷)在题19图所示电路中,电池均相同,当电键S分别置于a、b两处时,导线之间的安培力的大小为,判断这两段导线

A.相互吸引,>

B.相互排斥,>

C.相互吸引, <

D.相互排斥,<

答案:D

(09年安徽卷)19. 右图是科学史上一张著名的实验照片,显示一个带电粒子在云室中穿过某种金属板运动的径迹。云室旋转在匀强磁场中,磁场方向垂直照片向里。云室中横放的金属板对粒子的运动起阻碍作用。分析此径迹可知粒子

A. 带正电,由下往上运动

B. 带正电,由上往下运动

C. 带负电,由上往下运动

D. 带负电,由下往上运动

答案: A

解析:粒子穿过金属板后,速度变小,由半径公式可知,半径变小,粒子运动方向为由下向上;又由于洛仑兹力的方向指向圆心,由左手定则,粒子带正电。选A。

(09年宁夏卷)16. 医生做某些特殊手术时,利用电磁血流计来监测通过动脉的血流速度。电磁血流计由一对电极a和b以及磁极N和S构成,磁极间的磁场是均匀的。使用时,两电极a、b均与血管壁接触,两触点的连线、磁场方向和血流速度方向两两垂直,如图所示。由于血液中的正负离子随血流一起在磁场中运动,电极a、b之间会有微小电势差。在达到平衡时,血管内部的电场可看作是匀强电场,血液中的离子所受的电场力和磁场力的合力为零。在某次监测中,两触点的距离为3.0mm,血管壁的厚度可忽略,两触点间的电势差为160µV,磁感应强度的大小为0.040T。则血流速度的近似值和电极a、b的正负为

A. 1.3m/s ,a正、b负      B. 2.7m/s , a正、b负

C.1.3m/s,a负、b正      D. 2.7m/s , a负、b正

答案:A

(09年安徽卷)20. 如图甲所示,一个电阻为R,面积为S的矩形导线框abcd,水平旋转在匀强磁场中,磁场的磁感应强度为B方向与ad边垂直并与线框平面成450角,oo’ 分别是abcd边的中点。现将线框右半边obco’ oo’ 逆时针900到图乙所示位置。在这一过程中,导线中通过的电荷量是

A.      B.      C.     D. 0

答案:A

解析:对线框的右半边(obco′)未旋转时整个回路的磁通量。对线框的右半边(obco′)旋转90o后,穿进跟穿出的磁通量相等,如右图整个回路的磁通量。根据公式。选A

试题详情

12.(09年广东物理)图是质谱仪的工作原理示意图。带电粒子被加速电场加速后,进入速度选择器。速度选择器内相互正交的匀强磁场和匀强电场的强度分别为BE。平板S上有可让粒子通过的狭缝P和记录粒子位置的胶片A1A2。平板S下方有强度为B0的匀强磁场。下列表述正确的是

A.质谱仪是分析同位素的重要工具

B.速度选择器中的磁场方向垂直纸面向外

C.能通过的狭缝P的带电粒子的速率等于E/B

D.粒子打在胶片上的位置越靠近狭缝P,粒子的荷质比越小

答案:ABC

解析:由加速电场可见粒子所受电场力向下,即粒子带正电,在速度选择器中,电场力水平向右,洛伦兹力水平向左,如图所示,因此速度选择器中磁场方向垂直纸面向外B正确;经过速度选择器时满足,可知能通过的狭缝P的带电粒子的速率等于E/B带电粒子进入磁场做匀速圆周运动则有,可见当v相同时,,所以可以用来区分同位素,且R越大,比荷就越大,D错误。

(09年广东理科基础)1.发现通电导线周围存在磁场的科学家是

A.洛伦兹   B.库仑

C.法拉第   D.奥斯特

答案:B

解析:发现电流的磁效应的科学家是丹麦的奥斯特.而法拉第是发现了电磁感应现象。

(09年广东理科基础)13.带电粒子垂直匀强磁场方向运动时,会受到洛伦兹力的作用。下列表述正确的是

   A.洛伦兹力对带电粒子做功

   B.洛伦兹力不改变带电粒子的动能

   C.洛伦兹力的大小与速度无关

   D.洛伦兹力不改变带电粒子的速度方向

答案:B

解析:根据洛伦兹力的特点, 洛伦兹力对带电粒子不做功,A错.B对.根据,可知大小与速度有关. 洛伦兹力的效果就是改变物体的运动方向,不改变速度的大小。

(09年广东文科基础)61.带电粒子垂直匀强磁场方向运动时,其受到的洛伦兹力的方向,下列表述正确的是

A.与磁场方向相同

B.与运动方向相同

c.与运动方向相反

D.与磁场方向垂直

答案:D

(09年山东卷)21.如图所示,一导线弯成半径为a的半圆形闭合回路。虚线MN右侧有磁感应强度为B的匀强磁场。方向垂直于回路所在的平面。回路以速度v向右匀速进入磁场,直径CD始络与MN垂直。从D点到达边界开始到C点进入磁场为止,下列结论正确的是

   A.感应电流方向不变

   B.CD段直线始终不受安培力

   C.感应电动势最大值E=Bav

   D.感应电动势平均值

答案:ACD

解析:在闭合电路进入磁场的过程中,通过闭合电路的磁通量逐渐增大,根据楞次定律可知感应电流的方向为逆时针方向不变,A正确。根据左手定则可以判断,受安培力向下,B不正确。当半圆闭合回路进入磁场一半时,即这时等效长度最大为a,这时感应电动势最大E=Bav,C正确。感应电动势平均值,D正确。

考点:楞次定律、安培力、感应电动势、左手定则、右手定则

提示:感应电动势公式只能来计算平均值,利用感应电动势公式计算时,l应是等效长度,即垂直切割磁感线的长度。

试题详情

17.(09年全国卷Ⅰ)如图,一段导线abcd位于磁感应强度大小为B的匀强磁场中,且与磁场方向(垂直于纸面向里)垂直。线段ab、bc和cd的长度均为L,且。流经导线的电流为I,方向如图中箭头所示。导线段abcd所受到的磁场的作用力的合力

A. 方向沿纸面向上,大小为

B. 方向沿纸面向上,大小为

C. 方向沿纸面向下,大小为

D. 方向沿纸面向下,大小为

答案:A

解析:本题考查安培力的大小与方向的判断.该导线可以用a和d之间的直导线长为来等效代替,根据,可知大小为,方向根据左手定则.A正确。

(09年北京卷)19.如图所示的虚线区域内,充满垂直于纸面向里的匀强磁场和竖直向下的匀强电场。一带电粒子a(不计重力)以一定的初速度由左边界的O点射入磁场、电场区域,恰好沿直线由区域右边界的O′点(图中未标出)穿出。若撤去该区域内的磁场而保留电场不变,另一个同样的粒子b(不计重力)仍以相同初速度由O点射入,从区域右边界穿出,则粒子b

A.穿出位置一定在O′点下方

B.穿出位置一定在O′点上方

C.运动时,在电场中的电势能一定减小

D.在电场中运动时,动能一定减小

答案:C

解析:a粒子要在电场、磁场的复合场区内做直线运动,则该粒子一定做匀速直线运动,故对粒子a有:Bqv=Eq 即只要满足E =Bv无论粒子带正电还是负电,粒子都可以沿直线穿出复合场区,当撤去磁场只保留电场时,粒子b由于电性不确定,故无法判断从O’点的上方或下方穿出,故AB错误;粒子b在穿过电场区的过程中必然受到电场力的作用而做类似于平抛的运动,电场力做正功,其电势能减小,动能增大,故C项正确D项错误。

试题详情


同步练习册答案