0  271190  271198  271204  271208  271214  271216  271220  271226  271228  271234  271240  271244  271246  271250  271256  271258  271264  271268  271270  271274  271276  271280  271282  271284  271285  271286  271288  271289  271290  271292  271294  271298  271300  271304  271306  271310  271316  271318  271324  271328  271330  271334  271340  271346  271348  271354  271358  271360  271366  271370  271376  271384  447090 

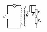
15.如图所示,在一理想变压器的副线圈两端连接了定值电阻R0和滑动变阻器R,在原线圈上加一正弦交变电压,下列说法正确的是      (   )

   A.保持Q位置不变,将P向上滑动,变压器的输出电压变小

   B.保持Q位置不变,将P向上滑动,电流表的读数变小

   C.保持P位置不变,将Q向上滑动,电流表的读数变小

   D.保持P位置不变,将Q向上滑动,变压器输出功率变小

试题详情

12.X、Y、Z、W有如右图所示的转化关系,已知焓变:

△H=△H1+△H2,  则X、Y不可能是

A.C、CO         B.AlCl3 、Al(OH)3  

C.Fe 、Fe(NO3)2         D.S、SO3

  13.如图所示,图中MN是由负点电荷产生的电场中的一条电场线。一带电粒子+q飞入电场后,只在电场力作用下沿图中虚线运动,a、b是该曲线上的两点,则下列说法正确是 )

   A.a点的电场强度小于b点的电场强度

   B.a点的电势低于b点的电势

   C.粒子在a点的动能等于在b点的动能

   D.粒子在a点的电势能小于在b点的电势能

  14.如图是用来粉刷墙壁的涂料滚的示意图。使用时,用撑竿推着

涂料滚沿墙壁上下滚动,把涂料均匀地粉刷到墙壁上。撑竿的

重量和墙壁的摩擦均不计,而且撑竿足够长。粉刷工人站在离

墙壁某一距离处缓缓上推涂料滚,使撑杆与墙壁间的夹角越来

越小。该过程中撑竿对涂料滚的推力为F1,涂料滚对墙壁的压

力为F2,下列说法正确的是       (   )

   A.F1增大,F2减小    B.F1减小,F2增大

   C.F1、F2均增大     D.F1、F2均减小

试题详情

11. 室温下,下列叙述正确的是(溶液体积变化忽略不计)

 




溶液
氨水
氢氧化钠溶液
醋酸
盐酸
pH
11
11
3
3

A.在①、②中分别加入氯化铵晶体,两溶液的pH均增大

B.分别将等体积的③和④加水稀释100倍,所得溶液的pH:③<④

C.①、④两溶液等体积混合,所得溶液中c(C1-)>c(NH4+)>c(OH-)>c(H+)

D.②、③两溶液混合,若所得溶液的pH=7,则c(CH3COO-)>c(Na+)

试题详情

10.普通水泥在固化过程中自由水分子减少并形成碱性溶液。根据这一物理化学特点,科学家发明了电动势法测水泥的初凝时间。此法的原理如图所示,反应的总方程式为:2Cu+Ag­2O=Cu2O十2Ag下列有关说法正确的是 

A.工业上以黏土、石灰石和石英为主要原料来制造普通水泥

B.负极的电极反应式为2Cu+2OH-+2e-   Cu2O+H2O

C.测量原理示意图中,电流方向从Cu经过导线流向Ag2O

D.电池工作时,溶液中OH- 向正极移动

试题详情

9.已知(NH4)CuSO3与足量的lmol/L硫酸液混合微热。产生下列现象:①有红色金属生成②产生刺激性气味的气体③溶液呈现蓝色。据此判断下列说法正确的是

A.反应中硫酸作氧化剂  B.(NH4)CuSO3中硫元素被氧化

C.刺激性气味的气体是氨气  D.1mol(NH4CuSO3)完全反应转移0.5mol电子

试题详情

8. 关于下列各实验装置的叙述中,正确的是

 

A.装置①常用于分离互不相溶的液体  B.装置②可用于吸收NH3

C.装置③可用于制备乙酸乙酯     D.装置④可用于收集NO、CO2等气体

试题详情

7.下列涉及有机物的性质的说法错误的是

A.乙烯和氯乙烯都能发生加聚反应    B.乙烯、苯都可与溴水发生加成反应

C.黄酒中某些微生物使乙醇氧化为乙酸,于是酒就变酸了

D.油脂的皂化、淀粉制葡萄糖均属于水解反应 

试题详情

6.化学与人类生活密切相关,下列说法正确的是

A.研发高效低毒的农药,降低蔬菜的农药残留量

B.大量使用煤、石油、天然气等化石燃料,可降碳减排,防止温室效应

C.煤经气化和液化两个物理变化过程,可变为清洁能源

D.凡含有食品添加剂的食品均对人体有害,不可食用

试题详情

5、生物学是一门实验科学,下列有关生物学实验的叙述不正确的有   (  )

   ①观察蝗虫精母细胞减数分裂固定装片时,染色体移向两极是减数第一次分裂判断的重要依据。

   ②艾弗里采用放射性同位素标记法,证明了DNA是遗传物质  

   ③分离各种细胞器的常用科学方法是差速离心法

   ④科学家采用构建概念模型的方法研究种群数量增长的变化规律

   ⑤科学家采用标志重捕法调查作物植株上蚜虫的密度

A.二项       B.三项       C.四项      D.五项  

试题详情

4.下图表示某生态系统的能量锥体图,P为生产者,Q1为初级消费者,Q2为次级消费者。对图中的各营养级生物所含有的能量进行分类剖析。其中分析不正确的是:(注:图中a、a1、a2表示上一年留下来的能量,e、e1、e2表示呼吸消耗量(   )

    A.b+c+d+e为本年度流入该生态系统的总能量

   B.c1表示初级消费者中被次级消费者所同化的量

   C.b和d之一,可代表生产者传递给分解者的能量

   D.初级消费者产生的粪便中所含的能量是包含在c中的

试题详情


同步练习册答案