0  283831  283839  283845  283849  283855  283857  283861  283867  283869  283875  283881  283885  283887  283891  283897  283899  283905  283909  283911  283915  283917  283921  283923  283925  283926  283927  283929  283930  283931  283933  283935  283939  283941  283945  283947  283951  283957  283959  283965  283969  283971  283975  283981  283987  283989  283995  283999  284001  284007  284011  284017  284025  447090 

25.(14分)四种短周期元素的性质或结构信息如下表。请根据信息回答下列问题。

元素
A
B
C
D
性质
结构
信息
室温下单质呈粉末状固体,加热易熔化。
单质在空气中剧烈燃烧产生强烈刺激性气味气体。
单质常温、常压下是气体,能溶于水。
最外层电子数比次外层电子数少1个。
单质质软、银白色固体、导电性强。
单质在空气中燃烧发出黄色的火焰。
原子最外层电子层电子数等于内层电子数的两倍。
D的某种单质熔点、沸点低,可溶于有机溶剂中

(1)B元素在周期表中的位置      ,写出A原子的电子式       

(2)A与C形成的化合物溶于水后,溶液的pH    7(填“大于”、“等于”或“小于”)。

(3)D元素最高价氧化物晶体的硬度    (填“大”、“小”)。

(4)A、B两元素非金属性较强的是(写元素符号)     ,写出该元素最高价氧化物对应水化物的化学式      

试题详情

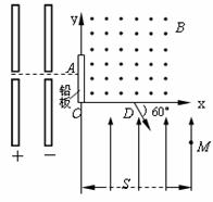
24.如图所示,在第一象限有一磁感应强度为B、方向垂直纸面向外的匀强磁场;在第四象限有一水平宽度为S(竖直范围足够大)的匀强电场,电场强度大小未知、方向竖直

向上。铅板垂直放置在y轴处,且与纸面垂直。现有一质量为m、电荷

量为q的粒子由静止经过加速电压为U的电场加速,然后以垂直于铅

板的方向从A处沿直线穿过铅板,而后从x轴上的D处以与x轴正向夹

角为60°的方向进入电场区域,最后恰好从电场的右边界M处水平射出。

已知OD距离为L(不计粒子重力)求:

(1)粒子离开加速电场时的速度是多大?

(2)粒子经过铅板时损失了多少动能?

(3)粒子从右边界射出时距x轴的距离为多大?

试题详情

23.如图所示,竖直平面内有一与水平面成θ=30°的绝缘斜面轨道AB,该轨道和一半径为R的光滑绝缘圆弧轨道BCD相切于B点。整个轨道处于竖直向下的匀强电场中,现将一质量为m带正电的滑块(可视为质点)从斜面上的A点静止释放,滑块能沿轨道运动到圆轨道的最高D点后恰好落到斜面上与圆心O等高的P点,已知带电滑块受到的电场力大小为Eq=mg,滑块与斜面轨道间的动摩擦因数为μ=/6,空气阻力忽略不计。求:

(1)滑块经过D点时的速度大小?

(2)滑块经过圆轨道最低C点时,轨道对滑块的支持力FC

(3)A、B两点之间的距离d。

试题详情

22.如图所示,物块A和装有沙子的沙桶B用轻细绳连接起来,跨过光滑的定滑轮,物块A放在水平传送带上,连接滑轮和A的细绳水平,传送带以恒定的速度v=2m/s运动。当沙桶和沙的总质量m=1kg时,物块A恰好保持静止。已知物块A的质量M=5kg,重力加速度g=10m/s2,传送带和细绳都足够长。求:

(1)物块A和传送带间的动摩擦因数μ为多大?

(2)如果突然从沙桶中取走0.5kg的沙子,试求3s内沙桶

上升的高度?(B不会撞到滑轮)

试题详情

21.I.在“探究加速度与物体质量、物体受力的关系”活动中,某小组

设计了如图所示的实验装置。图中上下两层水平轨道表面光滑,两

小车前端系上细线,细线跨过滑轮并挂上砝码盘,将砝码和砝码盘

的总重作为小车所受合外力,两小车尾部细线连到控制装置上,实

验时通过控制装置使两小车同时开始运动,并同时停止。

(1)本实验可通过比较两小车的位移来比较两小车的加速

度大小,即,请写出推导过程                  

实验次数
小车
合外力F/N
位移s/cm
1

0.1
23.36

0.2
46.51
2

0.2
29.04

0.3
43.63
3

0.3
41.16

0.4
44.80
4

0.4
36.43

0.5
45.56

(2)在安装实验装置时,应调整滑轮的高度,使        ;在实验时,为减小误差,应使砝码盘和砝码的总质量     小车的质量(选填“远大于”、“远小于”、“等于”)。

(3)实验中获得数据如右表所示:(小车Ⅰ、Ⅱ的质量m均为200g) 通过分析,可知表中第      次实验数据存在明显错误,应舍弃。

II.一般情况下,导体的电阻会随着温度的改变而改变。某实验小组同学研究一白炽灯两端电压与电流的关系,得到了如下表所示的一组数据:

U(V)
0
0.9
2.4
3.6
5.4
7.2
10.2
14.4
I(mA)
0
45
120
170
210
230
250
265

(1)请在答卷图(a)的方格纸上用描点法画出电流与电压的关系图线。

(2)实验用到了下列器材:直流电源、滑动变阻器、电压表,电流表,开关及导线若干。请在答卷图(b)中以笔划线代替导线按实验要求将实物图补充完整。

(3)由图线可看出该白炽灯的电阻随电压的增大而_________(选填“增大”或“减小”)

试题详情

20.如图所示,有两条细束平行单色光a、b射向空气中横截面为矩形的玻璃砖的下表面,已知玻璃砖足够宽. 若发现玻璃砖的上表面只有一束光射出,则下列说法中正确的是:

A.其中有束一单色光在玻璃砖的上表面发生了全反射

B.在玻璃中单色光a的传播速率大于单色光b的传播速率

C.若光束a恰好能使某未知金属发生光电效应,则b也能

D.减小光束与玻璃砖下表面的夹角θ,上表面会有两束平行单色光射出

非选择题  共180分

试题详情

19.如图所示为一列沿x轴正方向传播的简谐波在某一时刻的波形图,其波源位于坐标原点。波源处质点从平衡位置开始振动经过时间3s通过的路程为15cm。则:

A.波的周期为4s

B.波速为20m/s

C.此刻x=2m处的质点速度沿x轴的正方向

D.再经过3s,x=6m处的质点到达波峰位

试题详情

18.“空间站”是科学家进行天文探测和科学试验的特殊而又重要的场所。假设空间站正在地球赤道平面内的圆周轨道上运行,其离地高度为同步卫星离地高度的十分之一,且运行方向与地球自转方向一致。下列关于该“空间站”的说法正确的有:

A.运行的加速度小于地球表面的重力加速度

B.运行的线速度等于同步卫星运行线速度的

C.地球赤道上的人用望远镜观察该空间站,可看到它从西边升起,东边下落

D.在“空间站”工作的宇航员因受到平衡力而在其中悬浮或静止

试题详情

17.如图所示,空间分布着宽为L,垂直于纸面向里的匀强磁场。一金属线框从磁场左边界匀速向右通过磁场区域。规定逆时针方向为电流的正方向,则感应电流随位移变化的关系图(i-x)正确的是:

试题详情

16.如图所示,某区域电场线左右对称分布,M、N为对称线上两点。下列说法正确的是:

A.M点电势一定低于N点电势

B.M点场强一定大于N点场强

C.正电荷在M点的电势能大于在N点的电势能

D.将电子从M点移动到N点,电场力做正功

试题详情


同步练习册答案