0  283861  283869  283875  283879  283885  283887  283891  283897  283899  283905  283911  283915  283917  283921  283927  283929  283935  283939  283941  283945  283947  283951  283953  283955  283956  283957  283959  283960  283961  283963  283965  283969  283971  283975  283977  283981  283987  283989  283995  283999  284001  284005  284011  284017  284019  284025  284029  284031  284037  284041  284047  284055  447090 

3.下列句子中的成语使用正确的一项是(                    )

A.举国上下纷纷捐款捐物,向遭受地震灾难的人民伸出援助之手;你却无动于衷,细大不捐。真该想一想,这样做,你不感到羞愧吗?                        B.此次中国外长李肇星应邀访美,如赴鸿门宴。面对美方的不情之请,李外长从容不迫,充分表明了中国政府的立场。                              C.罗木森由于工作疲劳,营养不良,一病不起,多亏陈云光及时将他送到医院去治疗,不然罗木森不会痊愈得这样快。                             D.汉奸李某,抗战开始不久就向日寇暗送秋波,后来干脆卖身投靠,公开作了日寇的走狗。

试题详情

2.下列各组词语中,没有错别字的一组是( )

A.厮杀   挖墙角   逆情背理   覆巢无完卵

B.笼络   惹是非   融会贯通   慢工出细活

C.诀窍   金钢钻   既往不咎   一言以敝之

D.憔瘁   紧箍咒   臃荣华贵   树倒猢狲散

试题详情

1.下列词语中加点的字的读音全都相同的一项是( )

A.收讫 栖身 修葺  亟来问讯    B.绦虫  韬略  叨教  饕餮之徒

C.惺忪 星宿 比兴  腥风血雨    D.惬意  堆砌  提挈  锲而不舍

试题详情

36、2010年3月,大型国宝珍品--秦始皇兵马俑在浙江省博物馆展出。小红参观时发现,秦俑脚下都踏踩着一块正方形或长方形的踏板,如图16所示。为了弄清这种制作的好处,她收集了一尊站立姿态兵马俑的有关数据:体重(含踏板)1600N,踏板面积1.6×10-2m2。问:(g取10N/kg)

  (1)这尊兵马俑(含踏板)的质量是多少?

  (2)这尊兵马俑竖放在水平地面上时,对地面的压强是多少?

(3)工人将该兵马俑抬上0.5米高的展台,则起重机至少需要做多少的功?

  37、在煤中加入适量的生石灰(CaO)制成供居民采暖用的“环保煤”,以减少二氧化硫的排放,减弱二氧化硫对空气的污染。燃烧时生石灰吸收二氧化硫的化学方程式为:

请回答下列问题:

(1)m值是   ▲  

(2)该反应属于基本反应类型中的  ▲ 

(3)若煤厂一次共加入含氧化钙80%的生石灰1400 吨,则理论上最多可吸收二氧化硫多少吨?

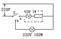
38黑夜看不见开关位置,为此小明设计了如图所示的电路。当单刀双掷开关S合向b时,照明灯亮、指示灯灭,避免指示灯费电;S合向a时,照明灯灭、指示灯亮,显示开关位置(S只能处于这两种状态)。他在图示方框中完成指示灯和电阻丝的连接电路,指示灯规格 为“10V,1W”。

(1)照明灯正常工作时的电阻是多少?

(2)若照明灯正常工作6h,这段时间内照明灯需消耗多少电能?

(3)为使指示灯正常发光,需接上多大电阻的电阻丝?

试题详情

35、根据下图,回答下列有关的问题:

(1)图中的各种生物构成一个     

(2)该生态系统中物质循环和能量流动的渠道有    

(3)作为完整的生态系统,还必须有的一种成分是     

试题详情

34、小明设计了如图所示的电路图,做“探究导体电阻大小与导体长度的关系”的实验,在A、B间接入下表中待研究的电阻丝,电源电压U恒定,忽略温度对灯丝电阻的影响(电阻丝用电阻符号表示):

序号
材料
长度
横截面积
1
锰铜合金丝
L
S
2
镍铬合金丝
L
S
3
镍铬合金丝
L
2S
4
镍铬合金丝
2L
S

(1)小明选择序号为    的两根电阻丝来探究探究导体电阻大小与导体长度的关系。

(2)他正确选择后,将电阻丝分别接入A、B间,闭合开关,观察灯泡的亮暗或电流表的示数来比较电阻丝电阻的大小。实验中,两次电流表指针均有偏转,但第一次的示数大于第二次的示数,说明第一次接入的电阻丝阻值    (填“较大”或“较小”);其中第二次实验中灯泡不亮(仪器及电路连接均正常),你认为原因是         

(3)小明继续用上述电源设计了图乙所示的电路图,来探究导体电阻大小还与导体长度的关系。他选择两根电阻丝分别接入所在位置。他只要通过比较        就可以判断的阻值大小。

试题详情

33、某课外活动小组在学习了书本 “空气中氧气含量的测定”实验,知道P2O5 不能随便排放在空气中,否则会对空气造成污染,所以对该实验进行了改进:

在由两个注射器组成的密闭系统内共有50 mL空气,如右图。然后给装有红磷的玻璃管加热。同时交替推动两个注射器的活塞,至玻璃管内的红磷变成白烟,且较长时间内无进一步变化时停止。停止加热后,待冷却至室温将气体全部推至一个注射器内。

请根据你对上述实验的理解,回答下列问题:

(1)实验结束后,注射器内的气体体积理论上应该减少约         mL。

(2)在实验的加热过程中,交替缓慢推动两个注射器的目的是              。写出该反应的化学方程式          

(3)上述实验只是粗略测定空气中氧气含量的一种方法,你认为造成该实验不够精确的可能原因是 (写出其中一种)                       。

试题详情

32、某兴趣小组开展科学探究活动。

[提出问题]液体产生的压强跟深度有什么关系?

[设计实验]探究液体产生的压强跟深度的关系,用如图所示装置,在弹簧秤下挂一实心圆柱体,容器中盛有某种液体。

[获取证据]测得圆柱体的体积为0.5×l0-43,柱体的重为0.6牛顿。当圆柱体缓慢地浸人液体中时(圆柱体始终竖直且没有被浸没),记下圆柱体下表面所处的深度h、弹簧秤相应的示数F,求得相应的圆柱体在下表面处产生对液体的压强p(体在圆柱体下表面处产生的压强也为p),所得数据如下表:

实验序号
1
2
3
4
5
h/米
0.1
0.2
0.3
0.4
0.5
F/牛
0.48
0.36
0.24
0.12
0
P/帕
1.2×103
2.4×103
3.6×103
4.8×103
 

[得出结论]根据以上数据可得出的结论是                    

[讨论与交流](1)根据第5次实验所得数据,求得圆柱体在下表面处对液体产生的压强是

    帕,实心圆柱体的密度为     

(2)当弹簧秤的示数为0.12牛时,圆柱体受到的浮力为    牛。

试题详情

31、大气污染可对生物造成直接危害, SO2 是大气污染的主要气体之一, 而偏亚硫酸钠( 化学式Na2S2O5) 溶液在一定条件下可以产生SO2气体。某校生物兴趣小组利用多个透明且条件可调控的密闭容器、偏亚硫酸钠、浸泡过的小麦种子、清水、小烧杯、培养皿、吸水纸、玻璃棒等, 来探究大气污染对种子萌发的影响。

(1) 根据上述材料, 你提出的探究问题是__                 ___。

(2) 如果已知种子在0.01 g 偏亚硫酸钠用量时能萌发, 而你的实验结果正好相反, 请推测实验失败的原因, 可能是___                    _____。

(3) 当小麦种子萌发出幼苗后, 种子空瘪的原因是__        ___

试题详情

30、一种溶液里可能含有NO3、Cl、CO32、SO42四种 阴离子之中的一种或几种,取少量这种溶液分别盛放于两支试管中,进行如下实验:

(1)向第一个试管中加入BaCl2溶液时生成白色沉淀;

(2)向第二个试管中逐滴加入稀硝酸时,溶液生成无色气体,该气体能使澄清石灰水变浑浊,继续加入稀硝酸使溶液显酸性时,再加入硝酸钡溶液不产生沉淀。

据实验推断:溶液中肯定不含有___________离子,可能含_________离子。

试题详情


同步练习册答案