0  283913  283921  283927  283931  283937  283939  283943  283949  283951  283957  283963  283967  283969  283973  283979  283981  283987  283991  283993  283997  283999  284003  284005  284007  284008  284009  284011  284012  284013  284015  284017  284021  284023  284027  284029  284033  284039  284041  284047  284051  284053  284057  284063  284069  284071  284077  284081  284083  284089  284093  284099  284107  447090 

18、两平行金属板间所加电压随时间变化的规律如图所示,大量质量为m、带电量为e的

电子由静止开始经电压为U0的电场加速后连续不断地沿两平行金属板间的中线射入,

若两板间距恰能使所有子都能通过.且两极长度使每个电子通过两板均历时3t0,电子

所受重力不计,试求:

  (1)电子通过两板时侧向位移的最大值和最小值;

  (2)侧向位移最大和最小的电子通过两板后的动能之比。

试题详情

17、如图所示的电路中,电源电动势E=6V,内阻,电阻

 电容器的电容C=3.6μF,二极管D具有单向导电性,开始时,开关S1闭合,S2断开.

 (1)合上S2,待电路稳定以后,求电容器C上电量变化了多少?

 (2)合上S2,待电路稳定以后再断开S1,求断开S1后流过的电量是多少?

试题详情

16、把一电荷量为+q、质量为m的小球放在光滑水平面上,水平面上方有一方向向东的 

 匀强电场,用手按住小球使其静止在P点,现在突然放开手,并设法使小球突然获得

 一水平向西的速度v,并且在小球开始运动的同时,对小球施加一水平向北、大小为

 F的恒力(图中未画出),当小球向西运动到最远处的

 速度大小也为v,求:

 (1)电场强度的大小;

 (2)小球向西运动的最大距离。

试题详情

 演算步骤,只写出最后答案的不能得分.有数值计算的,答案中必须写出数值和单位。

15、S为一离子源,它能机会均等地向MN右方空间各方向持续地大量发射相同的正离

子。.离子质量为m=1×10-15kg,电量为q=2×10-8C ,速度为v0=4×105m/s。在S右侧

有一半径为R=4×10-2m的圆屏,OO′是过其圆心且垂直圆面的中心轴线。(不考虑离子

的重力和离子之间的碰撞效应):如果S与圆屏间有范围足够大的电场强度为

E=5×106V/m的匀强电场,方向垂直屏向右.S发射的所有离子,都能打到屏上。求S

与屏的最大距离。

试题详情

14、某物理兴趣小组为了测量“水果电池”的电动势和内阻,将一铜片和一锌片分别插入一只苹果内,就构成了简单的“水果电池”,其电动势约为15V,可是该电池并不能使额定电压为1.5V,额定电流为0.3A的小灯泡发光,原因是流过小灯泡的电流太小了,经实验测定还不足3 mA。现为了尽量精确地测定“水果电池”的电动势和内电阻。

(1)实验室提供备用的器材如下:

A、电流表A1(量程0-0.6A) B、电流表A2(量程0-5 mA)

C、电压表V1(量程0-15A)    D、电压表V2(量程0-3V)

E、滑动变阻器R1(0-100) F、滑动变阻器R2(0-3 k)

G、开关一个,导线若干

实验中,电流表应选   ,电压表应选   ,滑动变阻器应选   

(2)请在下面的方框中画出实验电路图,并将下图的各器件用笔画线代替导线连接起来。

(3)若不计测量中的偶然误差,用这种方法测量得出的电动势和内阻的值和真实值相比电动势E   (填“偏大”、“相等”、“偏小”),内电阻r  (填“偏大”、“相等”、“偏小”)。

试题详情

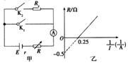
13、如图所示,R为电阻箱(0~99.9),置于阻值最大位置,Rx为未知电阻,(1)断开K2, 

 闭合K1,逐次减小电阻箱的阻值,得到一组R、I值,并依据R、I值作出了如图乙所

 示的图线,(2)断开K2,闭合K1,当R调至某一位置时,理想电流表的示数

 I1=1.0A;保持电阻箱的位置不变,断开K1,闭合K2,此时理想电流表的示数为I2=0.8A, 

 据以上数据可知                                             ( )

   A、电源电动势为3.0V

   B、电源内阻为0.5

   C、Rx的阻值为0.5

   D、K1断开、K2接通时,随着R的减小,电源输出功率减小

试题详情

12、如图所示,一质量为m、带电量为q的物体处于场强按E=E0–kt(E0、k均为大于零的  

常数,取水平向左为正方向)变化的电场中,物体与竖直墙壁间动摩擦因数为μ,当

t=0时刻物体处于静止状态.若物体所受的最大静摩擦力等于滑动摩擦力,且电场空

间和墙面均足够大,下列说法正确的是( )

A、物体开始运动后加速度先增加、后保持不变

B、物体开始运动后加速度不断增加

C、经过时间t=,物体在竖直墙壁上的位移达最大值

D、经过时间t=,物体运动速度达最大值

试题详情

11、如图所示,在一真空区域中,AB、CD是圆O的两条直径,在A、B两点上各放置电 荷量为+Q和-Q的点电荷,设C、D两点的电场强度分别为EC、ED,电势分别为CD,则下列说法正确的( )

    A、EC与ED相同,CD相等      

B、EC与ED相同,CD不相等

    C、EC与ED不相同,CD相等     

D、EC与ED不相同,CD不相等

试题详情

10、如图1是某同学设计的电容式位移传感器原理图,其中右板为固定极板,左板为可动 极板,待测物体固定在可动极板上。若两极板所带电荷量Q恒定,极板两端电压U将随待测物体的左右移动而变化,若U随时间t的变化关系为U=at+b(a、b为大于零的常数),其图象 如图2所示,那么图3、图4中反映极板间场强大小E和物体位移s随时间t变化的图线是(设t=0时物体位移为零)                     ( )

    A、①和③        B、②和④         C、②和③        D、①和④

试题详情

9、如图所示,Q1、Q2为两个被固定的点电荷,其中Q1为正点电荷,在它们连线的延长线上有a、b两点。现有一质量为m、电荷量为q的正检验电荷以一定的初速度沿直线从b点开始经a点向远处运动(正检验电荷只受电场力作用),q运动的速度图象如图所示,则( )

    A、Q2必定是正电荷                

    B、Q2必定是负电荷 

    C、从b到a的过程中正检验电荷的电势能一直减小

    D、从b经过a点向远处运动的过程中正检验电荷的电势能一直减小

试题详情


同步练习册答案