0  337463  337471  337477  337481  337487  337489  337493  337499  337501  337507  337513  337517  337519  337523  337529  337531  337537  337541  337543  337547  337549  337553  337555  337557  337558  337559  337561  337562  337563  337565  337567  337571  337573  337577  337579  337583  337589  337591  337597  337601  337603  337607  337613  337619  337621  337627  337631  337633  337639  337643  337649  337657  447090 

11.一根长为L的直导线,在垂直于匀强磁场的平面内,绕轴O以角速度ω逆时针匀速转动,如图1-37-11所示,以O为圆心,为半径的圆形区域里磁场方向垂直纸面向里,这个圆形区域以外的磁场方向垂直纸面向外,两个磁场的磁感应强度大小均为B,导线在旋转过程中aO间的电势差UaO=______. 

   

图1-37-11       图1-37-12

试题详情

10.如图1-37-10所示,将长为1 m的导线从中间折成约106°的角,使其所在平面垂直于磁感应强度为0.5 T的匀强磁场,为使导线中产生4 V的感应电动势,导线切割磁感线的最小速度约为_______.(sin53°=0.8,cos53°=0.6)

试题详情

9.如图1-37-9所示,一圆环及内接、外切的两个正方形框均由材料、横截面积相同的相互绝缘导线制成,并各自形成闭合回路,则三者的电阻之比为_______.若把它们置于同一匀强磁场中,当各处磁感应强度发生相同变化时,三个回路中的电流之比为_______.

图1-37-9         图1-37-10

试题详情

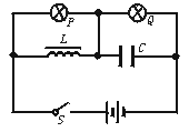
8.如图1-37-8所示,PQ是两个完全相同的灯泡,L是直流电阻为零的纯电感,且自感系数L很大.C是电容较大且不漏电的电容器,下列判断正确的是 

图1-37-8

A.电键S闭合后,P灯亮后逐渐熄灭,Q灯逐渐变亮 

B.电键S闭合后,P灯、Q灯同时亮,然后P灯变暗,Q灯变得更亮 

C.电键S闭合,电路稳定后,S断开时,P灯突然亮一下,然后熄灭,Q灯立即熄灭 

D.电键S闭合,电路稳定后,S断开时,P灯突然亮一下,然后熄灭,Q灯逐渐熄灭

试题详情

7.日光灯电路主要由镇流器、启动器和灯管组成,在日光灯正常工作的情况下

A.灯管点燃发光后,启动器中两个触片是分离的 

B.灯管点燃发光后,镇流器起降压限流作用 

C.镇流器起整流作用 

D.镇流器给日光灯的开始点燃提供瞬时高压

试题详情

6.如图1-37-7所示,金属三角形导轨COD上放有一根金属棒MN.拉动MN,使它以速度v向右匀速运动,如果导轨和金属棒都是粗细相同的均匀导体,电阻率都相同,那么在MN运动的过程中,闭合回路的 

图1-37-7

A.感应电动势保持不变

B.感应电流保持不变 

C.感应电动势逐渐增大

D.感应电流逐渐增大

试题详情

5.用同样粗细的铜、铝、铁做成三根相同形状的导线,分别放在电阻可以忽略不计的光滑导轨ABCD上,如图1-37-6所示,使导线的两端与导轨保持垂直,设匀强磁场方向垂直于导轨平面向里,然后用外力使导线水平向右做匀速运动,且每次外力消耗的功率均相同,则下列说法正确的是 

图1-37-6

A.铜导线运动速度最大 

B.三根导线上产生的感应电动势相等 

C.铁导线运动速度最大 

D.在相同的时间内,它们产生的热量相等

试题详情

4.一匀强磁场,磁场方向垂直纸面,规定向里的方向为正,在磁场中有一细金属圆环,线圈平面位于纸面内,如图1-37-4所示,现令磁感应强度B随时间t变化,先按图1-37-5中所示的O a图线变化,后来又按图线b cc d变化,令E1E2E3分别表示这三段变化过程中感应电动势的大小,I1I2I3分别表示对应的感应电流,则 

图1-37-4           图1-37-5

A.E1E2I1沿逆时针方向,I2沿顺时针方向 

B.E1E2I1沿逆时针方向,I2沿顺时针方向 

C.E1E2I2沿顺时针方向,I3沿逆时针方向 

D.E2=E3I2沿顺时针方向,I3沿顺时针方向

试题详情

3.如图1-37-2所示,n=50匝的圆形线圈M,它的两端点ab与内阻很大的电压表相连,线圈中磁通量的变化规律如图1-37-3所示,则ab两点的电势高低与电压表的读数为

图1-37-2          图1-37-3

A.φaφb,20 V              

B.φaφb,10 V 

C.φaφb,20 V              

D.φaφb,10 V

试题详情

2.单匝矩形线圈在匀强磁场中匀速转动,转轴垂直于磁场.若线圈所围面积里磁通量随时间变化规律如图1-37-1所示,则 

图1-37-1

A.线圈中0时刻感应电动势最大 

B.线圈中D时刻感应电动势为零 

C.线圈中D时刻感应电动势最大 

D.线圈中0至D时间内平均感应电动势为0.4 V

试题详情


同步练习册答案