0  341760  341768  341774  341778  341784  341786  341790  341796  341798  341804  341810  341814  341816  341820  341826  341828  341834  341838  341840  341844  341846  341850  341852  341854  341855  341856  341858  341859  341860  341862  341864  341868  341870  341874  341876  341880  341886  341888  341894  341898  341900  341904  341910  341916  341918  341924  341928  341930  341936  341940  341946  341954  447090 

24、(14分)水平传送带被广泛地应用于机场和火车站,如图所示,为一水平传送带装置示意图,紧绷的传送带AB始终保持恒定的速率v =1 m/s运行。一质量为 m =4 kg的行李无初速地放在A处,传送带对行李的滑动摩擦力使行李开始做匀加速直线运动,随后行李又以与传送带相等的速率做匀速直线运动。设行李与传送带之间的动摩擦因数μ=0.1,AB间的距离L=2 m,取g=10 m/s2

   (1)求行李刚开始运动时所受滑动摩擦力的大小与加速度的大小

(2)求行李做匀加速直线运动的时间

(3)如果提高传送带的运行速率,行李就能被较快地传送到B处,求行李从A处传送到B处的最短时间和传送带对应的最小运行速率。

试题详情

23、(9分)在测定一节干电池的电动势和内电阻的实验中,备有下列器材:

A.待测的干电池(电动势约为1.5 V,内电阻小于1.0Ω)

B.电流表G(满偏电流3 mA,内阻Rg=10Ω)

C.电流表A(0-0.6 A,内阻0.1Ω)

D.滑动变阻器R1(0-20Ω,10 A)

E.滑动变阻器R2(0-200Ω,l A)

F.定值电阻R0 (990Ω)

G.开关和导线若干

①某同学发现上述器材中虽然没有电压表,但给出了两个电流表,于是他设计了如图甲中所示的(a)、(b)两个参考实验电路,其中合理的是   图所示的电路;在该电路中,为了操作方便且能准确地进行测量,滑动变阻器应选   (填写器材前的字母代号).

②图乙为该同学根据①中选出的合理的实验电路利用测出的数据绘出的I1-I2图线(I1为电流表G的示数,I2为电流表A的示数),则由图线可得,被测电池的电动势

E=    V,内阻r=    Ω。

试题详情

22、(6分)

在“验证机械能守恒定律”的实验中,已知打点计时器所用电源的频率为50Hz,查得当地的重力加速度g = 10.00rn/s2,实验中得到一条点迹清晰的纸带如图所示。选连续的4个点A,B,C,D,经测量知道A,B,C,D相邻两点间的距离分别为7.22cm, 7.58cm,7.97cm,根据以上数据,可知当打点计时器在纸带上打下B、C点时,重物的速度分别为vB=       vc=       ;若从B到C,重物重力势能的减少量为E1,动能的增加量为E2;则根据上面数据,其计算结果E1    E2(填大于小于等于)。

试题详情

21、如图所示是示波管工作原理的示意图,电子经电压U1加速后以速度v0垂直进入偏转电场,离开电场时的偏转量为h ,两平行板间的距离为d,电势差为U2,板长为L.为了提高示波管的灵敏度(即每单位电压引起的偏转量h/U2),可采取的方法是:

A.增大两板间电势差U2

B.增加板长L

C.增大加速电压U1

D.减小两板间距离d

  第Ⅱ卷

试题详情

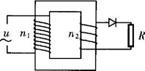
20、如图所示,理想变压器的原线圈的输入电压,原、副线圈的匝数比为n1n2=10:1,电阻R的阻值为100Ω,则1s内电阻R上产生的焦耳热为:

A.1.21 J        B.242 J 

C.2.42J         D.484 J

试题详情

19、如图甲所示,两物体AB叠放在光滑水平面上,对物体A施加一水平力FF-t关系图象如图乙所示。两物体在力F作用下由静止开始运动,且始终相对静止,则:

 

A.两物体做匀变速直线运动

   B.AB的摩擦力方向始终与力F的方向相同

   C.2s-3s时间内两物体间的摩擦力逐渐减小

   D.0s-1s与1s-2s时间内,F对物体做功一样多

试题详情

18、如图所示,两光滑平行金属导轨水平放置在匀强磁场中,磁场与导轨所在平面垂直,金属棒可沿导轨自由移动,导轨一端跨接一个定值电阻,金属棒和导轨电阻不计;现用恒力将金属棒沿导轨由静止向右拉,经过时间t1速度为v,加速度为a1,最终以2v做匀速运动。若保持拉力的功率恒定,经过时间t2,速度也为v,但加速度为a2,最终同样以2v的速度做匀速运动,则:

A.t1>t2     B.t1=t2   

C.a2=2a1    D.a2=3a1

试题详情

17、如图所示,圆柱形的仓库内有三块长度不同的滑板aO、bO、cO,其下端都固定于底部的圆心O点,而上端则搁在仓库侧壁,三块滑板与水平面的夹角依次是30O、45O、60O。若有三个小孩同时从a、b、c处开始下滑(忽略阻力),则:

A.a处小孩先到O点;   B.b处小孩先到O点;

C.c处小孩先到O点;   D.a、b、c处小孩同时到O点;

试题详情

16、“嫦娥一号”于2009年3月1日成功发射,从发射到撞月历时433天,其中,卫星先在近地圆轨道绕行3周,再经过几次变轨进入近月圆轨道绕月飞行。若月球表面的自由落体加速度为地球表面的1/6,月球半径为地球的1/4,则根据以上数据可得:

A.绕月与绕地飞行周期之比为3/2     B.绕月与绕地飞行周期之比为2/3

C.绕月与绕地飞行向心加速度之比为1/6  D.月球与地球质量之比为1/96

试题详情

15、一负电荷从电场中A点由静止释放,只受电场力作用,沿电场线运动到B点,它运动的vt图象如图甲所示,则两点AB所在区域的电场线分布情况可能是图乙中的:

 

试题详情


同步练习册答案