0  342493  342501  342507  342511  342517  342519  342523  342529  342531  342537  342543  342547  342549  342553  342559  342561  342567  342571  342573  342577  342579  342583  342585  342587  342588  342589  342591  342592  342593  342595  342597  342601  342603  342607  342609  342613  342619  342621  342627  342631  342633  342637  342643  342649  342651  342657  342661  342663  342669  342673  342679  342687  447090 

2、如图所示,质量为m的质点静止地放在半径为R的半球体上,质点与半球体间的动摩擦因数为μ,质点与球心的连线与水平地面的夹角为θ,则下列说法正确的是   (   )

A.地面对半球体的摩擦力方向水平向左  B.质点对半球体的压力大小为mgcosθ

C.质点所受摩擦力大小为μmgsinθ     D.质点所受摩擦力大小为mgcosθ

试题详情

1、图中的实线表示电场线,虚线表示只受电场力作用的带正电粒子的运动轨迹,粒子先经过M点,再经过N点,可以判定(   )

A.M点的电势高于N点的电势   B.M点的场强大于N点的场强

C.粒子在M点的速度大于在N点的速度

D.粒子在N点的电势能大于在M点的电势能

试题详情

11、图示为某探究活动小组设计的节能运动系统。斜面轨道倾角为30°,质量为M的木箱与轨道的动摩擦因数为。木箱在轨道上端时,自动装货装置将质量为m的货物装入木箱,然后木箱载着货物沿轨道无初速滑下,与轻弹簧被压缩至最短时,自动卸货装置立刻将货物卸下,然后木箱恰好被弹回到轨道顶端,再重复上述过程。下列选项正确的是:

  A.m=M       B.m=2M

  C.木箱不与弹簧接触时,上滑的加速度大于下滑的加速度

  D.在木箱与货物从顶端滑到最低点的过程中,减少的重力势能全部转化为弹性势能

试题详情

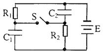
10、在右图所示的电路中,已知C1=C2,电阻R1>R2,电源电动势为E,内阻不计,当开关S由断开到接通时,下列说法正确的是(  )

A.C1所带的电量变多,C2所带的电量变少

B.电路稳定后C1所带的电量小于C2所带的电量

C.C1和C2的电量都变多

D.C1和C2的电量都变少

试题详情

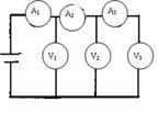
9、如图所示电路中,V1、V2、V3是三个内阻相同的电压表,A1、A2、A3是三个内阻相同的电流表。若已知A1的示数为I1,A2的示数为I2,V1的示数U1。则根据以上条件可以求出 (  )

A.电压表的内阻    B.电流表的内阻

C.电流表A3的示数  D.电压表V2和V3示数的和

试题详情

8、如右图所示,曲线C1、C2分别是纯电阻直流电路中,内、外电路消耗的电功率随电流变化的图线.由该图可知下列说法中错误的是(    )

A.电源的电动势为4V

B.电源的内电阻为1Ω

C.电源输出功率最大值为8W

D.电源被短路时,电源消耗的最大功率可达16W

试题详情

7、两个质量相同的小球用不可伸长的细线连结,置于场强为E的匀强电场中,小球1和小球2均带正电,电量分别为q1q2(q1q2)。将细线拉直并使之与电场方向平行,如图所示。若将两小球同时从静止状态释放,则释放后细线中的张力T为(不计重力及两小球间的库仑力)

A.   B. 

C.   D.

试题详情

6、如图所示,图中的四个电表均为理想电表,当滑线变阻器滑动触点P向右端移动时,下面说法中正确是:

A.伏特表V1的读数减小,安培表A1的读数增大

B.伏特表V1的读数增大,安培表A1的读数减小

C.伏特表V2的读数减小,安培表A2的读数增大

D.伏特表V2的读数增大,安培表A2的读数减小

试题详情

5、2008年9月25日至28日我国成功实施了“神舟”七号载入航天飞行并实现了航天员首次出舱。飞船先沿椭圆轨道飞行,后在远地点343千米处点火加速,由椭圆轨道变成高度为343千米的圆轨道,在此圆轨道上飞船运行周期约为90分钟。下列判断正确的是(  )

A.飞船变轨前后的机械能相等

B.飞船在圆轨道上时航天员出舱前后都处于失重状态

C.飞船在此圆轨道上运动的角度速度大于同步卫星运动的角速度

D.飞船变轨前通过椭圆轨道远地点时的加速度大于变轨后沿圆轨道运动的加速度

试题详情

4、如图是某中学科技小组制作的利用太阳能驱动小车的装置,当太阳光照射到小车上方的光电板,光电板中产生的电流经电动机带动小车前进。若小车在平直的水泥路上从静止开始加速行驶,经过时间t 前进距离s,速度达到最大值 vm,设这一过程中电动机的功率恒为P,小车所受阻力恒为F,那么 (   )

A.这段时间内小车先加速运动,然后匀速运动 

B.这段时间内电动机所做的功为 Pt

C.这段时间内电动机所做的功为    

D.这段时间内电动机所做的功为FS+

试题详情


同步练习册答案