0  344553  344561  344567  344571  344577  344579  344583  344589  344591  344597  344603  344607  344609  344613  344619  344621  344627  344631  344633  344637  344639  344643  344645  344647  344648  344649  344651  344652  344653  344655  344657  344661  344663  344667  344669  344673  344679  344681  344687  344691  344693  344697  344703  344709  344711  344717  344721  344723  344729  344733  344739  344747  447090 

13. X、Y、Z、W都是短周期主族元素。其中X原子最外层电子数是内层电子总数的3倍;X、Z同族,Y、Z同周期,W与X、Y既不同族也不同周期;X、Y、Z三种原子的最外层电子数之和为19。下列说法正确的是

A. Y元素最高价氧化物对应水化物的化学式为:HYO3

B. X、Y、Z形成的简单离子的半径大小为:Y>Z>X

C. 元素X、Z分别与元素W形成的化合物的沸点为:WmX<WmZ

D. 相同条件下,等物质的量浓度HnY溶液的酸性比HmZ溶液的酸性强

试题详情

12. 《化学教育》报道了数起因食用有“瘦肉精”的猪肉和内脏,而发生急性中毒的恶性事件。这足以说明,目前由于奸商的违法经营,已使“瘦肉精”变成了“害人精”。“瘦肉精”的结构表示如下图,下列关于“瘦肉精”的说法中正确的是

A. 化学式为C12H19Cl3N2O

B. 属于芳香烃

C. 其催化氧化产物能发生银镜反应

D. 不能发生加成反应

试题详情

11. 在下列实验中,不能达到目的的是

A. 用NaHCO3鉴别低级醇和低级羧酸

B. 用石墨做电极电解Mg(NO3)2、Cu(NO3)2 的混合溶液,确定铜和镁的金属活动性强弱

C. 将氯化铁固体溶解在少量浓盐酸中,然后稀释得到氯化铁溶液

D. 淀粉作指示剂,用已知浓度的碘水滴定未知浓度的FeCl2溶液测定其物质的量浓度

试题详情

10. 某黄色溶液含有下列离子中的几种:Ag、NH4、Fe3、SO3、HCO3、Br

SCN,为检验其成分,先对溶液进行初步分析。下列判断中,不正确的是

A. 溶液中不存在大量HCO3和SCN

B. 溶液中一定存在大量Fe3+

C. 溶液可能含有Ag

D. 溶液中可能存在NH4

试题详情

9. 在浓盐酸中H3AsO3与SnCl2反应的离子方程式为:3Sn2+ + 18Cl+ aH3AsO3 + bH+=aAs + 3SnCl6 + cM,关于该反应的说法中正确的组合是

  ① 氧化剂是H3AsO3;  ② 还原性:Cl>As;  ③ 每生成0.1 mol As,还原剂失去的电子为0.3mol;  ④ M为OH;  ⑤ a=2,b=6

A. 只有①③    B. ①③⑤    C. ①②③④   D. ①②④⑤

试题详情

8. 关于下列各比较对象,前者一定大于后者的是

A. 将pH均为11的NaOH溶液和氨水溶液分别稀释成pH=10的溶液,所加水的量

B. 物质的量浓度相等的Na2CO3溶液与(NH4)2CO3溶液中CO3的物质的量浓度

C. 常温下pH=5的NaHA溶液中c(H2A)与c(A)

D. 等浓度的氯化钠和苯酚钠溶液中水的电离程度

试题详情

7. 下列有关叙述正确的是

A. 纤维素的水解产物能够发生银镜反应,说明纤维素是还原性糖

B. 纯碱、氯仿(CHCl3)、蔗糖、植物油在一定条件下都可以发生水解

C. 工业上通过电解AlCl3饱和溶液制备金属铝

D. SiO2既能溶于NaOH溶液又能溶于HF溶液,说明SiO2是两性氧化物

试题详情

6.化学与能源、生态、生活有非常紧密的联系,以下做法正确的是

A. 鼓励购买小排量汽车,推广与发展电动、混合动力汽车

B. 把世博会期间产生的垃圾焚烧或深埋处理

C. 钢铁雕塑局部镀铜防止生锈

D. 用福尔马林浸泡食品防止其变质

试题详情

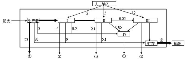
5.下图是某人工生态系统能量流动过程中部分环节涉及的能量值(单位为103kJ/)。据图分析下列叙述正确的是

A.该生态系统生产者固定的总能量是1.1× 105kJ/ m2﹒y

B.由生产者、Ⅰ、Ⅱ、Ⅲ、Ⅳ构成的捕食食物链中,能量流动是单向的、逐级递减的

C.Ⅰ为第一营养级,Ⅱ为第二营养级,两者之间的能量传递效率是5.6%

D.在生物圈中,全部的微生物和一些腐生动物都属于类群Ⅳ

试题详情

4.下图是某一家族中遗传病甲和遗传病乙的遗传系谱图(设遗传病甲与A和a 这一对等位基因有关,遗传病乙与另一对等位基因B和b有关,且甲乙两种遗传病至少有一种是伴性遗传病)。下列有关说法不正确的是

A.乙病为伴性遗传病     

B.7号和10号的致病基因都来自1号

C.5号的基因型一定是AaXBXb     

D.3号与4号再生一个兼患两病的男孩的可能性为3/16

试题详情


同步练习册答案