0  353217  353225  353231  353235  353241  353243  353247  353253  353255  353261  353267  353271  353273  353277  353283  353285  353291  353295  353297  353301  353303  353307  353309  353311  353312  353313  353315  353316  353317  353319  353321  353325  353327  353331  353333  353337  353343  353345  353351  353355  353357  353361  353367  353373  353375  353381  353385  353387  353393  353397  353403  353411  447090 

8.人类的红绿色盲基因位于X染色体上,母亲为携带者,父亲色盲,生下4个孩子,其中一个正常且不带致病基因,2个为携带者,一个色盲,他们的性别是    (  )           

A.三女一男或全是男孩          B.全是男孩或全是女孩

C.三女一男或两女两男          D.三男一女或两男两女

试题详情

7.人体中具有生长激素基因和血红蛋白基因,两者         (  )

A.分别存在于不同组织的细胞中

B.均在细胞分裂前期按照碱基互补配对原则复制

C.均在细胞核内转录和翻译

D.转录的信使RNA上相同的密码子翻译成相同的氨基酸

试题详情

6.基因型为AAbb与aaBB的小麦进行杂交,这两对等位基因分别位于非同源染色体上,F1杂种形成的配子种类数和F2的基因型种类数分别是    (  )  

A.4和9        B.4和27      C.8和27      D.32和81

试题详情

5.下列不属于伴性遗传的是   (  )                         

A.果蝇的白眼     B.人的血友病    C.人的白化病   D.人的外耳道多毛征

试题详情

4.某DNA分子含胸腺嘧啶200个,胞嘧啶450个,该DNA复制数次后,消耗了周围环境中1400个腺嘌呤脱氧核苷酸,则该DNA分子已经复制了     (  )           

A.2次        B.3次        C.4次         D.5次  

试题详情

3.一个男子把X染色体上的基因传递给孙子的几率为     (  )            

A.l/8         B.1/4        C.0         D.1/2

试题详情

2.对疯牛病的某病原体进行研究时发现,该病原体经各种核酸水解酶处理后仍具有感染性。从生命的化学本质看,与该病原体的感染性相关的物质最可能是    (  )        

A.核酸和蛋白质    B.核酸       C.蛋白质       D.水

试题详情

1.一段信使RNA上有30个碱基,其中A和G有12个,转录出该信使RNA的一段DNA中的C和T的个数是    (  )          

A.45个        B.30个       C.18个       D.12个

试题详情

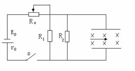
17.如图所示,电源电动势。内阻,电阻。间距的两平行金属板水平放置,板间分布有垂直于纸面向里、磁感应强度的匀强磁场。闭合开关,板间电场视为匀强电场,将一带正电的小球以初速度沿两板间中线水平射入板间。设滑动变阻器接入电路的阻值为Rx,忽略空气对小球的作用,取

(1)当Rx=29Ω时,电阻消耗的电功率是多大?

(2)若小球进入板间做匀速圆周运动并与板相碰,碰时速度与初速度的夹角为,则Rx是多少?

试题详情

4.电源的效率定义为外电路电阻消耗的功率与电源的总功率之

比。在测电源电动势和内电阻的实验中得到的实验图线如图

所示,图中u为路端电压,I为干路电流,a、b为图线上的两

点,相应状态下电源的效率分别为。由图可知

的值分别为  (    )

A.   B.   C.   D.

试题详情


同步练习册答案