0  355561  355569  355575  355579  355585  355587  355591  355597  355599  355605  355611  355615  355617  355621  355627  355629  355635  355639  355641  355645  355647  355651  355653  355655  355656  355657  355659  355660  355661  355663  355665  355669  355671  355675  355677  355681  355687  355689  355695  355699  355701  355705  355711  355717  355719  355725  355729  355731  355737  355741  355747  355755  447090 

1.我国为了预防和控制新生儿脊髓灰质炎的发生,定期给幼儿服用脊髓灰质炎糖丸。新生

儿初次服用糖丸,体内可引起的免疫反应是

A.B细胞将抗原传递给T细胞       B.B细胞产生大量的抗体

C.产生记忆细胞                D.记忆细胞分化成效应T细胞

试题详情

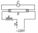
7. 如图所示,电阻R和电感线圈L的值都较大,电感线圈的电阻不计,AB是两只完全相同的灯泡,当开关S闭合时 ,下面能发生的情况是D

A.BA先亮,然后B熄灭   B.AB先亮,然后A熄灭 

C.AB一起亮,然后A熄灭   D.AB一起亮,然后B熄灭

试题详情

5. 如图所示,圆环ab的半径之比R1R2=2∶1,且是粗细相同,用同样材料的导线构成,连接两环导线的电阻不计,匀强磁场的磁感应强度始终以恒定的变化率变化,那么,当只有a环置于磁场中与只有b环置于磁场中的两种情况下,AB两点的电势差之比为多少? (2:1)

试题详情

4. 如图所示,平行金属导轨间距为d,一端跨接电阻为R,匀强磁场磁感强度为B,方向垂直平行导轨平面,一根长金属棒与导轨成θ角放置,棒与导轨的电阻不计,当棒沿垂直棒的方向以恒定速度v在导轨上滑行时,通过电阻的电流是 (  A  )

A.Bdv/(Rsinθ)   B.Bdv/R

C.Bdvsinθ/R    D.Bdvcosθ/R

试题详情

2. 如图,在匀强磁场中,有一接有电容器的导线回路,已知C=30μF,L1=5cm,L2=8cm,磁场以5×10-2T/s的速率均匀增强,则电容器C所带的电荷量   C (-3.6N·s)

试题详情

1.穿过一个单匝线圈的磁通量始终保持每秒钟减少2Wb,则(  AC  )

A.线圈中感应电动势每秒增加2V

B.线圈中感应电动势每秒减少2V

C.线圈中无感应电动势

D.线圈中感应电动势保持不变

试题详情

3、日光灯的工作原理图如下:

图中A镇流器,其作用是在灯开始点燃时起产生瞬时高压的作用;在日光灯正常发光时起起降压限流作用.B是日光灯管,它的内壁涂有一层荧光粉,使其发出的光为柔和的白光;C是启动器,它是一个充有氖气的小玻璃泡,里面装上两个电极,一个固定不动的静触片和一个用双金属片制成的U形触片组成.

[例7]如图所示的电路中,A1A2是完全相同的灯泡,线圈L的电阻可以忽略不计,下列说法中正确的是(  A、D   )

A.合上开关S接通电路时,A2先亮A1后亮,最后一样亮

B.合上开关S接通电路时,A1A2始终一样亮

C.断开开关S切断电路时,A2立即熄灭,A1过一会熄灭

D.断开开关S切断电路时,A1A2都要过一会才熄灭

试题详情

2、自感现象的应用--日光灯

(1)启动器:利用氖管的辉光放电,起自动把电路接通和断开的作用

(2)镇流器:在日光灯点燃时,利用自感现象,产生瞬时高压,在日光灯正常发光时,,利用自感现象,起降压限流作用。

试题详情

3、自感电动势和自感系数

①反映电流变化的快慢

②自感系数L决定于线圈的自身(长度、截面积、匝数、铁芯)

③自感电动势由L和I的变化率共同决定

④单位:亨利  1H=103 mH  1mH=10 3μH 

自感现象只有在通过电路电流发生变化才会产生.在判断电路性质时,一般分析方法是:当流过线圈L的电流突然增大瞬间,我们可以把L看成一个阻值很大的电阻;当流经L的电流突然减小的瞬间,我们可以把L看作一个电源,它提供一个跟原电流同向的电流.

图2电路中,当S断开时,我们只看到A灯闪亮了一下后熄灭,那么S断开时图1电路中就没有自感电流?能否看到明显的自感现象,不仅仅取决于自感电动势的大小,还取决于电路的结构.在图2电路中,我们预先在电路设计时取线圈的阻值远小于灯A的阻值,使S断开前,并联电路中的电流IL>>IR ,S断开瞬间,虽然L中电流在减小,但这一电流全部流过A灯,仍比S断开前A灯的电流大得多,且延滞了一段时间,所以我们看到A灯闪亮一下后熄灭,对图1的电路,S断开瞬间也有自感电流,但它比断开前流过两灯的电流还小,就不会出现闪亮一下的现象.

除线圈外,电路的其它部分是否存在自感现象?

当电路中的电流发生变化时,电路中每一个组成部分,甚至连导线,都会产生自感电动势去阻碍电流的变化,只不过是线圈中产生的自感电动势比较大,其它部分产生的自感电动势非常小而已。

试题详情

2、  原因--导体本身的电流变化,引起磁通量的变化

试题详情


同步练习册答案