0  356686  356694  356700  356704  356710  356712  356716  356722  356724  356730  356736  356740  356742  356746  356752  356754  356760  356764  356766  356770  356772  356776  356778  356780  356781  356782  356784  356785  356786  356788  356790  356794  356796  356800  356802  356806  356812  356814  356820  356824  356826  356830  356836  356842  356844  356850  356854  356856  356862  356866  356872  356880  447090 

4.(1)用电子射线管演示带电粒子的磁场中受洛仑兹力的实验装置如

   图所示,图中虚线是带电粒子的运动轨迹,那么A接直流高压

   电源的      极,C为蹄形磁铁的      极。

  (2)“蹦极”是一项勇敢者的运动,如图所示,某人用弹性橡皮绳拴

      住身体自高空P处自由下落,在空中感受失重的滋味,若此人质

量为50kg,橡皮绳长20m,人可看成质点,g取10m/s2,求:

此人从点P处由静止下落至橡皮绳刚伸直(无伸长)时,

        ①人的动量为       

②若橡皮绳可相当一根劲度系数为100N/m的轻弹簧,

则此人从P处下落到     m时具有最大速度。

试题详情

2.(15分)为了测量一个量程为3.0V的直流电压表的内电阻RV(约几千欧),可以采取如图所示的电路。

  (1)可供选择的实验步骤有:

A.闭合开关S

B.将电阻箱R0的阻值调到零

C.将电阻箱R0的阻值调到最大

D.调节电阻箱R0的阻值,使电压表指针指示在1.5V,记下此

时电阻箱R0的阻值

E.调节变阻器R的滑片,使电压表指示3.0V

F.把变阻器R的滑片P滑到a端

G.把变阻器R的滑片P滑到b端

H.断开开关S

把必要的实验步骤选出来,并将各步骤的字母代号按合理的操作顺序排列在横线上            

  (2)若上述实验步骤D中,读出R0的阻值为3600W,则电压表内阻RV =      W。

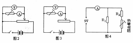
  3.图1为某一热敏电阻(电阻值随温度的改

变而改变,且对温度很敏感)的I-U关系

曲线图。

(1)为了通过测量得到图1所示I-U关系

   的完整曲线,在图2和图3两个电路中

   应选择的是图      ;简要说明理

   由:      。(电源电动势为9V,内阻不计,滑线变阻器的阻值为0-100Ω)。

   

  (2)在图4电路中,电源电压恒为9V,电流表读数为70mA,定值电阻R1=250Ω。由

热敏电阻的I-U关系曲线可知,热敏电阻两端的电压为     V;电阻R2的阻

  值为     Ω。

试题详情

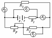
1.(16分)某同学按如图所示电路进行实验,实验时该同学将

    变阻器的触片移到不同位置时可以改变各电表的示数,而

    且可以测定多组数据。设电压表和电流表都是理想的(即

    可以将电压表内阻看作无限大,电流表内阻看作零),两

    次较准确的实验测量结果如下表所示:

次数
A1示数(安)
A2示数(安)
V1示数(伏)
V2示数(伏)
1
0.60
0.30
2.40
1.20
2
0.44
0.32
2.56
0.48

  (1)设电路发生故障,则在调节滑线变阻器时,可觉察到不同现象。

①若定值电阻R2短路,调节变阻器触头,在不超过量程的前提下,观察到各电表示数如何变化?

________________________________________________________。

②若定值电阻R2断路,调节变阻器触头,在不超过量程的前提下,观察到各电表示数如何变化?

________________________________________________________。

  (2)电路中分别为电源的电动势和内阻,为定值电阻,在这五个物理量中,凡能够通过上表实验结果确定其值的,请计算值的大小;

试题详情

20.仿照例句,另选两个话题,写两个句子。(6分)

例句.思想如钻子,必须集中一点钻下去,才有力量。

___________________________________________________________________

试题详情

19.扩展下边的语句,要求生动具体,小少于60字。(5分)

   琴声吸引了许多路人驻足倾听。

答:口口口口口口口口口口口口口口口口口口口口

口口口口口口口口口口口口口口口口口口口口口

口口口口口口口口口口口口口口口口口口口6o字

口口口口口口口口口口口口口口口

试题详情

18.下面文字中画线部分的词语,有的使用不当,请指出。(4分)

   网友们,两会即将召开,相信你们一定有许多想和代表委员②要说的话,网友们③一

定亨很,建议要提,我们网站论坛将收集整理他们⑨的两会“E案”,大家尽最大努力把

网友们的呼声与建议带到两会现场,反馈给他们。欢迎各位同仁⑨出谋献策参与留言!

(1)___________人称有误必须修改。

(2)___________称呼不对必须修改。

(3)___________换成具体人物称呼文意更明确。

(4) ___________去掉后文字更简洁。

试题详情

17.本文在取材与写法上有何独特之处?请结合文章简要分析。并说说这样写有什么好处。

  (6分)

  答:___________________________________________________________________  .___________________________________________________________________  .

试题详情

16.康主吉有哪些优良的品性?请结合原文的具体事件进行分析。(6分)

  答:___________________________________________________________________  .

试题详情

15.解释下列两句话在文中的含意。(6分)

  (1)她那一回眸的眼神是纯净的,纯净得如同一汪清水,不合任何杂质。

  答:___________________________________________________________________  .

(2)可在这里,我看到的除了笑容还是笑容,甚至透过这些笑容,清晰地看到了迭部的接纳和

宽容。

答:___________________________________________________________________  .

试题详情


同步练习册答案