0  360887  360895  360901  360905  360911  360913  360917  360923  360925  360931  360937  360941  360943  360947  360953  360955  360961  360965  360967  360971  360973  360977  360979  360981  360982  360983  360985  360986  360987  360989  360991  360995  360997  361001  361003  361007  361013  361015  361021  361025  361027  361031  361037  361043  361045  361051  361055  361057  361063  361067  361073  361081  447090 

19.科学家破解了神经元“沉默突触”的沉默之迷。此前发现,在脑内有一类突触只有突触结构而没有信息传递功能,被称为“沉默突触”。请你推测科学家对此研究所取得的可能成果:

① 突触小体中没有细胞核    ② 突触后膜缺乏相应的受体  

③ 突触前膜缺乏相应的受体   ④ 突触前膜不能释放相应的神经递质

A.①②   B.①④   C.②③   D.②④

试题详情

18.乙酰胆碱(Ach)是一种神经递质。实验人员欲研究Ach浓度与反应时间的关系(简图如下),在除去突触小泡的前提下自①处注入不同浓度的Ach,②处给予恒定刺激,

③、④处分别为灵敏感应时间测量点。测得不同浓度Ach条件下③、④两处感受到信号所用时间如下表所示,下列叙述正确的是:                     

A.图中⑤、⑥、⑦共同构成一个突触 

B.实验中除去突触小泡的目的是防止实验结果受到相关因素的干扰

C.表中数据说明高浓度Ach能促进兴奋在神经纤维上的传导

D.表中数据说明Ach浓度的增加对兴奋在神经元之间的传递无明显影响

试题详情

17.人体出现组织水肿的原因可能是:   

① 血浆中蛋白质含量过少   ② 血液中尿素含量过高

③ 血糖含量过高       ④ 淋巴循环受阻

A.①②     B.③④      C.①④      D.②③

试题详情

16.下列激素中,作用范围最为广泛的是:                   

A.抗利尿激素  B.促甲状腺激素  C.促性腺激素释放激素  D.甲状腺激素

试题详情

15.科学家能利用基因工程技术培育出特殊的西红柿、香蕉,食用后人体内可产生特定的抗体,这说明这些西红柿、香蕉中的某些物质至少应            

A.含有丰富的免疫球蛋白   B.能刺激人体内效应T细胞分泌抗体

C.含有某些抗原类物质    D.含有一些灭活的病菌

试题详情

14.下列哪种现象属于特异性免疫:                     

A.泪液中的溶菌酶可杀死沙眼衣原体  

B.淋巴结内的吞噬细胞吞噬侵入人体内的链球菌

C.胃液中的盐酸可杀死部分进入胃内的细菌

D.体内的天花抗体能防御天花病毒

试题详情

13.下列关于正常人体内环境稳态的调节,前者随后者变化的情况与右图走势不相符

的是:

A.抗利尿激素分泌量--饮水量 

B.T细胞浓度--HIV浓度

C.胰岛素浓度--血糖浓度  

D.促甲状腺激素浓度--甲状腺激素浓度

试题详情

12.下列属于人在寒冷环境中身体变化的是:

①皮肤血管收缩    ②增加皮肤的血流量  ③汗液分泌增多  ④汗液几乎不分泌

⑤肾上腺素分泌增加    ⑥骨骼肌战栗   ⑦代谢活动增强

A.①④⑤⑥⑦      B.①②③⑤⑥⑦    C.④⑤⑥⑦   D.①②③⑦

试题详情

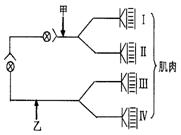
11.部分神经元之间的联系如右图所示,分别在甲、乙两处    

提供适宜刺激,引起肌肉收缩的情况是:

A.刺激甲,只有I、Ⅱ收缩

B.刺激乙,只有Ⅲ、Ⅳ收缩

C.刺激甲,I-Ⅳ都不收缩

   D.刺激乙,I一Ⅳ都收缩

试题详情

10.胸腺素能诱导造血干细胞生成具有免疫活性的T细胞, 下列病人不适合使用胸腺素是:

A.器官移植病人       B.流感病人 

C.AIDS病人        D.结核病人

试题详情


同步练习册答案