0  369083  369091  369097  369101  369107  369109  369113  369119  369121  369127  369133  369137  369139  369143  369149  369151  369157  369161  369163  369167  369169  369173  369175  369177  369178  369179  369181  369182  369183  369185  369187  369191  369193  369197  369199  369203  369209  369211  369217  369221  369223  369227  369233  369239  369241  369247  369251  369253  369259  369263  369269  369277  447090 

4.(2009·上海单科,21)在20世纪上半叶的革命实践中,中国共产党人走出了一条属于自己的独特道路,这条道路是( )

A.采取暴力革命            B.领导工人运动

C.农村包围城市             D.国共两党合作

解析:本题考查基础知识的再认、再现能力。中国独特的革命道路是相对于俄国十月革命的道路而言的。俄国走的是以大城市为中心的革命道路,中国走的是农村包围城市、武装夺取政权的道路。A、B、D三项都不是中国特有的道路。

答案:C

试题详情

3.诗词是人们寄托情思,直抒胸臆的一种文学形式。“碧净南湖水,峥嵘烟雨楼。画船千载梦,今日御神舟。搏出新天地,赢来万象幽。黎民心有数,齐贺八旬秋。”这首诗作是为了纪念( )

  A.中国共产党的诞生         B.红军长征的胜利

C.抗日战争的胜利          D.中华人民共和国的成立

解析:从材料中“南湖水”“画船”“新天地”等可以看出,这首诗纪念的是中国共产党的诞生。1921年中共“一大”先在上海召开,后转移到浙江嘉兴南湖的一只游船上进行。

答案:A

试题详情

2.下列事件中能够充分体现五四精神主旋律的有( )

①巴黎和会上,中国代表顾维钧向帝国主义列强据理力争,强调中国对山东拥有主权 ②总统府外交委员会事务长林长民发表《外交警报警告国民》,大声疾呼:“胶州亡矣,山东亡矣!” ③北大法科学生谢绍敏啮破中指,血书“还我青岛”四个大字,公之于众 ④浙江海宁县召开万人国民大会,决定开除陆宗舆县籍

  A.①②③   B.②③④    C.①②③④     D.②③

解析:本题考查学生分析理解的能力。本题要抓住题干中的要求即五四精神的主旋律是爱国主义。上列事件都体现了爱国主义。

答案:C

试题详情

1.毛泽东指出:“五四运动的杰出历史意义,在于它带着辛亥革命还不曾有的姿态。”这种“姿态”主要指( )

A.先进阶级政党指导

B.社会主义革命

C.受十月革命的影响

D.具有彻底反帝反封建的特点

解析:本题考查学生的分析理解能力。五四运动标志着无产阶级作为独立的政治力量登上了历史舞台。无产阶级在运动中表现出了斗争的坚决性和彻底性。

答案:D

试题详情

在本章知识应用的过程中,初学者常犯的错误主要表现在:对物体受力情况不能进行正确的分析,其原因通常出现在对弹力和摩擦力的分析与计算方面,特别是对摩擦力(尤其是对静摩擦力)的分析;对运动和力的关系不能准确地把握,如在运用牛顿第二定律和运动学公式解决问题时,常表现出用矢量公式计算时出现正、负号的错误,其本质原因就是对运动和力的关系没能正确掌握,误以为物体受到什么方向的合外力,则物体就向那个方向运动。

例1 甲、乙两人手拉手玩拔河游戏,结果甲胜乙败,那么甲乙两人谁受拉力大?

[错解]因为甲胜乙,所以甲对乙的拉力比乙对甲的拉力大。就像拔河一样,甲方胜一定是甲方对乙方的拉力大。

[错解原因]产生上述错解原因是学生凭主观想像,而不是按物理规律分析问题。按照物理规律我们知道物体的运动状态不是由哪一个力决定的而是由合外力决定的。甲胜乙是因为甲受合外力对甲作用的结果。甲、乙两人之间的拉力根据牛顿第三定律是相互作用力,甲、乙二人拉力一样大。

[分析解答]甲、乙两人相互之间的拉力是相互作用力,根据牛顿第三定律,大小相等,方向相反,作用在甲、乙两人身上。

[评析]生活中有一些感觉不总是正确的,不能把生活中的经验,感觉当成规律来用,要运用物理规律来解决问题。

例2 如图2-1所示,一木块放在水平桌面上,在水平方向上共受三个力,F1,F2和摩擦力,处于静止状态。其中F1=10N,F2=2N。若撤去力F1则木块在水平方向受到的合外力为

A.10N向左  B.6N向右  C.2N向左  D.0

[错解]木块在三个力作用下保持静止。当撤去F1后,另外两个力的合力与撤去力大小相等,方向相反。故A正确。

[错解原因]造成上述错解的原因是不加分析生搬硬套运用“物体在几个力作用下处于平衡状态,如果某时刻去掉一个力,则其他几个力的合力大小等于去掉这个力的大小,方向与这个力的方向相反”的结论的结果。实际上这个规律成立要有一个前提条件,就是去掉其中一个力,而其他力不变。本题中去掉F1后,由于摩擦力发生变化,所以结论不成立。

[分析解答]由于木块原来处于静止状态,所以所受摩擦力为静摩擦力。依据牛二定律有F1-F2-f=0此时静摩擦力为8N方向向左。撤去F1后,木块水平方向受到向左2N的力,有向左的运动趋势,由于F2小于最大静摩擦力,所以所受摩擦力仍为静摩擦力。此时-F2+f′=0即合力为零。故D选项正确。

[评析]摩擦力问题主要应用在分析物体运动趋势和相对运动的情况,所谓运动趋势,一般被解释为物体要动还未动这样的状态。没动是因为有静摩擦力存在,阻碍相对运动产生,使物体间的相对运动表现为一种趋势。由此可以确定运动趋势的方向的方法是假设静摩擦力不存在,判断物体沿哪个方向产生相对运动,该相对运动方向就是运动趋势的方向。如果去掉静摩擦力无相对运动,也就无相对运动趋势,静摩擦力就不存在。

例3  如图2-2所示水平放置的粗糙的长木板上放置一个物体m,当用于缓慢抬起一端时,木板受到的压力和摩擦力将怎样变化?

[错解]以木板上的物体为研究对象。物体受重力、摩擦力、支持力。因为物体静止,则根据牛顿第二定律有

错解一:据式②知道θ增加,f增加。

错解二:另有错解认为据式②知θ增加,N减小则f=μN说明f减少。

[错解原因]错解一和错解二都没能把木板缓慢抬起的全过程认识透。只抓住一个侧面,缺乏对物理情景的分析。若能从木块相对木板静止入手,分析出再抬高会相对滑动,就会避免错解一的错误。若想到f=μN是滑动摩擦力的判据,就应考虑滑动之前怎样,也就会避免错解二。

[分析解答]以物体为研究对象,如图2-3物体受重力、摩擦力、支持力。物体在缓慢抬起过程中先静止后滑动。静止时可以依据错解一中的解法,可知θ增加,静摩擦力增加。当物体在斜面上滑动时,可以同错解二中的方法,据f=μN,分析N的变化,知f的变化。θ增加,滑动摩擦力减小。在整个缓慢抬起过程中y方向的方程关系不变。依据错解中式②知压力一直减小。所以抬起木板的过程中,摩擦力的变化是先增加后减小。压力一直减小。

[评析]物理问题中有一些变化过程,不是单调变化的。在平衡问题中可算是一类问题,这类问题应抓住研究变量与不变量的关系。可从受力分析入手,列平衡方程找关系,也可以利用图解,用矢量三角形法则解决问题。如此题物体在未滑动时,处于平衡状态,加速度为零。所受三个力围成一闭合三角形。如图2-4。类似问题如图2-5用绳将球挂在光滑的墙面上,绳子变短时,绳的拉力和球对墙的压力将如何变化。从对应的矢量三角形图2-6不难看出,当绳子变短时,θ角增大,N增大,T变大。图2-7在AC绳上悬挂一重物G,在AC绳的中部O点系一绳BO,以水平力F牵动绳BO,保持AO方向不变,使BO绳沿虚线所示方向缓缓向上移动。在这过程中,力F和AO绳上的拉力变化情况怎样?用矢量三角形(如图2-8)可以看出T变小,F先变小后变大。这类题的特点是三个共点力平衡,通常其中一个力大小、方向均不变,另一个力方向不变,大小变,第三个力大小、方向均改变。还有时是一个力大小、方向不变,另一个力大小不变,方向变,第三个力大小、方向都改变。

例4 如图2-9物体静止在斜面上,现用水平外力F推物体,在外力F由零逐渐增加的过程中,物体始终保持静止,物体所受摩擦力怎样变化?

[错解]错解一:以斜面上的物体为研究对象,物体受力如图2-10,物体受重力mg,推力F,支持力N,静摩擦力f,由于推力F水平向右,所以物体有向上运动的趋势,摩擦力f的方向沿斜面向下。根据牛顿第二定律列方程

f+mgsinθ=Fcosθ    ①

N-Fsinθ-mgcosθ=0 ②

由式①可知,F增加f也增加。所以在变化过程中摩擦力是增加的。

错解二:有一些同学认为摩擦力的方向沿斜面向上,则有F增加摩擦力减少。

[错解原因]上述错解的原因是对静摩擦力认识不清,因此不能分析出在外力变化过程中摩擦力的变化。

[分析解答]本题的关键在确定摩擦力方向。由于外力的变化物体在斜面上的运动趋势有所变化,如图2-10,当外力较小时(Fcosθ<mgsinθ)物体有向下的运动趋势,摩擦力的方向沿斜面向上。F增加,f减少。与错解二的情况相同。如图2-11,当外力较大时(Fcosθ>mgsinθ)物体有向上的运动趋势,摩擦力的方向沿斜面向下,外力增加,摩擦力增加。当Fcosθ=mgsinθ时,摩擦力为零。所以在外力由零逐渐增加的过程中,摩擦力的变化是先减小后增加。

[评析]若斜面上物体沿斜面下滑,质量为m,物体与斜面间的摩擦因数为μ,我们可以考虑两个问题巩固前面的分析方法。

(1) F为怎样的值时,物体会保持静止。

(2)F为怎样的值时,物体从静止开始沿斜面以加速度a运动。

受前面问题的启发,我们可以想到F的值应是一个范围。

首先以物体为研究对象,当F较小时,如图2-10物体受重力mg、支持力N、斜向上的摩擦力f和F。物体刚好静止时,应是F的边界值,此时的摩擦力为最大静摩擦力,可近似看成f静=μN(最大静摩擦力)如图建立坐标,据牛顿第二定律列方程

解得

当F从此值开始增加时,静摩擦力方向开始仍然斜向上,但大小减小,当F增加到Fcosθ=mgsinθ时,即F=mg·tgθ时,F再增加,摩擦力方向改为斜向下,仍可以根据受力分析图2-11列出方程

随着F增加,静摩擦力增加,F最大值对应斜向下的最大静摩擦力。

依据式④式①解得:

要使物体静止F的值应为

关于第二个问题提醒读者注意题中并未提出以加速度a向上还是向下运动,应考虑两解,此处不详解此,给出答案供参考。

时,物体以a斜向下运动。

时,物体以a斜向上运动。

例5  如图2-12,m和M保持相对静止,一起沿倾角为θ的光滑斜面下滑,则M和m间的摩擦力大小是多少?

[错解]以m为研究对象,如图2-13物体受重力mg、支持力N、摩擦力f,如图建立坐标有

 再以m+N为研究对象分析受力,如图2-14,(m+M)g·sinθ=(M+m)a③

据式①,②,③解得f=0

所以m与M间无摩擦力。

[错解原因]造成错解主要是没有好的解题习惯,只是盲目的模仿,似乎解题步骤不少,但思维没有跟上。要分析摩擦力就要找接触面,摩擦力方向一定与接触面相切,这一步是堵住错误的起点。犯以上错误的客观原因是思维定势,一见斜面摩擦力就沿斜面方向。归结还是对物理过程分析不清。

[分析解答]因为m和M保持相对静止,所以可以将(m+M)整体视为研究对象。受力,如图2-14,受重力(M十m)g、支持力N′如图建立坐标,根据牛顿第二定律列方程

x:(M+n)gsinθ=(M+m)a   ①

解得a=gsinθ

沿斜面向下。因为要求m和M间的相互作用力,再以m为研究对象,受力如图2-15。

根据牛顿第二定律列方程

因为m,M的加速度是沿斜面方向。需将其分解为水平方向和竖直方向如图2-16。

由式②,③,④,⑤解得f=mgsinθ·cosθ

方向沿水平方向m受向左的摩擦力,M受向右的摩擦力。

[评析]  此题可以视为连接件问题。连接件问题对在解题过程中选取研究对象很重要。有时以整体为研究对象,有时以单个物体为研究对象。整体作为研究对象可以将不知道的相互作用力去掉,单个物体作研究对象主要解决相互作用力。单个物体的选取应以它接触的物体最少为最好。如m只和M接触,而M和m还和斜面接触。

另外需指出的是,在应用牛顿第二定律解题时,有时需要分解力,有时需要分解加速度,具体情况分析,不要形成只分解力的认识。

例6  如图2-17物体A叠放在物体B上,B置于光滑水平面上。A,B质量分别为mA=6kg,mB=2kg,A,B之间的动摩擦因数μ=0.2,开始时F=10N,此后逐渐增加,在增大到45N的过程中,则

A.当拉力F<12N时,两物体均保持静止状态

B.两物体开始没有相对运动,当拉力超过12N时,开始相对滑动

C.两物体间从受力开始就有相对运动

D.两物体间始终没有相对运动

[错解]  因为静摩擦力的最大值近似等于滑动摩擦力。fmax=μN=0.2×6=12(N)。所以当F>12N时,A物体就相对B物体运动。F<12N时,A相对B不运动。所以A,B选项正确。

[错解分析] 产生上述错误的原因一致是对A选项的理解不正确,A中说两物体均保持静止状态,是以地为参考物,显然当有力F作用在A物体上,A,B两物体对地来说是运动的。二是受物体在地面上运动情况的影响,而实际中物体在不固定物体上运动的情况是不同的。

[分析解答] 首先以A,B整体为研究对象。受力如图2-18,在水平方向只受拉力F,根据牛顿第二定律列方程

F=(mA+mB)a   ①

再以B为研究对象,如图2-19,B水平方向受摩擦力

f=mBa   ②

当f为最大静摩擦力时,式①②得(m/s2)

代入式①F=(6+2)×6=48N

由此可以看出当F<48N时A,B间的摩擦力都达不到最大静摩擦力,也就是说,A,B间不会发生相对运动。所以D选项正确。

[评析] 物理解题中必须非常严密,一点的疏忽都会导致错误。避免错误发生的最好方法就是按规范解题。每一步都要有依据。

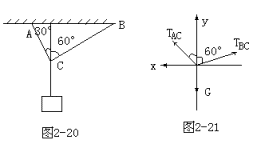
例7 如图2-20,用绳AC和 BC吊起一重物,绳与竖直方向夹角分别为30°和60°,AC绳能承受的最大的拉力为150N,而BC绳能承受的最大的拉力为100N,求物体最大重力不能超过多少?

[错解]以重物为研究对象,重物受力如图2-21。由于重物静止,则有

TACsin30°=TBCsin60°

TACcos30°+TBCcos60°=G

将TAC=150N,TBC=100N代入式解得G=200N。

[错解原因]以上错解的原因是学生错误地认为当TAC=150N时,TBC=100N,而没有认真分析力之间的关系。实际当TBC=100N时,TBC已经超过150N。

[分析解答]以重物为研究对象。重物受力如图2-21,重物静止,加速度为零。据牛顿第二定律列方程

TACsin30°-TBCsin60°=0   ①

TACcos30°+TBCcos60°-G=0   ②

由式①可知,当时,,AC将断。

而当TAC=150N时,TBC=86.6<100N

将TAC=150N,TBC=86.6N代入式②解得G=173.32N。

所以重物的最大重力不能超过173.2N。

例8  如图2-22质量为M,倾角为α的楔形物A放在水平地面上。质量为m的B物体从楔形物的光滑斜面上由静止释放,在B物体加速下滑过程中,A物体保持静止。地面受到的压力多大?

[错解]以A,B整体为研究对象。受力如图2-23,因为A物体静止,所以N=G=(M+m)g。

[错解原因]由于A,B的加速度不同,所以不能将二者视为同一物体。忽视了这一点就会造成错解。

[分析解答]分别以A,B物体为研究对象。A,B物体受力分别如图2-24a,2-24b。根据牛顿第二定律列运动方程,A物体静止,加速度为零。

x:Nlsinα-f=0   ①

y:N-Mg-Nlcosα=0   ②

B物体下滑的加速度为a,

x:mgsinα=ma   ③

y:Nl-mgcosα=0   ④

由式①,②,③,④解得N=Mg+mgcosα

根据牛顿第三定律地面受到的压力为Mg十mgcosα。

[评析] 在解决物体运动问题时,在选取研究对象时,若要将几个物体视为一个整体做为研究对象,应该注意这几个物体必须有相同的加速度。

例9  如图2-25天花板上用细绳吊起两个用轻弹簧相连的两个质量相同的小球。两小球均保持静止。当突然剪断细绳时,上面小球A与下面小球B的加速度为    [   ]

A.a1=g  a2=g

B.a1=g  a2=g

C.a1=2g  a2=0

D.a1=0  a2=g

[错解] 剪断细绳时,以(A+B)为研究对象,系统只受重力,所以加速度为g,所以A,B球的加速度为g。故选A。

[错解原因] 出现上述错解的原因是研究对象的选择不正确。由于剪断绳时,A,B球具有不同的加速度,不能做为整体研究。

[分析解答] 分别以A,B为研究对象,做剪断前和剪断时的受力分析。剪断前A,B静止。如图2-26,A球受三个力,拉力T、重力mg和弹力F。B球受三个力,重力mg和弹簧拉力F′

A球:T-mg-F=0   ①

B球:F′-mg=0   ②

由式①,②解得T=2mg,F=mg

剪断时,A球受两个力,因为绳无弹性剪断瞬间拉力不存在,而弹簧有形米,瞬间形状不可改变,弹力还存在。如图2-27,A球受重力mg、弹簧给的弹力F。同理B球受重力mg和弹力F′。

A球:-mg-F=maA    ③

B球:F′-mg=maB   ④

由式③解得aA=-2g(方向向下)

由式④解得aB=0

故C选项正确。

[评析] (1)牛顿第二定律反映的是力与加速度的瞬时对应关系。合外力不变,加速度不变。合外力瞬间改变,加速度瞬间改变。本题中A球剪断瞬间合外力变化,加速度就由0变为2g,而B球剪断瞬间合外力没变,加速度不变。

(2)弹簧和绳是两个物理模型,特点不同。弹簧不计质量,弹性限度内k是常数。绳子不计质量但无弹性,瞬间就可以没有。而弹簧因为有形变,不可瞬间发生变化,即形变不会瞬间改变,要有一段时间。

例10  如图2-28,有一水平传送带以2m/s的速度匀速运动,现将一物体轻轻放在传送带上,若物体与传送带间的动摩擦因数为0.5,则传送带将该物体传送10m的距离所需时间为多少?

[错解]由于物体轻放在传送带上,所以v0=0,物体在竖直方向合外力为零,在水平方向受到滑动摩擦力(传送带施加),做v0=0的匀加速运动,位移为10m。

据牛顿第二定律F=ma有f=μmg=ma,a=μg=5m/s2

据初速为零的匀加速直线运动位移公式可知,

[错解原因]上述解法的错误出在对这一物理过程的认识。传送带上轻放的物体的运动有可能分为两个过程。一是在滑动摩擦力作用下作匀加速直线运动;二是达到与传送带相同速度后,无相对运动,也无摩擦力,物体开始作匀速直线运动。关键问题应分析出什么时候达到传送带的速度,才好对问题进行解答。

[分析解答]以传送带上轻放物体为研究对象,如图2-29在竖直方向受重力和支持力,在水平方向受滑动摩擦力,做v0=0的匀加速运动。

据牛二定律F=ma

有水平方向:f=ma   ①

竖直方向:N-mg=0   ②

f=μN   ③

由式①,②,③解得a=5m/s2

设经时间tl,物体速度达到传送带的速度,据匀加速直线运动的速度公式

v0=v0+at   ④

解得t1=0.4s

时间t1内物体的位移<10(m)

物体位移为0.4m时,物体的速度与传送带的速度相同,物体0.4s后无摩擦力,开始做匀速运动

S2=v2t2  

因为S2=S-S1=10-0.4=9.6(m),v2=2m/s

代入式⑤得t2=4.8s

则传送10m所需时间为t=0.4+4.8=5.2s。

[评析]本题是较为复杂的一个问题,涉及了两个物理过程。这类问题应抓住物理情景,带出解决方法,对于不能直接确定的问题可以采用试算的方法,如本题中错解求出一直做匀加速直线运动经过10m用2s,可以拿来计算一下,2s末的速度是多少,计算结果v=5×2=10(m/s),已超过了传送带的速度,这是不可能的。当物体速度增加到2m/s时,摩擦力瞬间就不存在了。这样就可以确定第2个物理过程。

例11  如图2-30,一个弹簧台秤的秤盘质量和弹簧质量都可以不计,盘内放一个物体P处于静止。P的质量为12kg,弹簧的劲度系数k=800N/m。现给P施加一个竖直向上的力F,使P从静止开始向上做匀加速运动。已知在前0.2s内F是变化的,在0.2s以后F是恒力,则F的最小值是多少,最大值是多少?

[错解]

F最大值即N=0时,F=ma+mg=210(N)

[错解原因]错解原因是对题所叙述的过程不理解。把平衡时的关系G=F+N,不自觉的贯穿在解题中。

[分析解答]解题的关键是要理解0.2s前F是变力,0.2s后F的恒力的隐含条件。即在0.2s前物体受力和0.2s以后受力有较大的变化。

以物体P为研究对象。物体P静止时受重力G、称盘给的支持力N。

因为物体静止,∑F=0

N=G=0   ①

N=kx0  

设物体向上匀加速运动加速度为a。

此时物体P受力如图2-31受重力G,拉力F和支持力N′

据牛顿第二定律有

F+N′-G=ma   ③

当0.2s后物体所受拉力F为恒力,即为P与盘脱离,即弹簧无形变,由0-0.2s内物体的位移为x0。物体由静止开始运动,则

将式①,②中解得的x0=0.15m代入式③解得a=7.5m/s2

F的最小值由式③可以看出即为N′最大时,即初始时刻N′=N=kx。

代入式③得

Fmin=ma+mg-kx0

=12×(7.5+10)-800×0.15

=90(N)

F最大值即N=0时,F=ma+mg=210(N)

[评析]本题若称盘质量不可忽略,在分析中应注意P物体与称盘分离时,弹簧的形变不为0,P物体的位移就不等于x0,而应等于x0-x(其中x即称盘对弹簧的压缩量)。

试题详情

本章中所涉及到的基本方法有:力的分解与合成的平行四边形法则,这是所有矢量进行加、减法运算过程的通用法则;运用牛顿第二定律解决具体实际问题时,常需要将某一个物体从众多其他物体中隔离出来进行受力分析的“隔离法”,隔离法是分析物体受力情况的基础,而对物体的受力情况进行分析又是应用牛顿第二定律的基础。因此,这种从复杂的对象中隔离出某一孤立的物体进行研究的方法,在本章中便显得十分重要。

试题详情

本章内容包括力的概念及其计算方法,重力、弹力、摩擦力的概念及其计算,牛顿运动定律,物体的平衡,失重和超重等概念和规律。其中重点内容重力、弹力和摩擦力在牛顿第二定律中的应用,这其中要求学生要能够建立起正确的“运动和力的关系”。因此,深刻理解牛顿第一定律,则是本章中运用牛顿第二定律解决具体的物理问题的基础。 

试题详情

(17)(本题满分10分)

中,点E是AB的中点,点F在BD上,且BF=BD,求证:E、F、C三点共线.

(18)(本题满分12分)

(Ⅰ)已知:,求的值.

(Ⅱ)已知为锐角,求 的值.

(19)(本题满分12分)

设向量a =, b =(其中实数不同时为零),当时,有ab;当时,有ab.

(Ⅰ)求函数解析式

(Ⅱ)设,且,求.

(20)(本题满分12分)

已知函数,R的最大值是1,其图像经过

.

(Ⅰ)求

(Ⅱ)求的单调递增区间;

(Ⅲ)函数的图象经过怎样的平移可使其对应的函数成为奇函数

(21)(本题满分12分)

有最大值9和最小值3,求实数 的值

(22)(本题满分12分)

已知函数的最小正周期为

(Ⅰ)求的值;      

(Ⅱ)若不等式上恒成立,求实数的取值范围.

本溪市2010年7月普通高中模块结业验收考试

试题详情

(13)函数的定义域是_      _.                                        

(14)若,则____  ____.

(15)若函数,当f(x)=0恒有解,则实数a的取值范围是      .

(16)下列说法:①第二象限角比第一象限角大;②设是第二象限角,则;③三角形的内角是第一象限角或第二象限角;④函数是最小正周期为的周期函数;⑤在△ABC中,若,则A>B.其中正确的是_________.   (写出所有正确说法的序号)

试题详情

注意:请在机读答题卡中作答,不要答在试题中

(1)设角的终边过点P,则的值是

   (A)     (B)     (C)     (D)

(2)如右图所示,D是△ABC的边AB的中点,则向量等于

(A)    (B)

(C)    (D)

(3)一个扇形的弧长与面积的数值都是5,则这个扇形中心角的弧度数是

(A)    (B)    (C) 3    (D)5

(4)若向量a =, b =, 且ab ,则=

   (A)2      (B)     (C)     (D)

(5)已知点O是△ABC所在平面内的一定点,P是平面ABC内一动点,若,则点P的轨迹一定经过△ABC

(A)垂心     (B)重心    (C)内心    (D)外心

(6)已知函数的图像与的图像的两相邻交点间的距离为,要得到的图像,只需把的图像

(A)纵坐标不变,横坐标缩短到原来的一半 (B)向左平移个单位

 (C)纵坐标不变,横坐标伸长到原来的2倍 (D)向右平移个单位

(7)△ABC中,∠C=120°,,则

 (A)     (B)    (C)     (D)

(8)实数,则连接

两点的直线与圆心在原点上的单位圆的位置关系是

(A)相切     (B)相交    (C)相离    (D)不能确定

(9)如果函数的图象关于点中心对称,那么的最小值为

(A)      (B)     (C)     (D)

(10)如右图所示,△ABC中,EF是BC边的垂直平分线,

,a ,b,则=

(A) (B) (C)  (D)

(11)若,则的值为

(A)     (B)     (C)    (D)

(12)如图,在梯形ABCD中,ADBCADABAD=1,AB=2,BC=3, PBC上的一个动点,当取最小值时,的值是

(A)   (B)   (C)    (D)

第Ⅱ卷(非选择题  共90分)

试题详情


同步练习册答案